GM Service Manual Online
For 1990-2009 cars only
Figure 1:

B+ Bus - 1 of 2


Object Number: 1963965  Size: FS
Master Electrical Component List
Control Module References
B+ Bus - 2 of 2
B+ Bus - 2 of 2
Figure 2:

B+ Bus - 2 of 2


Object Number: 1963966  Size: FS
Master Electrical Component List
Control Module References
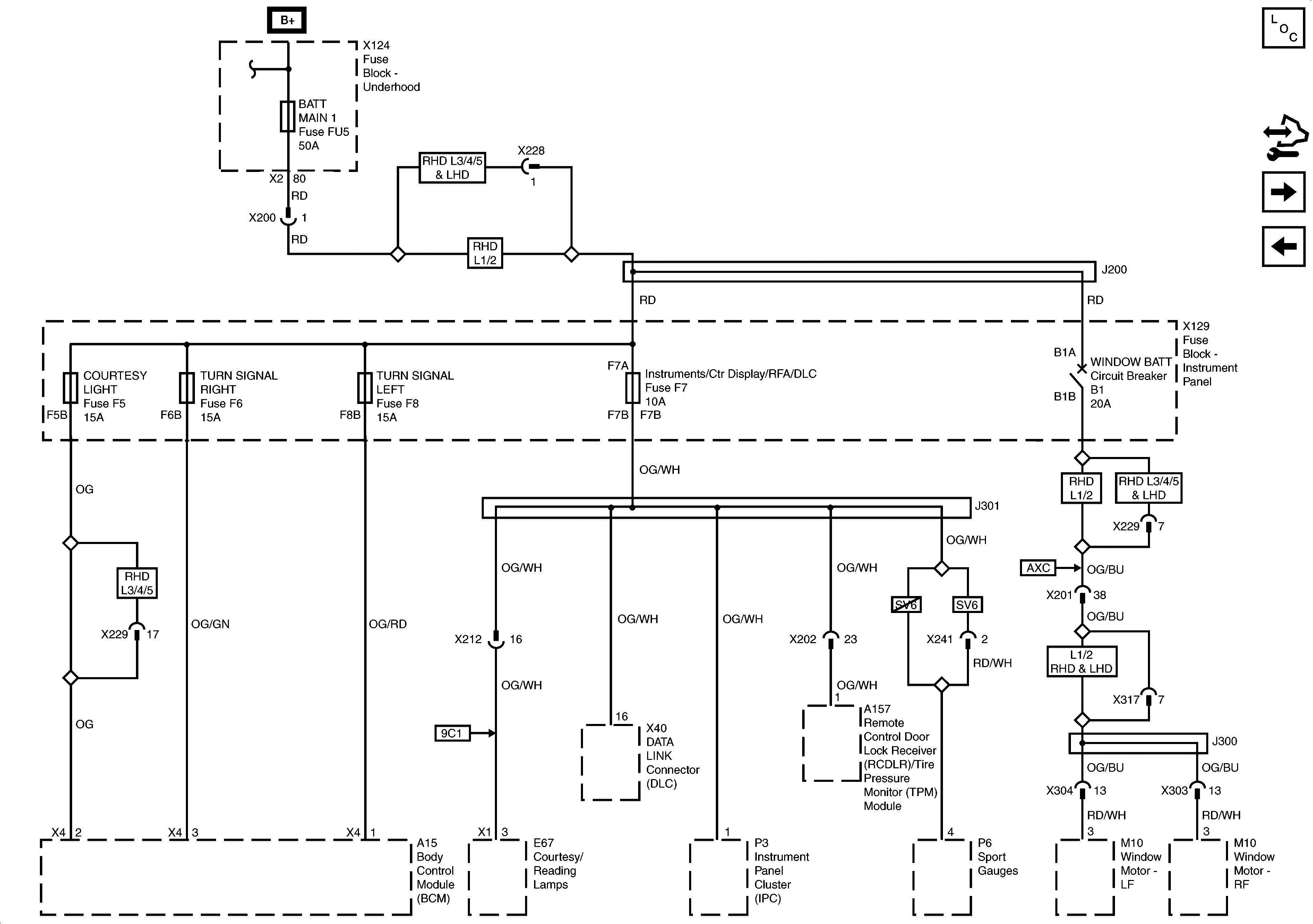
Batt Main 1, Courtesy Lights, Instrument/Ctr Display/RFA/DLC, Turn Signal Left and Turn Signal Right Fuses and Window Batt Circuit Breakers
B+ Bus - 1 of 2
B+ Bus - 1 of 2
Figure 3:

BATT MAIN 1, COURTESY LIGHTS, INSTRUMENT/CTR DISPLAY/RFA/DLC, TURN SIGNAL LEFT and TURN SIGNAL RIGHT Fuses and WINDOW BATT Circuit Breaker


Object Number: 1963967  Size: FS
Master Electrical Component List
Control Module References
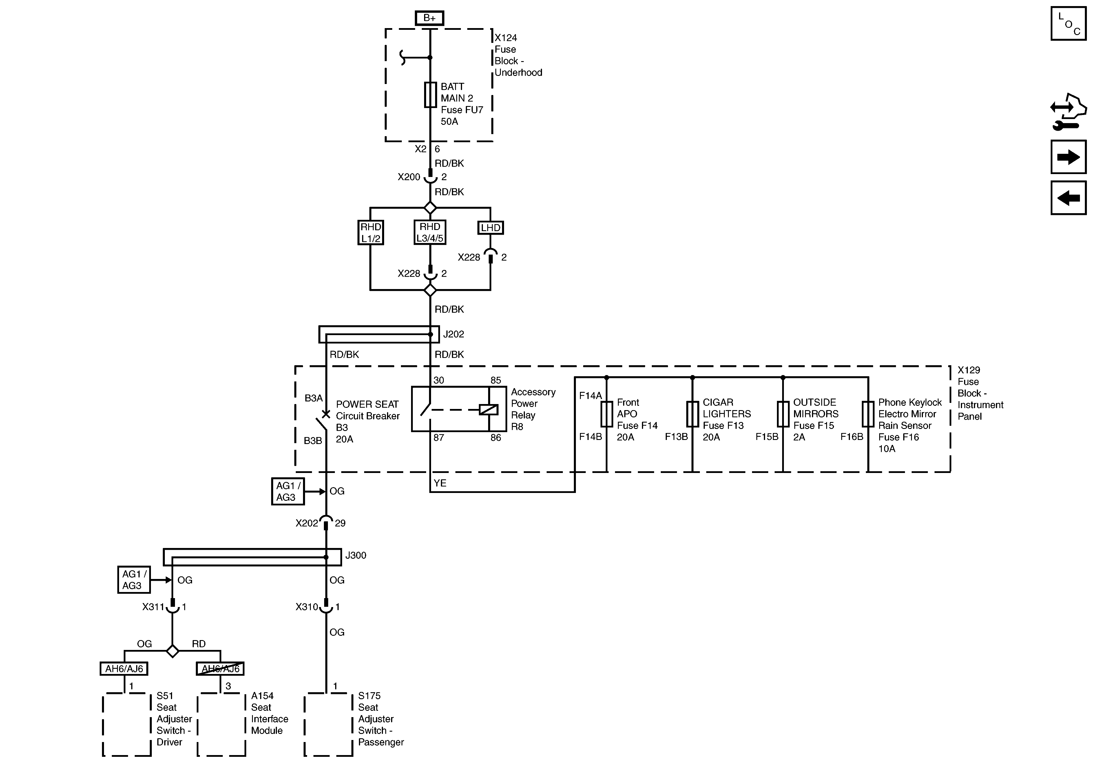
Batt Main 2 Fuse and Power Seat Circuit Breaker
B+ Bus - 2 of 2
Figure 4:

BATT MAIN 2 Fuse and POWER SEAT Circuit Breaker


Object Number: 1963968  Size: FS
Master Electrical Component List
Control Module References
Batt Main 1, Courtesy Lights, Instrument/Ctr Display/RFA/DLC, Turn Signal Left and Turn Signal Right Fuses and Window Batt Circuit Breakers
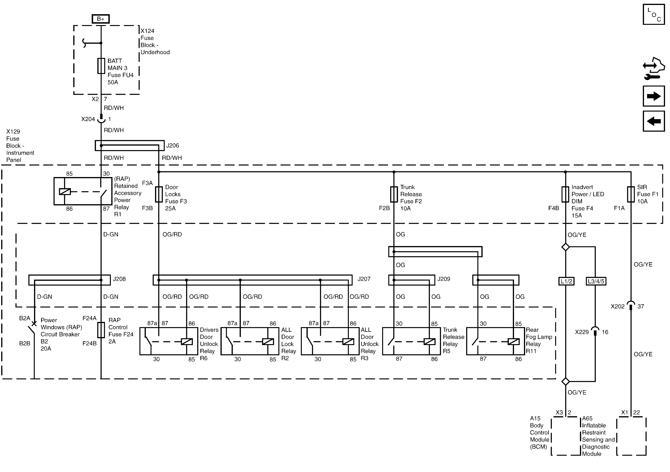
BATT MAIN 3, DOOR LOCKS, INADVERT PWR/LED DIM, SIR AND TRUNK RELEASE Fuses
B+ Bus - 1 of 2
Figure 5:

BATT MAIN 3, DOOR LOCKS, INADVERT PWR/LED DIM, SIR and TRUNK RELEASE Fuses


Object Number: 1963969  Size: FS
Master Electrical Component List
Control Module References
ABS MTR, ABS Valves HVAC Bat, HVAC Blwr, RTD and TCM Fuses
Batt Main 2 Fuse and Power Seat Circuit Breaker
Figure 6:

ABS MTR, ABS VALVES, HVAC BAT, HVAC BLWR, RTD and TCM Fuses


Object Number: 1963970  Size: FS
Master Electrical Component List
Control Module References
Amplifier, Navigation, Telematics, Radio/Infotainment, Rear Apo, Rear Main 1 and Rear Seat Ent Fuses
BATT MAIN 3, DOOR LOCKS, INADVERT PWR/LED DIM, SIR AND TRUNK RELEASE Fuses
Figure 7:

Amplifier, Telematics, Navigation, Radio/Infotainment, Rear APO, Rear Main 1 and Rear Seat Ent Fuses


Object Number: 1963971  Size: FS
Master Electrical Component List
Control Module References
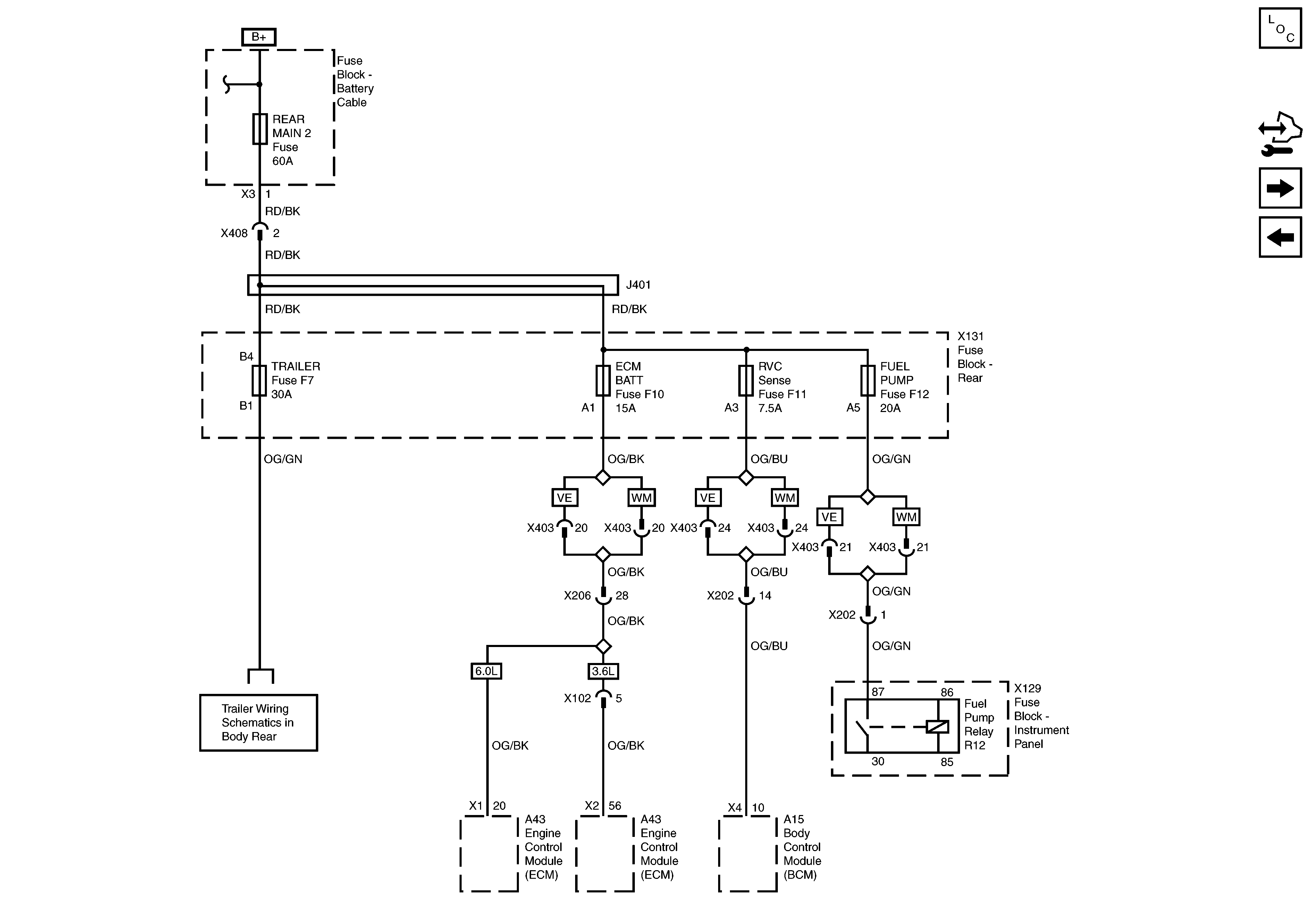
ECM, Fuel Pump, Rear Main, RVC Sense and Trailer Fuses
ABS MTR, ABS Valves HVAC Bat, HVAC Blwr, RTD and TCM Fuses
Figure 8:

ECM, FUEL PUMP, REAR MAIN, RVC SENSE and TRAILER Fuses


Object Number: 1963972  Size: FS
Master Electrical Component List
Control Module References
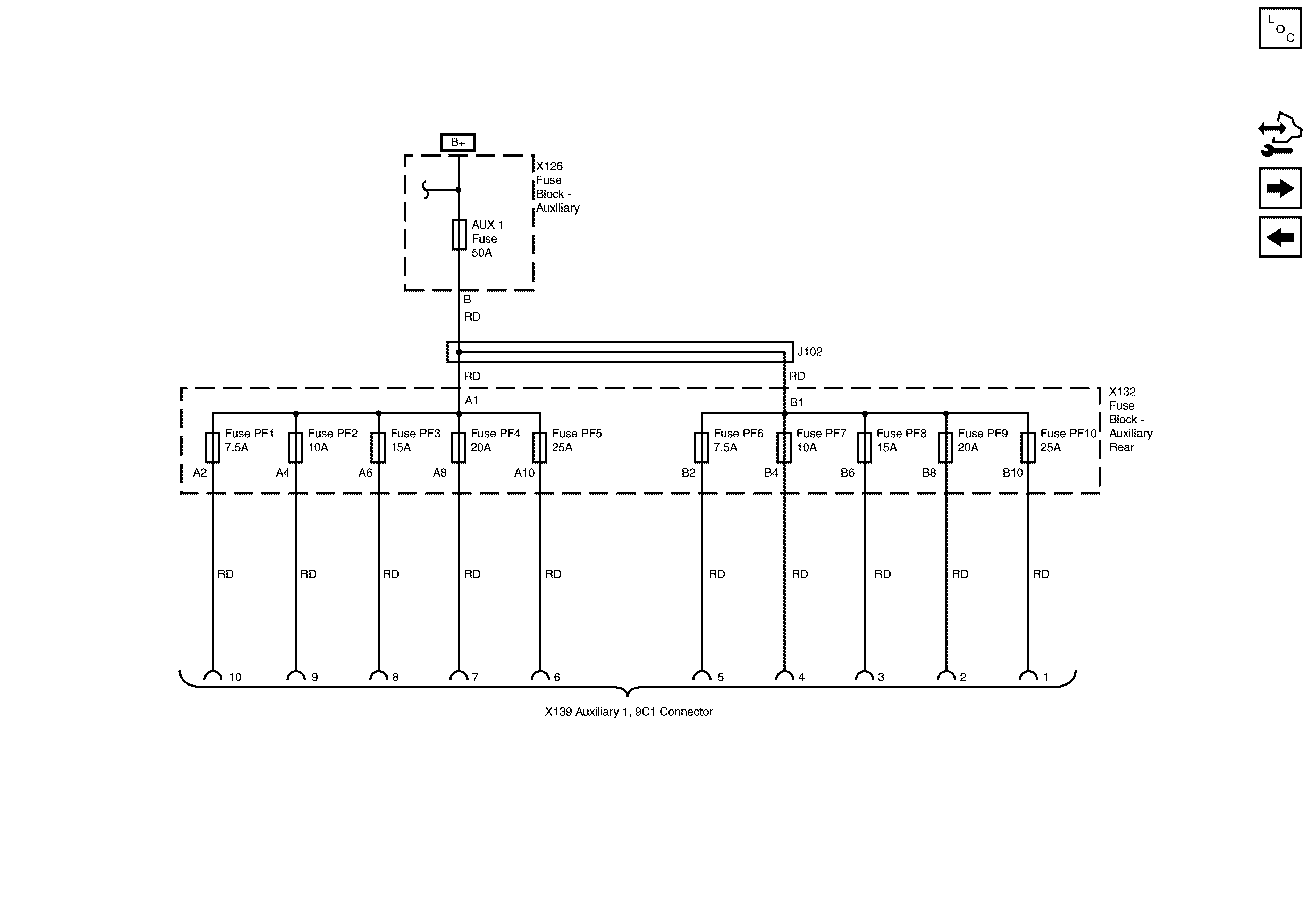
Fuse Block - Auxiliary Rear 1 of 2 (9C1)
Amplifier, Navigation, Telematics, Radio/Infotainment, Rear Apo, Rear Main 1 and Rear Seat Ent Fuses
Figure 9:

Fuse Block -- Auxiliary Rear 1 of 2 (9C1)


Object Number: 1963973  Size: FS
Master Electrical Component List
Control Module References
Fuse Block - Auxiliary Rear 2 of 2 (9C1)
ECM, Fuel Pump, Rear Main, RVC Sense and Trailer Fuses
B+ Bus - 1 of 2
Figure 10:

Fuse Block -- Auxiliary Rear 2 of 2 (9C1)


Object Number: 1963974  Size: FS
Master Electrical Component List
Control Module References
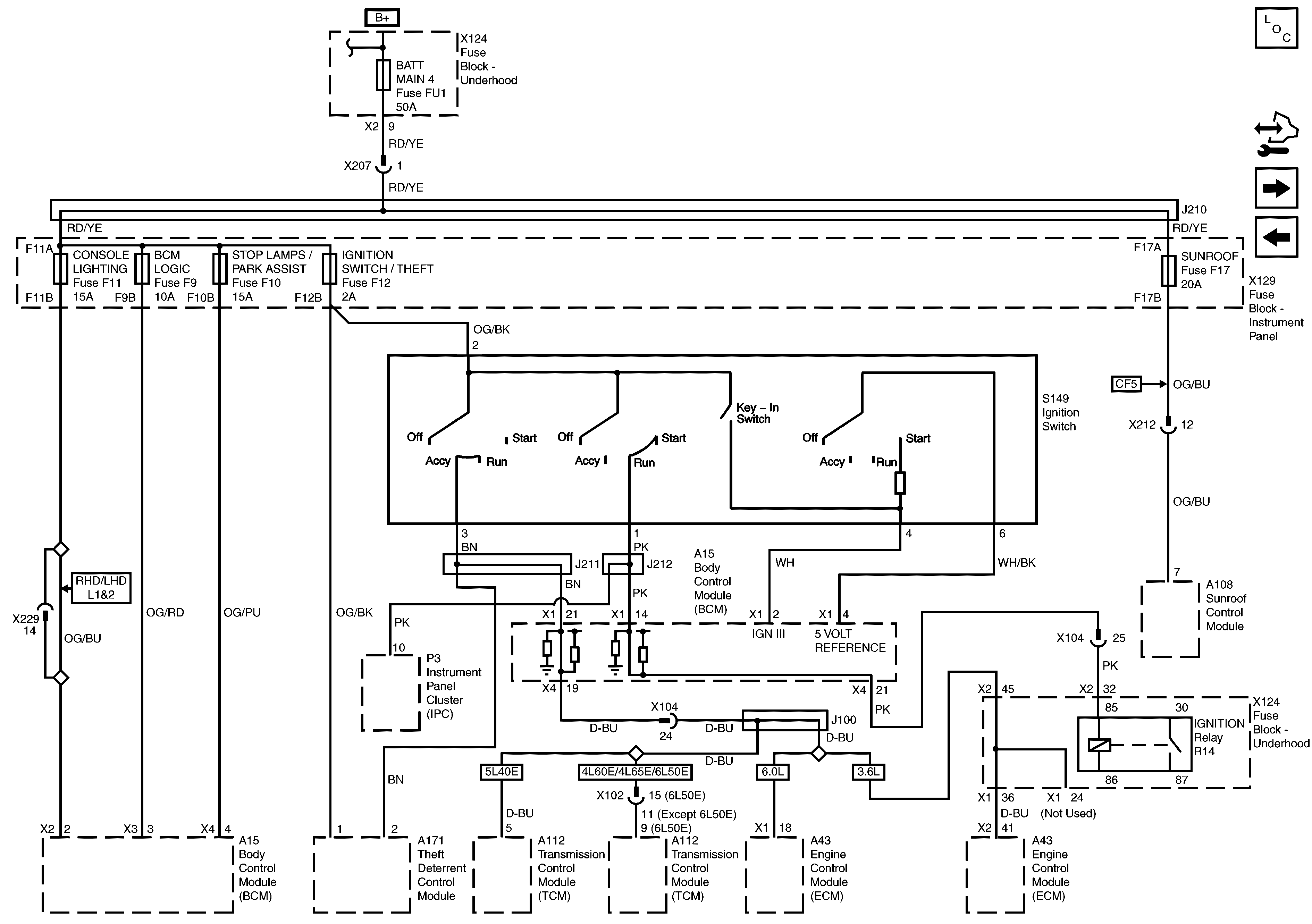
Batt Main 4, BCM Logic, Console Lighting, IGNSW/Theft and Stop Lamps/Park Assist Fuses and Ignition Switch
Fuse Block - Auxiliary Rear 1 of 2 (9C1)
B+ Bus - 1 of 2
Figure 11:

Batt Main 4, BCM Logic, Console Lighting, IGNSW/Theft and Stop Lamps/Park Assist Fuses and Ignition Switch


Object Number: 1963975  Size: FS
Master Electrical Component List
Control Module References
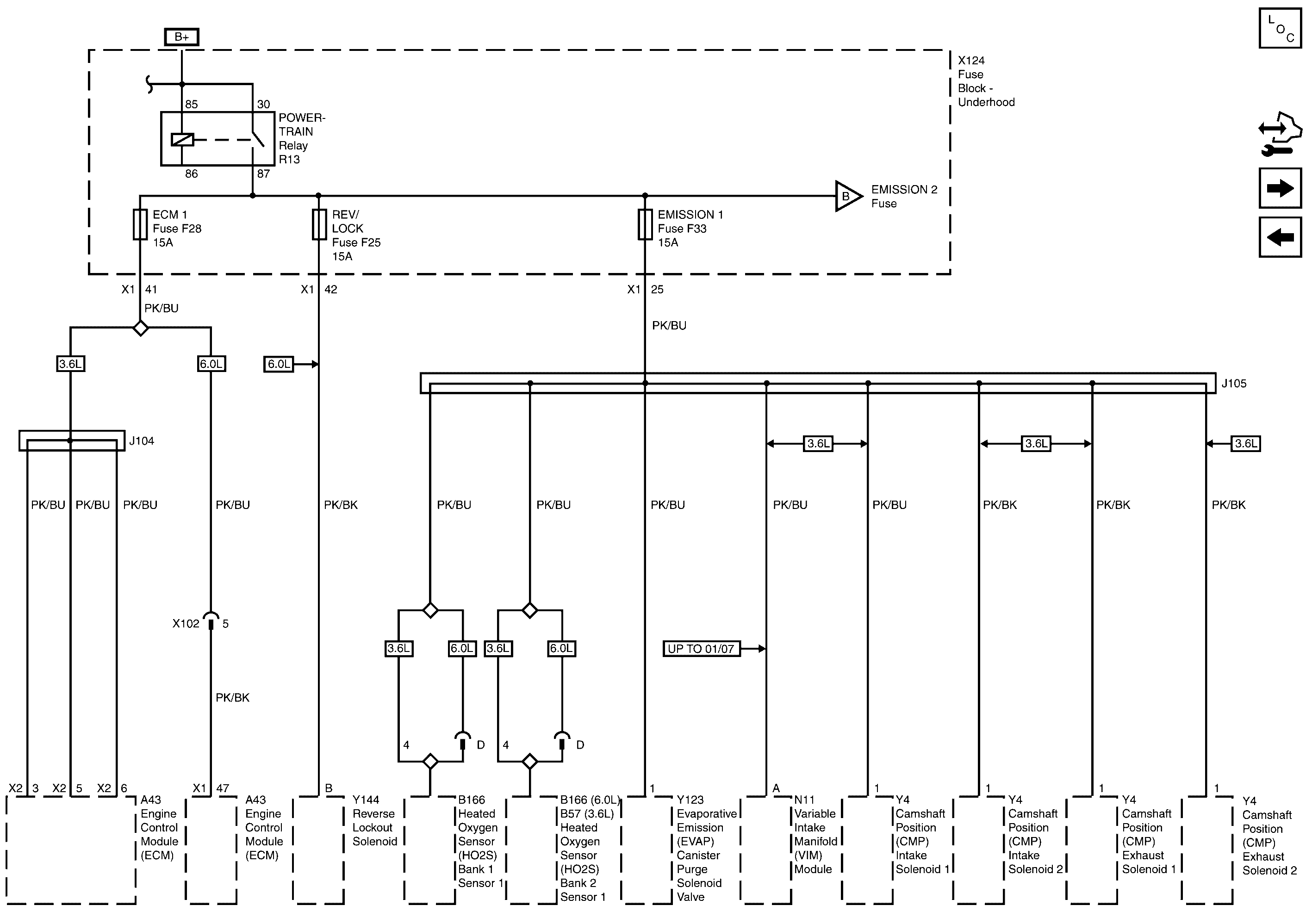
PWR.TRN Bus - ECM1, Emission 1 and REV/LOCK Fuses
Fuse Block - Auxiliary Rear 2 of 2 (9C1)
Figure 12:

PWR/TRN BUS -- ECM1, EMISSION 1 and REV/LOCK Fuses


Object Number: 2008619  Size: FS
Master Electrical Component List
Control Module References
PWR/TRN Bus - Emission 2 and ODCOIL/INJ Fuses
Batt Main 4, BCM Logic, Console Lighting, IGNSW/Theft and Stop Lamps/Park Assist Fuses and Ignition Switch
PWR/TRN Bus - Emission 2 and ODCOIL/INJ Fuses
B+ Bus - 1 of 2
Figure 13:

PWR/TRN BUS -- EMISSION 2 and ODCOIL/INJ Fuses


Object Number: 1963977  Size: FS
Master Electrical Component List
Control Module References
PWR/TRN Bus - Evcoil/Inj Fuses
PWR.TRN Bus - ECM1, Emission 1 and REV/LOCK Fuses
PWR/TRN Bus - Evcoil/Inj Fuses
PWR.TRN Bus - ECM1, Emission 1 and REV/LOCK Fuses
Figure 14:

PWR/TRN BUS -- EVCOIL/INJ Fuses


Object Number: 1963978  Size: FS
Master Electrical Component List
Control Module References
IGN II/II Bus - Airbag, HVAC Ign, Ign Engine and Phone / Cruise Fuses
PWR/TRN Bus - Emission 2 and ODCOIL/INJ Fuses
PWR/TRN Bus - Emission 2 and ODCOIL/INJ Fuses
Figure 15:

IGN II/III BUS -- AIRBAG, HVAC IGN, IGN ENGINE and PHONE/CRUISE Fuses


Object Number: 1963979  Size: FS
Master Electrical Component List
Control Module References
IGN II / III Bus - Cigar Lighters, Front APO, Outside Mirrors and Phone Keylock / Electro Mirror / Rain Sensor Fuses
PWR/TRN Bus - Evcoil/Inj Fuses
B+ Bus - 1 of 2
Figure 16:

IGN II/III BUS -- CIGAR LIGHTERS, FRONT APO, OUTSIDE MIRRORS and PHONE KEYLOCK/ELECTRO MIRROR/RAIN SENSOR Fuses


Object Number: 1963980  Size: FS
Master Electrical Component List
Control Module References
Frt Wash, Horn, LT HI Beam, RT HI Beam, RT LO Beam and Theft Horn Fuses
IGN II/II Bus - Airbag, HVAC Ign, Ign Engine and Phone / Cruise Fuses
B+ Bus - 1 of 2
Figure 17:

FRT WASH, HORN, LT HI BEAM, LT LO BEAM, RT HI BEAM, RT LO BEAM and THEFT HORN Fuses


Object Number: 1963981  Size: FS
Master Electrical Component List
Control Module References
LT PRK and RT PRK Fuses
IGN II / III Bus - Cigar Lighters, Front APO, Outside Mirrors and Phone Keylock / Electro Mirror / Rain Sensor Fuses
B+ Bus - 1 of 2
Figure 18:

LT PRK and RT PRK Fuses


Object Number: 1963982  Size: FS
Master Electrical Component List
Control Module References
RAP Control Fuse and Power Windows (RAP) Circuit Breaker
Frt Wash, Horn, LT HI Beam, RT HI Beam, RT LO Beam and Theft Horn Fuses
Figure 19:

RAP CONTROL Fuse and POWER WINDOWS (RAP) Circuit Breaker


Object Number: 1963983  Size: FS
Master Electrical Component List
Control Module References
LT PRK and RT PRK Fuses
Figure 20:

BATT MAIN 3, DOOR LOCKS, INADVERT PWR/LED DIM, SIR and TRUNK RELEASE Fuses


Object Number: 1963964  Size: FS