GM Service Manual Online
For 1990-2009 cars only

2007 Model Year Chevrolet Caprice and Lumina Service and Pre-Delivery Guide

Subject:2007 Model Year Chevrolet Lumina and Caprice Service and Pre-Delivery Guide

Models:2007 Chevrolet Caprice, Lumina (Export)



Contents

1. Description

2. Servicing Requirements

3. Tools

4. Service Changeover and Re-manufacturing Support

5. Owner Literature

6. Service Parts

7. Labor Time Guide

8. Field Early Warning Program

9. Pre-Delivery

Attachment 1. Pre-Delivery Requirements

Attachment 2. Recommended and Mandatory Special Tools

Chevrolet Lumina and Caprice 2007 model year

(This bulletin is a special introduction to the new model. Future bulletins covering this model will be regularly mailed to your dealership Service Manager and included in the Chevrolet Service Information DVD.)

The purpose of this Service Bulletin is to introduce the all new 2007 Chevrolet Lumina and Caprice and describe the action which your Service Department will need to take to ensure that you are able to fully service these exciting new models.

1. Description

The 2007 Lumina and Caprice are all new models with completely new body structure, chassis and electrical architecture.

    • Powertrain
        Two basic engine configurations are available (basically carried over from previous model years).
       - 6.0L V8 (L98 or Gen IV)
       - 3.6L Alloytech (LE0)
       - The automatic transmission on both the V6 and V8 is a GM Powertrain 4L60E (V6) or 4L65E (V8). A 6-speed Tremec manual transmission is available in the Lumina SS only.
    • Body and Trim
         The body structure features a highly rigid monocoque construction which is all new for the 2007 model year.
        The body systems, including all body electrical systems, are unique to this vehicle and are new for 2007.
    • Model Line-Up (carryover from 2006 model year) - there are three basic trim levels for the Middle East market.
       - Lumina and Caprice LS Sedan
       - Lumina S Sedan
       - Lumina and Caprice LTZ Sedan
       - Lumina and Caprice SS Sedan
       - Caprice Royale Sedan
       - Coupe is not available at this time.

Body style codes as used for service parts application are summarized as follows:

 

Lumina

Caprice

LS

EK69

EK19

S Pack

EK69

N/A

LTZ

EL69

EL19

SS

EK69

EP19

Royale

N/A

EZ19

VIN Identification

    • Lumina Models VIN 6G1E ..............
    • Caprice Models VIN 6G1M ..................

2. Servicing Requirements

-- Fluid and Lubricants

Many of the fluids and lubricants specified for the 2007 Model Year Lumina and Caprice are new. Please take the time to confirm that the fluids and lubricants listed below are available in your dealership . Please ensure that only the correct fluids and lubricants are used. Damage may result from use of incorrect materials.

Please also note that quantities are changed from the 2006 model year. Engine oil quantity has been significantly increased for the 2007 model year.

The following chart summarizes some of the most critical information. Please refer to the Service Manual and Owner handbook for a complete list.

Location

Fluid/Lubricant

Quantity

Fuel

Operate using unleaded fuel with RON of 91 or greater (95 RON recommended)

Tank capacity 73 L

Engine Oil

SAE 5W/30 or 10W30 SM GL-4 oil. If driving more than 10 minutes at a time in extreme conditions (higher than 180 km/h and/or rpm over 4000), use SAE 10W30 SM GL-4 oil.

V6 - 6.7 L approx. (incl. filter)

V8 - 8.2 L approx. (incl. filter)

Engine Coolant

DEX-COOL® (GM6277M) , 50% concentration

V6 - 10 L approx.

V8 - 11 L approx.

Auto Trans Oil

DEXRON® VI

V6 - 4.8 L approx.

V8 - 5 L approx

Manual Trans Oil

DEXRON® VI

3.45 L approx

Rear Axle

Castrol SAF - Carbon modified.

1.6 L approx.

Brakes

Heavy Duty Brake Fluid to "‘Dot 4 plus" or "Super Dot 4"

900 ml approx

Power Steering

DEXRON® VI

650ml approx

Battery (refer to Note below)

12V 600CCA, 120 mins RC, 70 AH, C Terminal (RH positive)

For warranty, use AC-Delco 20-72

 

Note: The battery for the 2007 model year is located in the vehicle trunk. To prevent explosive gases from entering the passenger compartment, the battery is equipped with an external ventilation tube which carries gases to the outside of the passenger compartment. A replacement battery must incorporate the external ventilation tube feature which must be correctly fitted when the battery is installed. It is vital that in the event the battery is removed from the vehicle that the ventilation tube be securely refitted when the battery is reinstalled.

To ensure that battery is delivered in best possible condition, fuses are removed from the trunk fuse panel as well as from the instrument panel fuse panel while the vehicle is in transit. Fuses must be replaced prior to retail delivery. Refer to Attachment 1: "Pre-Delivery Instruction".

3. Tools

The following summarizes the availability of diagnostic and special service tools, manuals and training.

    • Diagnostic Tools
         The MY 2007 Lumina and Caprice carry over use of the General Motors Corporation Tech 2® scan tool as the primary diagnostic aid.
        Diagnostics are written in the same format as 2006 model year Lumina and Caprice and can be accessed from GMNA TIS 2000
    • Special Service Tools
         A listing of new special tools is attached to this bulletin (refer to Attachment 2). These are tools are considered by General Motors Corporation to be essential and enable dealerships to properly support this product. It is expected that all dealerships will arrange to purchase one complete set of these tools as an absolute minimum and have these in place prior to receiving initial vehicle deliveries. Consolidation of tool orders by GMODC Dubai will enable reduction of prices through bulk ordering. Please contact GMODC Dubai to determine how to take advantage of this offer.
        All special service tools are available from SPX, Melbourne, Australia.
    • Key Cutting
         Ignition/door lock keys for the 2007 model year are of a new design featuring either attached remote key housing or attached compact "flip key" housing. A new 8-bit code will replace the previous 10-bit code and will require a new code adaptor to enable keys to be cut from key code using previously specified "Silca" key cutting equipment.
        The 8-bit code adaptor will be classified as a mandatory tool for dealerships with Silca cutting machines. This tool will be supplied as a special order item from the key cutting machine supplier. To enable quantity discount to be obtained, GMODC will coordinate supply. Do not order this tool from SPX. Further details will be provided when available. New bitting codes will be provided via TAC.
        Keys for 2007 model year can be copied using the existing Silca machine without use of the code adaptor which is required only for cutting keys from the bitting code.
    • Service Information
         A new format has been used for distribution of Service Information. For the 2007 Model Year, Service Information will be distributed in global eSI format, via DVD. The 2007 DVD will be additional to previous SIP CDs and should be loaded to Service Department computer hard drive as well as the SIP CD.
        Please confirm that dealership workshop computer equipment is capable of reading DVD format and has the capacity to hold both SIP and 2007 Service Information.
        Service Information is not available on internet based systems at this stage.

4. Service Changeover and Remanufacturing Support

 

    • Automatic Transmission Assembly
         Changeover is via SRTA program.
        Use "SRTA" transmission as defined in the Partfinder parts catalogue
    • Radio
         Changeover via repair agent is currently being negotiated with the radio manufacturing source. Initially, replacement radios are to be purchased via regular new parts source. Further announcement regarding changeover service will be made at a later date.
    • Tires
        All tires used on the 2007 Lumina and Caprice are manufactured by Yokohama. Tire specifications are new for 2007 model year.
    • Paint
        The original equipment paint is supplied by "PPG", a company associated with ICI Autocolor. Refinish paint is available from ICI Autocolor or from Standox. Both companies have refinish formulations developed to cover the full range of paint colors.

5. Owner Literature

Included in the "Loose Items" pack in the vehicle trunk as shipped is a sealed package containing the following owner literature:

    • Owner handbook in English language
    • Owner handbook in Arabic language
    • Warranty handbook/Maintenance Schedule handbook
    • First Aid Kit
    • Security card
       - The security card includes security data relevant to the security of the vehicle, including radio PIN, key cutting codes and remote key reprogramming code. Please request that the owner keep this card in a safe place, preferably not in the vehicle.
       - Note: The radio PIN is no longer required to enable radio operation if the battery is disconnected. Replacement of the radio or other components in the infotainment system will require relinking to the vehicle data bus using a Tech 2®.
       - Security numbers are available from TAS in the event that the card is misplaced.

6. Service Parts Issues

Parts catalogue

Parts for 2007 Lumina and Caprice will be listed in the Partfinder CD and will be distributed via GMODC, Regional marketing Office, Dubai.

2007 Model Year listings will be provided beginning with the August 2006 issue of International Partfinder.

7. Warranty Claims

The Labor Time Guide for the 2007 Lumina and Caprice will be distributed via WINS GMNA and will be made available September 2006.

8. Field Early Warning Program

Extensive test programs and close monitoring of the performance of vehicles which have been retailed in other markets provides a high level of confidence in the quality of the new Lumina and Caprice. However, we are aware that the unique requirements of the Middle Eastern region may uncover new problems which will need to be addressed promptly. We are vitally concerned that any so far undetected problems related to any aspect of the supply or performance of the Lumina and Caprice are identified and corrected without delay and seek the assistance of all dealerships in alerting us to any problems that you may identify.

Any problems at all should be brought to our attention, from ordering or supply problems, design concerns, through product problems or difficulties in servicing or parts procurement.

To assist in the reporting of any such problems, Dealerships are requested to outline details of the problem using the Field Product Report form (FPR) which is normally used for reporting product problems and forwarding it to GMODC TAC.

It is proposed that the Field Early Warning Program should operate until the end of December 2006.

Quality or operating improvements made as a result of the Field Early Warning program will be shown in regular Service Bulletins

9. Pre-Delivery Requirements

The shipping protection applied prior to export of the Lumina and Caprice is intended to protect it against the effect of transit conditions. In the event that any deterioration is noted following delivery, which is the result of the effect of shipping degradation, this should be referred immediately to TAC who will initiate action required to prevent on-going problems. Removal of shipping protection and other action required in addition to normal PDI activities is detailed on Attachment. 1

Attachment 1 - Pre-Delivery Instructions

Delivery Condition

Vehicles are delivered in the following condition:

    • Paint Protection "Rapguard" film is applied to external horizontal painted surfaces to provide protection from ultra violet light, fallout and chemical attack from bird droppings, etc. This covering is to be removed within 6 months of the vehicle build date.
    • A heavier grade of adhesive film "Scotchcal" is applied to front and rear fascia and provides protection against minor contact in transit. This needs to be removed immediately if the vehicle is placed in storage and/or within 6 months of vehicle build
    • Interior protection package comprising:
       - Seat cover on front driver's seat
       - Plastic film on front floor (driver's) carpet
       - Plastic protective tape on driver's door sill plate
    • Brake disc corrosion protection covers
    • Spring chocks fitted between front suspension spring coils on Lumina S and Lumina SS
    • Certain fuses have been removed during transit to minimize battery drain. (These fuses are identified below.)
    • A "loose parts" package is provided in the vehicle trunk. This package includes the following components:
       - Security data card
       - Owner literature pack including Owner Manual, warranty and maintenance booklet, first aid kit and license plate attaching screws
       - Wheel trims
       - Wheel nut covers (alloy wheels only)
       - Floor carpet mats and retainer(s) for each mat where required by vehicle specification
       - Spare ignition and instrument panel compartment keys
       - Fire extinguisher
       - "Zip lock" plastic bag containing fuses which were removed at Port of Exit
       - Cigar lighter plungers
       - Took kit containing pliers, screwdriver and pressure gauge
    • Tires are inflated to 413 kPa (60 psi) for transportation and storage flat spot prevention
    • Note: Tie down during shipment is now via wheel lashing and the tie down brackets which were used through model year 2006 are NO LONGER NECESSARY.

Pre-Delivery Requirements

1. Glove Compartment Owner Literature Pack and Security Data Card

The Glove Compartment owner literature pack packaged within the "loose items" box in the vehicle trunk. Locate the following items and place them in the vehicle glove compartment.

    • Owner handbook in English language
    • Owner handbook in Arabic language
    • Warranty and Maintenance handbook
    • First Aid kit
    • Vehicle security card. This card shows all security data for the vehicle including key codes, BCM Security Code and radio PIN. This should be provided to the customer during the delivery process and the customer advised to keep it in a safe place. It is also considered to be good practice for the Service Department of your dealership to retain a copy of this card

2. Loose Items Pack Items

Install the following components:

    • Fuses - refer to details below
    • Fire extinguisher to bracket at the front of the driver's seat
    • Floor mats (where specified)
    • Wheel covers (steel wheels) / hub caps and wheel nut covers (alloy wheels)
    • Cigar light plungers to ashtray in front and rear console
    • Tool kit to tray beneath the spare wheel

3. Rapgard and Scotchcal Removal

Under normal circumstances, the Rapgard and Scotchcal film should easily peel away from the surface and leave no residue. Disposal of the removed film can be by incineration. It does not cause toxic smoke and the residue is a non-harmful ash.

Note: Films may become brittle and difficult to remove if left on the paint surface for periods in excess of 6 months.

If the vehicle is to be stored for a period greater than 6 months it is recommended that the Rapgard be removed. If protection is still required, replace with a similar material supplied by Kansai Paint Co. or KATS wax coating. Other materials are not recommended as some have been found to damage the paint film.

4. Interior Protection Removal

Within 6 months of the vehicle build date and prior to vehicle retail delivery, remove all of the components of the interior protection package as described above. Shipping protection materials should be removed and disposed of as industrial waste. Do not incinerate due to possible toxic fumes

5. Brake Disc Protection Covers

These impregnated plastic covers, which are fitted to the brake discs behind the wheels, can be removed by tearing them away from the brake disc area. There is no need to remove the wheels. Care should be taken to ensure that all protective material is fully removed.

6. Front Spring Chock Removal

Front spring chocks are fitted to S and SS Lumina models only.

Raise the front of the vehicle using a garage jack or two post hoist. With wheels at full hang, chocks may be removed by pulling out by hand.

Use the correct jacking location - center of the front crossmember or a shown on page 6-10 of the owner handbook.

7. Fuse Installation

Fuses shown below are removed from the Instrument panel and trunk fuse compartments prior to vehicle shipment and must be replaced at PDI. This should be left until the vehicle is being prepared for retail delivery, as additional battery drain will be experienced following fuse installation.

Trunk located fuses:

F1

10A

RED

F2

30A

GREEN

F3

10A

RED

F4

15A

BLUE


Object Number: 2004794  Size: SH

Object Number: 2004799  Size: SH
(1)Red (10A)
(2)Green (30A)
(3)Red (10A)
(4)Blue (15A)

LH Cowl located fuses: For all vehicles -- 10A (RED) is should be installed in the F7 location.


Object Number: 2004801  Size: SH

Object Number: 2004803  Size: SH
(1)10A (RED)

Notice: Ensure that fuses are installed in the correct location. Installation of a fuse of the incorrect rating could result in fuse failure or electrical system damage.

8. Battery Charge Inspection and Recharge If Necessary

Battery damage may result from not being fully charged. Minimum charge to ensure that damage does not occur is 12.3 volts.

Immediately after the vehicle is received, check the battery open cell voltage across battery terminals or the jump starting posts in the engine compartment.

If the vehicle is to be placed into storage for even a short period, the battery should be charged to 12.6 volts minimum and must be above 12.3 volts when delivered to the customer. Battery voltage must not be allowed to drop below 12.3 volts during storage.

9. License Plate Installation

Pre-formed bosses with location dimples are provided in the front and rear fascia for attachment of licence plates.

While boss locations have been designed to match GCC standard licence plate hole locations, the attaching holes in some countries’ licence plates may not match the pre-formed location bosses in the front and rear fascia. It is important that the licence plate be drilled to enable attachment to the correct attachment points. DO NOT DRILL THE FAsCIA TO FIT THE LICENCE PLATE. Drilling of the fascia must be avoided because only the designated attachment points have necessary molded reinforcement and can be assured of having adequate strength to support the licence plate.

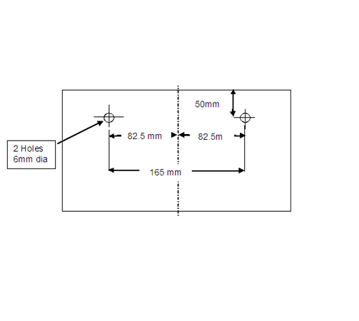
To facilitate licence plate drilling, it is recommended that a steel template be drilled to the dimensions shown below and retained for use as a drilling guide.


Object Number: 2004804  Size: SH

Object Number: 2004805  Size: SH

10. Set Radio PIN and Time

 

  1. Press and hold the "Time" button on the radio fascia for more than two seconds. The display will show the "Set Clock" screen, "hours" flashing.
  2. Adjust the "hours" by turning the volume control dial.
  3. To adjust the "minutes", first press the volume control dial. The "minutes" will flash.
  4. Adjust the "minutes" by turning the volumn control dial.
  5. Repeat the procedures for the day,date, month and year.
  6. When correct, press the "time" button.

Tire Pressure

Tires are inflated to 413 kPa (60 Psi) in production. This will prevent flat spotting of tires when left in storage for prolonged periods but is not suitable for normal driving. Ensure that this pressure is maintained while the vehicle is kept in storage - but deflate tires to pressures indicated on the placard on the rear face of the LH front door opening prior to delivery to the owner.

Chevrolet Service - Lumina/Caprice Pre-Delivery Check List

Action Required

 

Remove paint film protection

 

Check contents of "loose items" pack and install compents to vehicle:

 

Fuses

 

Wheel trims

 

Cigar lighters (2)

 

Glovebox literature (3 books plus security card)

 

First aid kit

 

Tool kit

 

Floor mats and retainers

 

Spare key set

 

Fire extinguisher bracket, cover and fire extinguisher

 

Copy vehicle security card and retain security data in a safe place

 

Remove all interior protection

 

Remove brake rotor protective covers

 

Check battery voltage (must be over 12.3 volts)

 

Install license plate using correct hole locations in front and rear fascia

 

Set clock time in radio

 

Deflate tire pressures to specified pressure (refer to tire placard at rear of driver's door opening)

 

Attachment 2 - Tools List

Mandatory Tools

 

EN-48278 Sub-Fuel Pump Lock Ring Remove/Install.

EN-48544 Fuel Disconnect Tool

EN-48536 Engine Lower 65mm Kit

EN-48501 MY06 VZ & WL (20/04/06 on), VE & WM Radiator Pressure Adapter Cap Set

EL-48508 Airbag Module Removal Tool

EL-48528 SRS Dummy Load Kit VE

Available Tools

 

EL-48539 E38 Controller breakout box harness (V8)

EL-48513 E77 Controller breakout box harness (V6)

BOBOL V8 VE E77 Controller breakout box Overlay

BOBOL V6 VE E38 Controller breakout box Overlay

J-42129 Hub Remover

93402-10EPL-4 Torx Bit - Valve Body Removal

J-39401-B SIR Deployment Fixture

EL-48528 Deployment Harness Kit

KM619 Remove/Install Damping Bushing Semi-Trailing Arm

CH-48509 Remove/Install Damping Rear Cross Member Bushes

CH-48510 Remove/Install Rear & Front Lower Arm Bushes

EN-48537 Support Frame Front & Rear

H1000 Trolley for EN-48537 - Support Frame Front & Rear

J45722 Fuel Sender Wrench Previously Released

APSKB00 Breakout Box 130 Ways Previously Released