GM Service Manual Online
For 1990-2009 cars only
Makes
🢒
Chevrolet
🢒
2007
🢒
Lumina VE
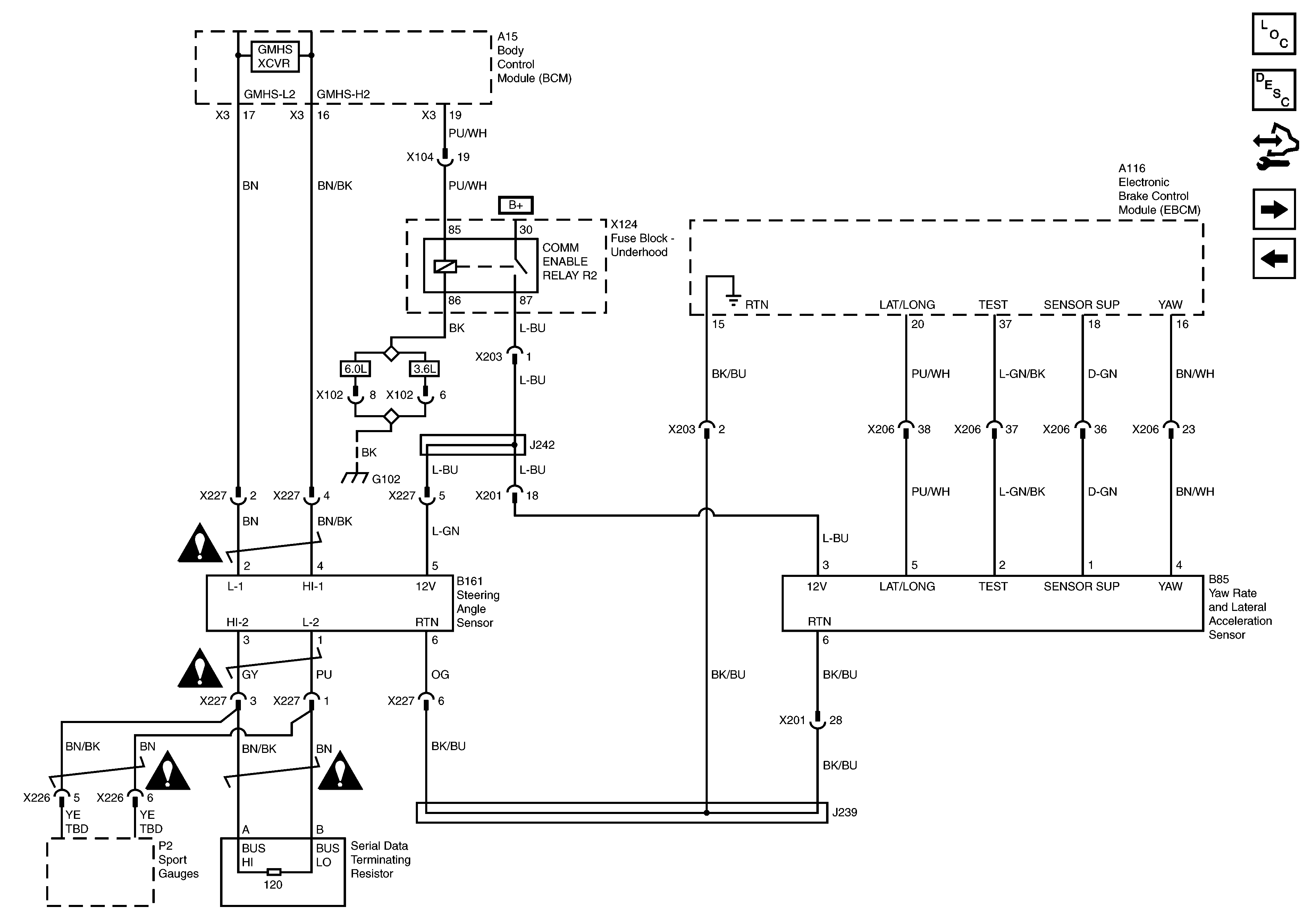
🢒 Electronic Stability Program Sensors
Electronic Stability Program Sensors
Electronic Stability Program Sensors
Master Electrical Component List
ABS Description and Operation SWBRHD
Control Module References
Antilock Brake System Schematic Icons
Antilock Brake System Schematic Icons
Antilock Brake System Schematic Icons
Antilock Brake System Schematic Icons
Park Brake Switch, Traction Control Switch, Brake Pedal Position and Brake Fluid Switch
Wheel Speed Sensors
G101 and G102