GM Service Manual Online
For 1990-2009 cars only

    Caution: Refer to Safety Glasses Caution in the Preface section.

    Caution: Refer to Vehicle Lifting Caution in the Preface section.

    Caution: Refer to Brake Dust Caution in the Preface section.

    Caution: Refer to Brake Fluid Irritant Caution in the Preface section.

    Notice: Refer to Brake Fluid Effects on Paint and Electrical Components Notice in the Preface section.


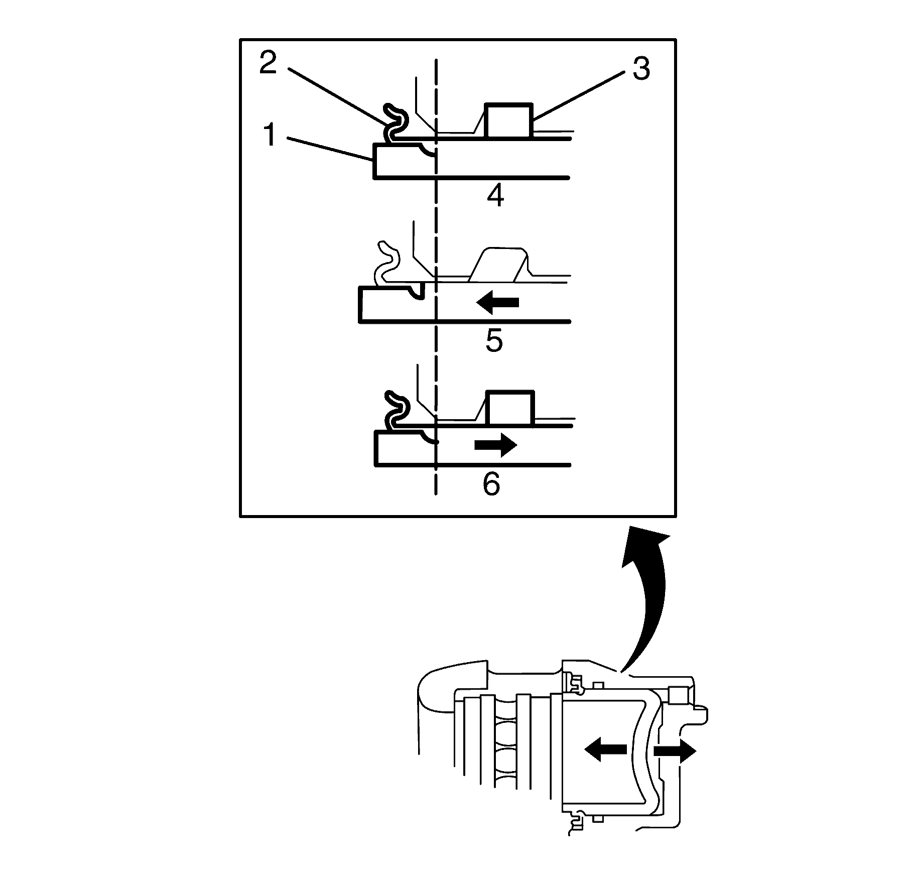
    Object Number: 1960802  Size: SH
  1. With the tyre and wheel assemblies removed and the brake rotors retained by wheel nuts, visually inspect the brake caliper piston dust boot (2) sealing area to make sure that there are no brake fluid leaks.
  2. If any evidence of a brake fluid leak is present, the brake caliper requires overhaul or replacement.
  3. While the brake system is at rest (4), observe the position of the brake caliper piston (1) in relation to the brake caliper housing.
  4. Have an assistant apply and release the brake pedal several times while you observe the operation of the hydraulic brake caliper.
  5. 4.1. Observe the brake caliper piston (1) for unrestricted and even movement during each apply of the brake system (5).
    4.2. Observe the brake caliper piston (1) for an unrestricted and even return motion during each release of the brake system (6).
  6. If the brake caliper piston (1) did not exhibit unrestricted and even movement during brake system apply and/or release, the piston square seal (3) may be worn or damaged and the brake caliper may require overhaul or replacement.