GM Service Manual Online
For 1990-2009 cars only

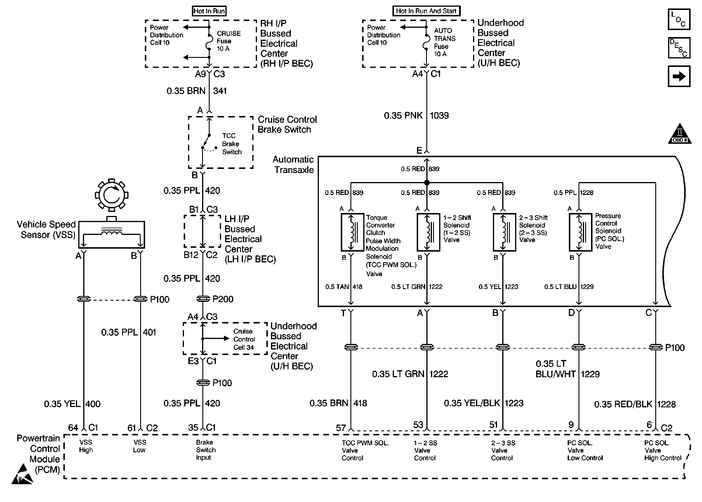
Automatic Transmission Controls Schematics VIN T

Figure 1:

Brake Switch, Solenoids, and VSS (VIN T)


Object Number: 72175  Size: FS
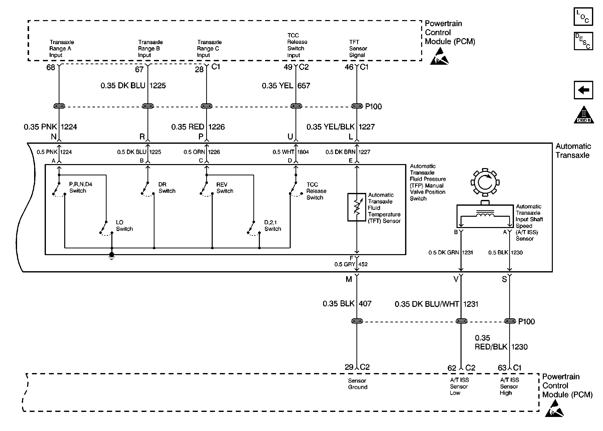
Automatic Transmission Components VIN T
Electronic Component Description
TFP Valve Position Switch, TFT Sensor, and A/T ISS Sensor (VIN T)
OBD II Symbol Description Notice
Handling ESD Sensitive Parts Notice
Automatic Transmission Schematic References VIN T
Automatic Transmission Schematic References VIN T
Automatic Transmission Schematic References VIN T
Figure 2:

TFP Valve Position Switch, TFT Sensor, and A/T ISS Sensor (VIN T)


Object Number: 72176  Size: FS
Automatic Transmission Components VIN T
Electronic Component Description
Brake Switch, Solenoids, and VSS (VIN T)
OBD II Symbol Description Notice
Handling ESD Sensitive Parts Notice

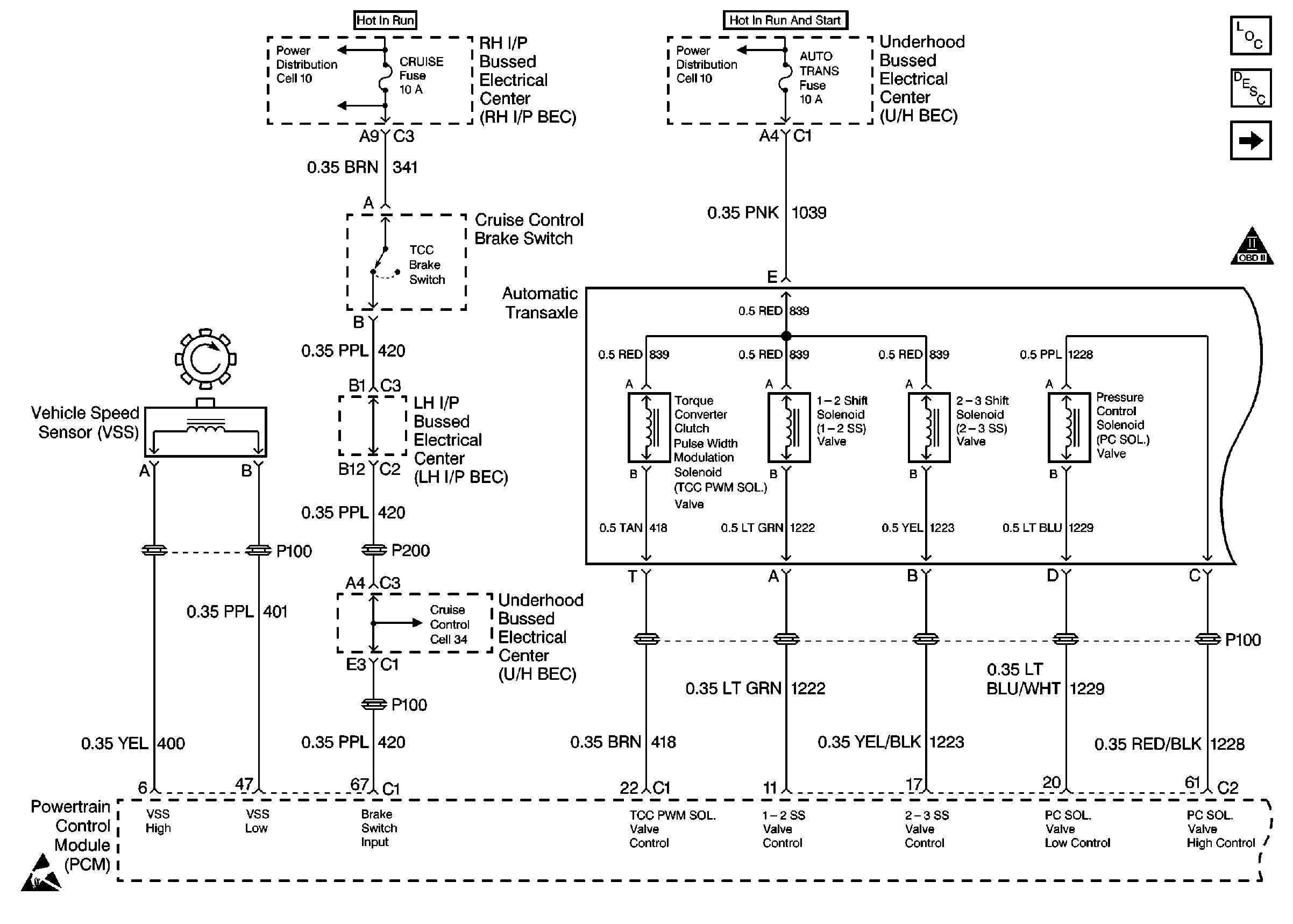
Automatic Transmission Controls Schematics VIN M

Figure 1:

Brake Switch, Solenoids, and VSS (VIN M)


Object Number: 72177  Size: FS
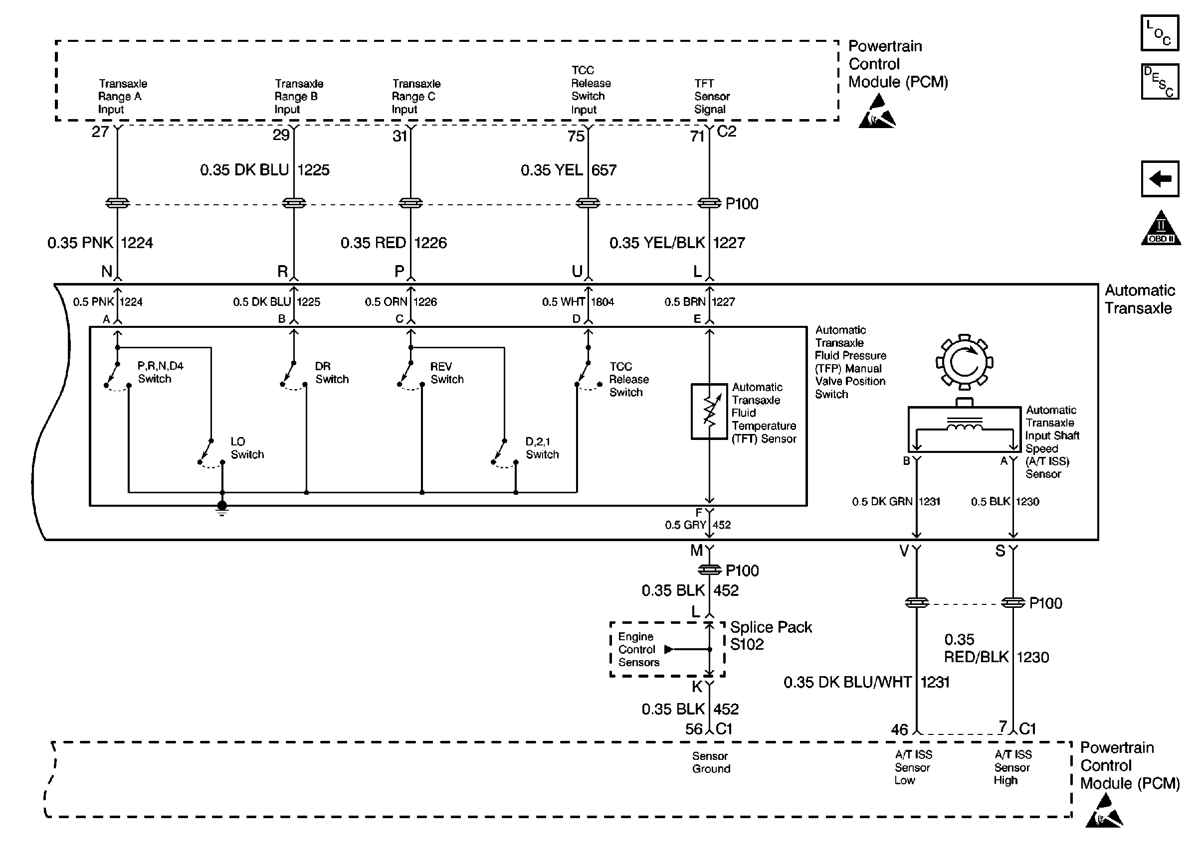
Automatic Transmission Components VIN M
Electronic Component Description
TFP Valve Position Switch, TFT Sensor, and A/T ISS Sensor (VIN M)
OBD II Symbol Description Notice
Handling ESD Sensitive Parts Notice
Automatic Transmission Schematic References VIN M
Automatic Transmission Schematic References VIN M
Automatic Transmission Schematic References VIN M
Figure 2:

TFP Valve Position Switch, TFT Sensor, and A/T ISS Sensor (VIN M)


Object Number: 72179  Size: FS
Automatic Transmission Components VIN M
Electronic Component Description
Brake Switch, Solenoids, and VSS (VIN M)
Handling ESD Sensitive Parts Notice
Handling ESD Sensitive Parts Notice
Automatic Transmission Schematic References VIN M