GM Service Manual Online
For 1990-2009 cars only

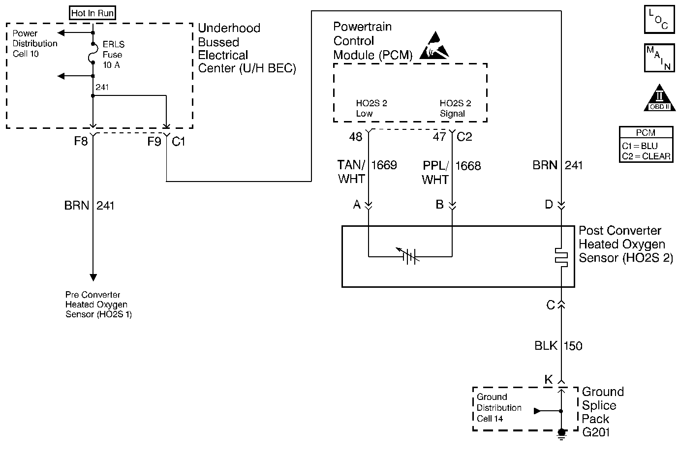
Object Number: 69654  Size: MF
Engine Controls Components
Oxygen Sensors
OBD II Symbol Description Notice
Handling ESD Sensitive Parts Notice

Circuit Description

To control emissions of Hydrocarbons (HC), Carbon Monoxide (CO), and Oxides of Nitrogen (NOx), a three-way catalytic converter is used. The catalyst within the converter promotes a chemical reaction which oxidizes the HC and CO present in the exhaust gas, converting them into harmless water vapor and carbon dioxide. The catalyst also reduces NOx, converting it to nitrogen. The PCM has the ability to monitor this process using the HO2S 1 and the HO2S 2 heated oxygen sensors. The HO2S 1 sensor produces an output signal which indicates the amount of oxygen present in the exhaust gas entering the three-way catalytic converter. The HO2S 2 sensor produces an output signal which indicates the oxygen storage capacity of the catalyst this in turn indicates the catalysts ability to convert exhaust gases efficiently. If the catalyst is operating efficiently, the HO2S 1 signal will be far more active than that produced by the HO2S 2 sensor. If the HO2S 2 signal voltage remains excessively low for an extended period of time, DTC P0137 will be set.

Conditions for Setting the DTC

    • No active misfire, fuel injector circuit, TP sensor, EVAP, IAT sensor, MAP sensor, Fuel trim, EGR, ECT sensor, MAF sensor or CKP sensor DTC(s) present.
    • Closed loop commanded air/fuel ratio is between 14.4 and 14.9.
    • Throttle angle is between 3% and 40%.
    • Engine coolant temperature greater than 75°C (167°F).
    • HO2S 2 signal voltage remains below 100 mV during normal closed loop operation.

OR

    • HO2S 2 signal voltage remains below 600 mV during power enrichment mode fuel control operation.
    • Either condition for up to 150 seconds.

Action Taken When the DTC Sets

    • The PCM will illuminate the malfunction indicator lamp (MIL) during the second consecutive trip in which the diagnostic test has been run and failed.
    • The PCM will store conditions which were present when the DTC set as Freeze Frame and Failure Records data.

Conditions for Clearing the MIL/DTC

    • The PCM will turn OFF the MIL during the third consecutive trip in which the diagnostic has been run and passed.
    • The History DTC will clear after 40 consecutive warm-up cycles have occurred without a malfunction.
    • The DTC can be cleared by using the scan tool.

Diagnostic Aids

Check for the following conditions:

    • Heated oxygen sensor wiring. The sensor pigtail may be mispositioned and contacting the exhaust system.
    • Poor PCM to engine grounds.
    • Fuel pressure. A condition which causes a lean exhaust can cause DTC P0137 to set. The system will go lean if pressure is too low. The PCM can compensate for some decrease. However, if fuel pressure is too low, a DTC P0137 may be set. Refer to Fuel System Diagnosis.
    • Lean injector(s). Perform Injector Balance Test.
    • Vacuum leaks. Check for disconnected or damaged vacuum hoses and for vacuum leaks at the intake manifold, throttle body, EGR system, and CRANKCASE VENTILATION system.
    • Exhaust leaks. An exhaust leak may cause outside air to be pulled into the exhaust gas stream past the HO2S, causing the DTC P0137 to set. Check for exhaust leaks near the HO2S 2 sensor.
    • MAF sensor. Disconnect the MAF sensor and see if the condition is corrected. If so, replace MAF sensor.
    • Fuel contamination. Water, even in small amounts, can be delivered to the fuel injectors. The water can cause a lean exhaust to be indicated. Excessive alcohol in the fuel can also cause this condition. Refer to Fuel System Diagnosis for procedure to check for fuel contamination.

Test Description

The numbers below refer to the step numbers on the Diagnostic Table.

  1. DTC P0137 being set in power enrichment mode conditions may indicate a condition described in the Diagnostic Aids above. If the DTC P0137 test passes while the Fail Records conditions are being duplicated, an intermittent condition is indicated. Reviewing the Fail Records vehicle mileage since the diagnostic test last failed may help determine how often the condition that caused the DTC to be set occurs. This may assist in diagnosing the condition.

  1. This vehicle is equipped with a PCM which utilizes an Electrically Erasable Programmable Read Only Memory (EEPROM). When the PCM is being replaced, the new PCM must be programmed. Refer to PCM Replacement and Programming Procedures in Powertrain Control Module (PCM) and Sensors.

DTC P0137-HO2S Circuit Low Voltage Sensor 2

Step

Action

Value(s)

Yes

No

1

Was the Powertrain On-Board Diagnostic System Check performed?

--

Go to Step 2

Go to Powertrain On Board Diagnostic (OBD) System Check

2

  1. Engine at operating temperature.
  2. Operate vehicle within parameters specified under Conditions for Setting the DTC criteria included in Diagnostic Support.
  3. Monitor HO2S 2 voltage displayed on the scan tool HO2S data list.

Does the HO2S 2 voltage remain below the specified value?

100 mV

Go to Step 4

Go to Step 3

3

  1. Ignition on , engine off , review and record scan tool Fail Records data and note parameters.
  2. Operate vehicle within Fail Records conditions as noted.
  3. Using a scan tool, monitor SPECIFIC DTC info for DTC P0137 until the DTC P0137 test runs.
  4. Note test result.

Does scan tool indicate DTC P0137 failed this ignition?

--

Go to Step 4

Go to Diagnostic Aids

4

Disconnect HO2S 2 and jumper the HO2S 2 low circuit (PCM side) to ground.

Does scan tool indicate HO2S 2 voltage near the specified value?

450 mV

Go to Diagnostic Aids

Go to Step 5

5

Turn off the ignition, disconnect the PCM, and check the HO2S 2 signal circuit for a short to ground or a short to the sensor ground circuit.

Is the HO2S 2 signal circuit shorted?

--

Go to Step 6

Go to Step 7

6

Repair the HO2S 2 signal circuit. Refer to Repair Procedures Electrical Diagnosis .

Is action complete?

--

Go to Step 8

--

7

Replace the PCM.

Important :  Replacement PCM must be programmed. Refer to Powertrain Control Module Replacement/Programming

Is action complete?

--

Go to Step 8

--

8

  1. Ignition on , engine off , review and record scan tool Fail Records data.
  2. Clear the DTCs.
  3. Operate vehicle within Fail Records conditions as noted.
  4. Using a scan tool, monitor SPECIFIC DTC info for DTC P0137 until the DTC P0137 test runs.

Does scan tool indicate DTC P0137 failed this ignition?

--

Go to Step 2

Repair complete