GM Service Manual Online
For 1990-2009 cars only
Makes
🢒
Chevrolet
🢒
1999
🢒
Malibu
🢒
Body and Accessories
🢒
Wipers/Washer Systems
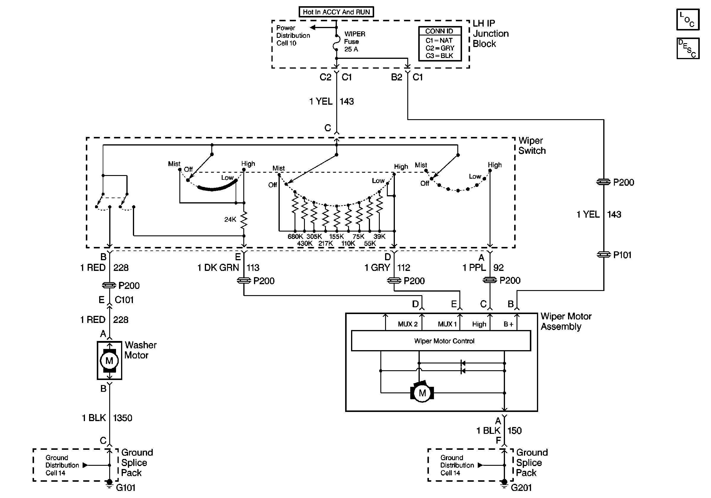
🢒 Wiper/Washer System (Pulse) Schematics
Cell 91
Wiper/Washer System Components
Wiper/Washer System Circuit Description
Power Distribution Schematics
Ground Distribution Schematics
Ground Distribution Schematics