GM Service Manual Online
For 1990-2009 cars only
Makes
🢒
Chevrolet
🢒
1999
🢒
Malibu
🢒
Body and Accessories
🢒
Theft Deterrent
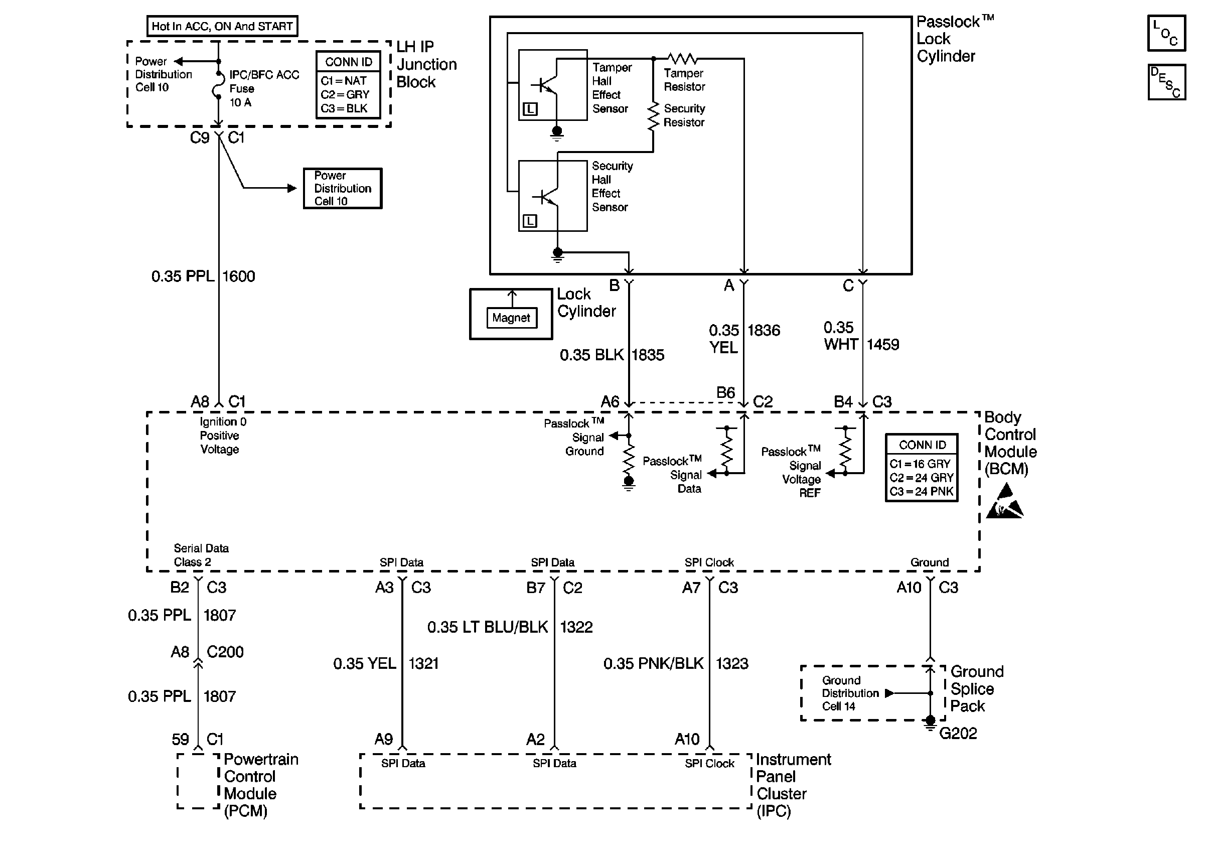
🢒 Theft Deterrent System Schematics
Cell 133
Power Distribution Schematics
Power Distribution Schematics
Theft Deterrent System Components
Vehicle Theft Deterrent (VTD) Description
Handling ESD Sensitive Parts Notice
Ground Distribution Schematics