GM Service Manual Online
For 1990-2009 cars only
Makes
🢒
Chevrolet
🢒
1999
🢒
Malibu
🢒
Body and Accessories
🢒
Cruise Control
🢒 Cruise Control Schematics
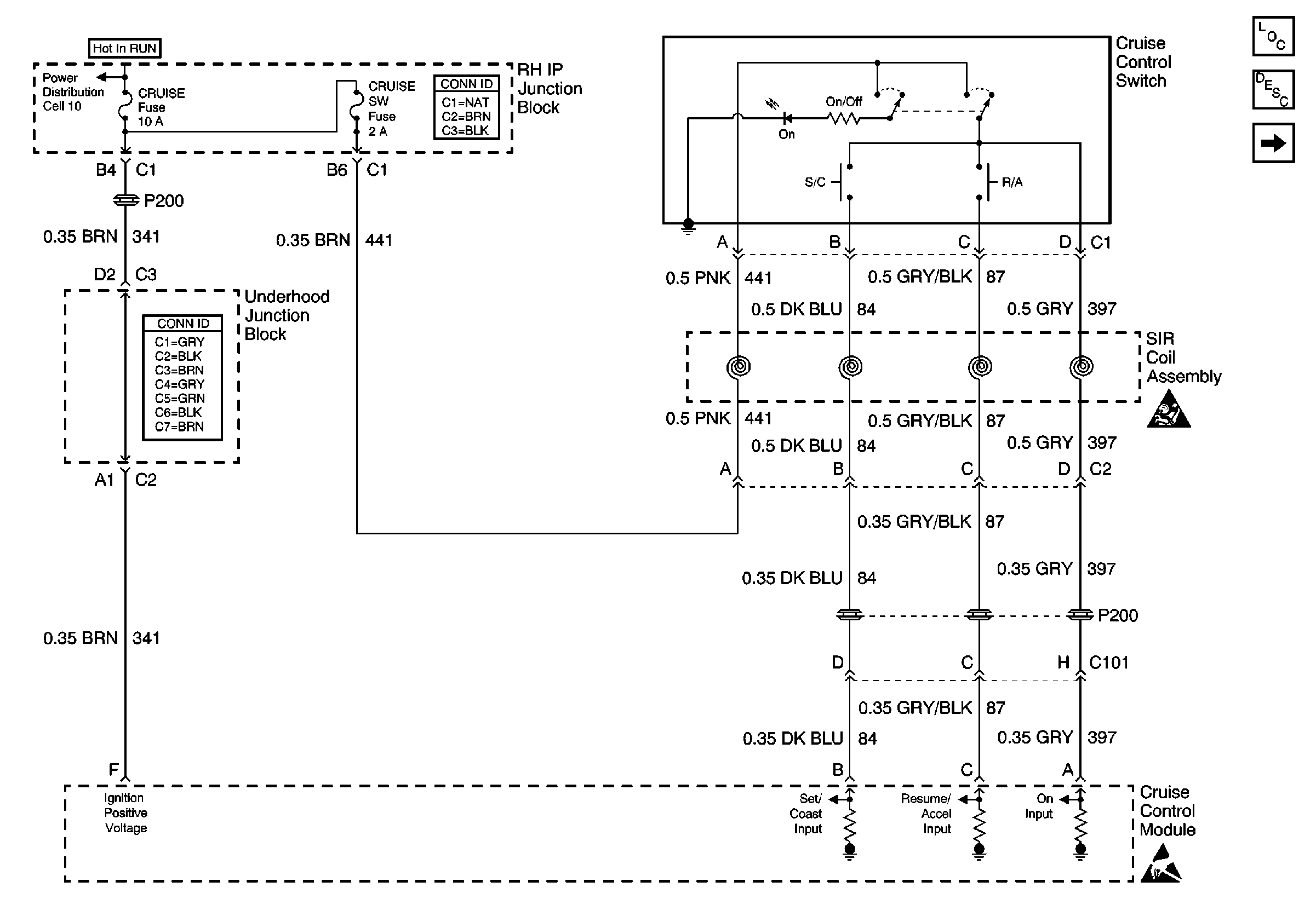
Figure
1:
Cell 34: Cruise Control Switch and SIR Coil Assembly
Cruise Control Components
Cruise Control System Circuit Description
Cell 34: Cruise Control Brake Switch and Powertrain Control Module
SIR Handling Caution
Power Distribution Schematics
Figure
2:
Cell 34: Cruise Control Brake Switch and Powertrain Control Module
Cruise Control Components
Cruise Control System Circuit Description
Cell 34: Cruise Control Switch and SIR Coil Assembly
Handling ESD Sensitive Parts Notice
Handling ESD Sensitive Parts Notice
Handling ESD Sensitive Parts Notice
Power Distribution Schematics
Ground Distribution Schematics