GM Service Manual Online
For 1990-2009 cars only
Makes
🢒
Chevrolet
🢒
1999
🢒
Malibu
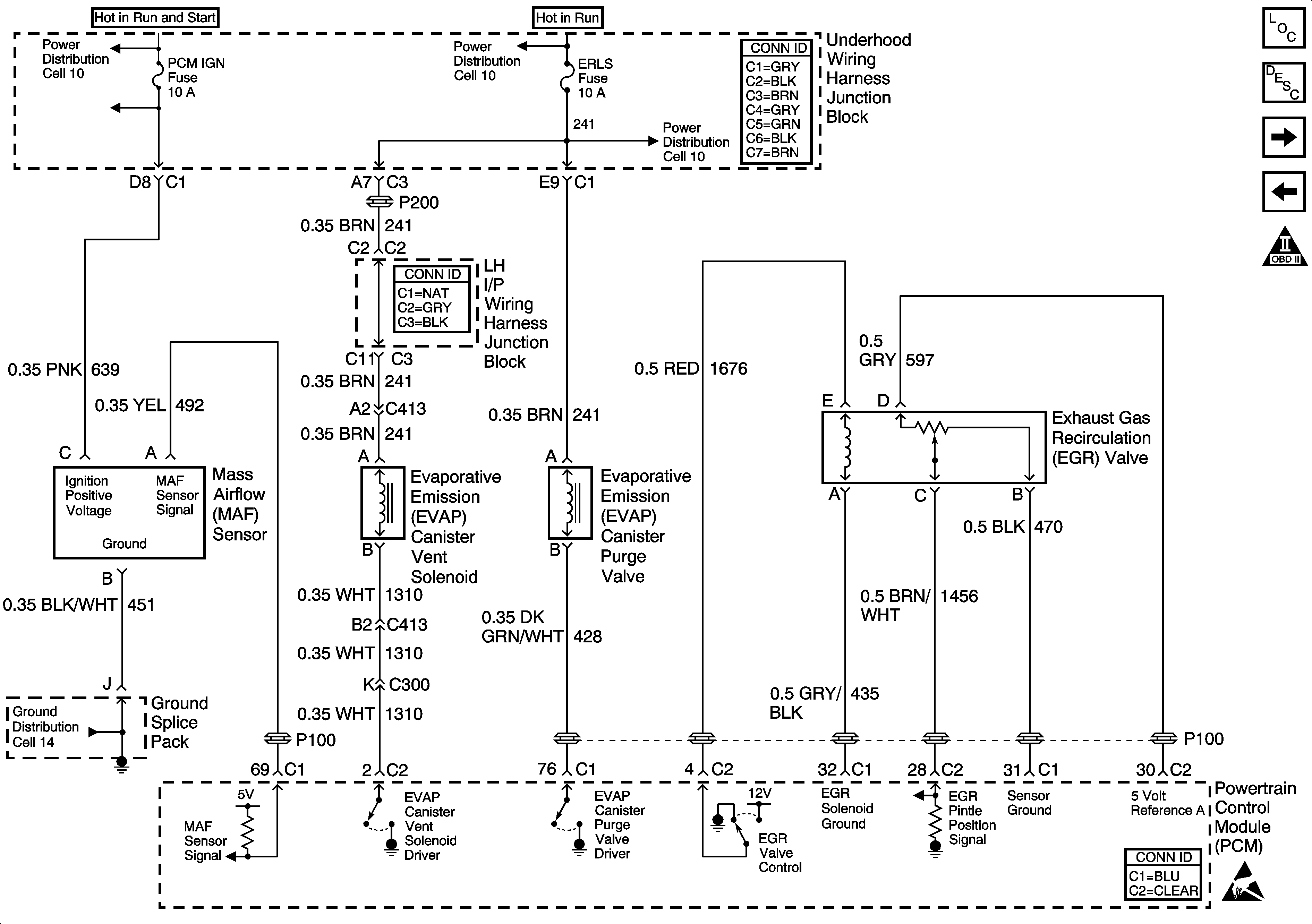
🢒 Cell 21: EVAP and EGR Controls
Cell 21: EVAP and EGR Controls
Cell 21: EVAP and EGR Controls
Engine Controls Components
Information Sensors/Switches Description
Cell 21: Oxygen Sensors
Cell 21: Engine Data Sensors
OBDII Symbol Description Notice
Handling Electrostatic Discharge Sensitive Parts Notice