GM Service Manual Online
For 1990-2009 cars only
Makes
🢒
Chevrolet
🢒
1999
🢒
Malibu
🢒 Cell 23: Oxygen Sensors
Cell 23: Oxygen Sensors
Cell 23: Oxygen Sensors
Engine Controls Component Views
Powertrain Control Module Description
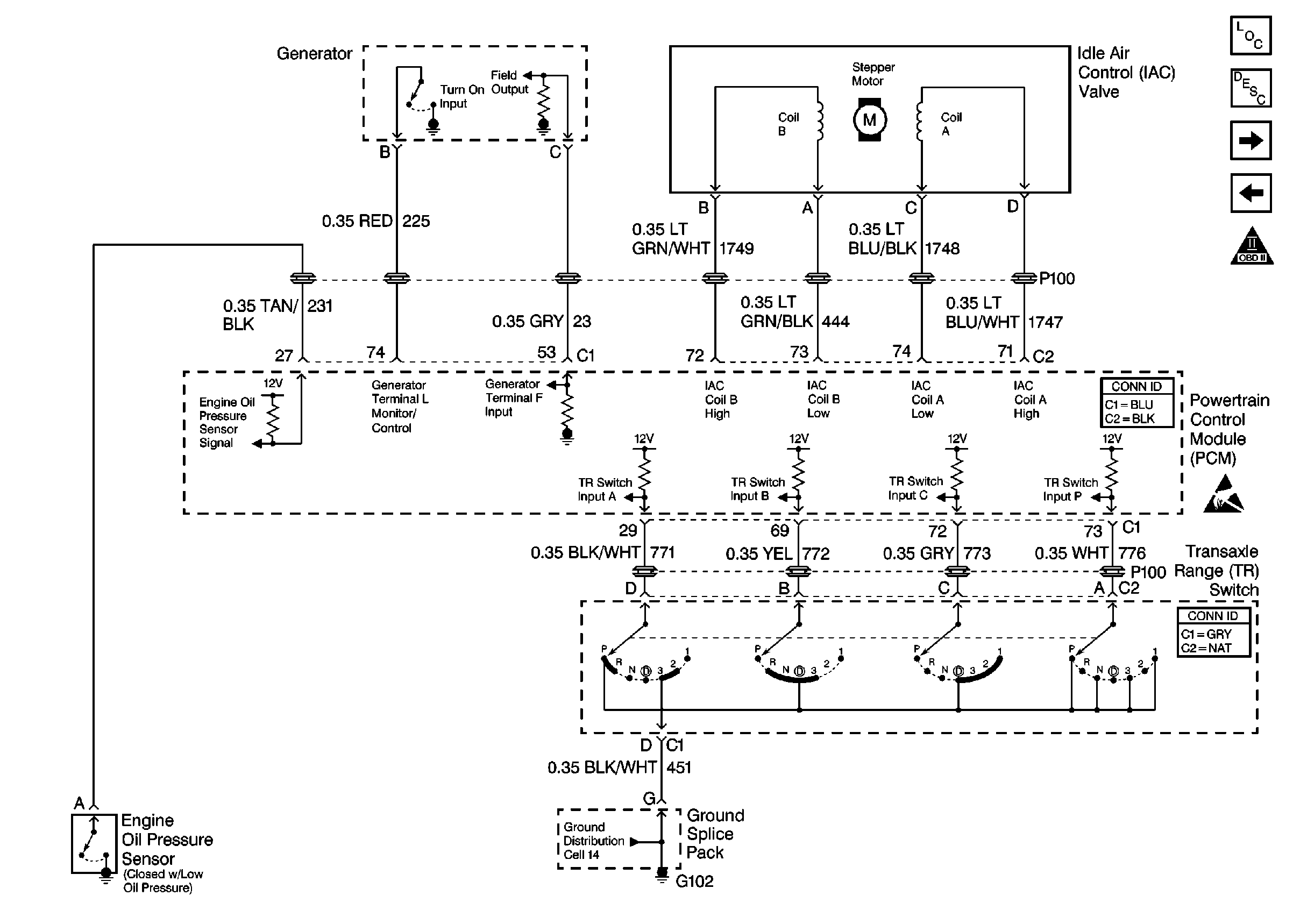
Cell 23: IAC Valve, Generator, TR and Oil Switches
Cell 23: EVAP and EGR Controls
OBDII Symbol Description Notice
Handling ESD Sensitive Parts Notice
Ground Distribution Schematics