GM Service Manual Online
For 1990-2009 cars only

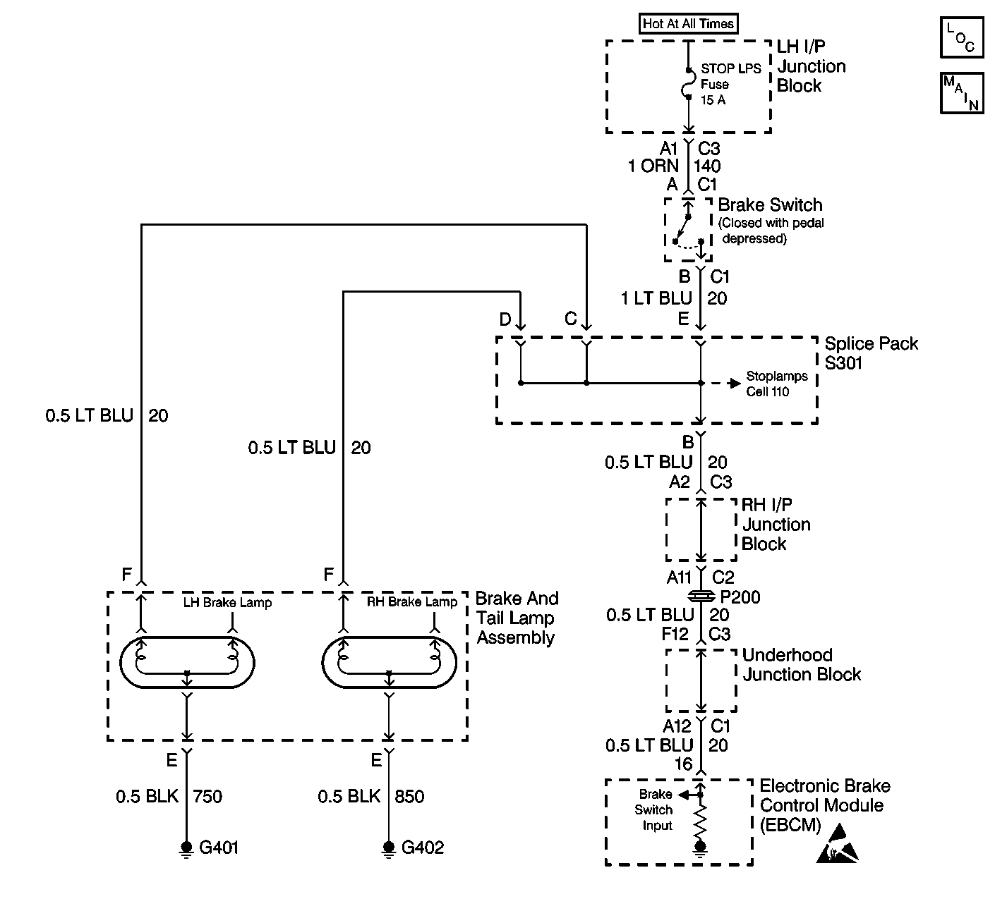
Object Number: 410541  Size: LF
ABS Components
Antilock Brake System Schematics
Handling ESD Sensitive Parts Notice

Circuit Description

If DTC 1291 or DTC 1292 failed during the last ignition cycle, DTC C1293 becomes a current failure during the next ignition cycle. DTC C1293 failure keeps ABS disabled until identifying a Brake Switch ON state. When identifying a change during an ignition cycle in which DTC C1293 is a current malfunction, DTC C1291 or DTC 1292 will clear itself at the end of the current ignition cycle. ABS will then enable itself at the start of the next ignition cycle. DTC C1293 alone indicates DTC C1291 or DTC C1292 failed previously, but is intermittent, or has been corrected.

Conditions for Setting the DTC

DTC C1293 alone indicates DTC C1291 or C1292 occurred previously, but is intermittent, or has been corrected.

Action Taken When the DTC Sets

    • A malfunction DTC stores.
    • ABS is disabled until the EBCM receives a valid input from the brake switch.
    • The ABS warning indicator turns ON.

Conditions for Clearing the DTC

    • The condition responsible for setting the DTC no longer exists and the Scan Tool Clear DTCs function is used.
    • When a change is seen during an ignition cycle in which DTC C1293 is a current malfunction, DTC C1291 or C1292 will clear itself at the end of the current ignition cycle and ABS will enable itself at the start of the next ignition cycle.

Diagnostic Aids

Use the Data List of the Scan Tool to verify proper brake switch operation. The Data List should display the brake switch as the brake is applied within 25 mm (1.0 in) of brake pedal travel.

Step

Action

Value(s)

Yes

No

1

Was the ABS Diagnostic System Check performed?

--

Go to Step 2

Go to Diagnostic System Check - ABS

2

  1. Install a Scan Tool .
  2. Use the Scan Tool to read the DTCs.

Is DTC C1291 or DTC C1292 set as either a current and/or a history DTC?

--

Go to DTC C1291 Open Brake Lamp Switch Contacts During Deceleration or DTC C1292 Open Brake Lamp Switch When ABS Was Required

Go to Step 3

3

  1. Select DTC history on the Scan Tool .
  2. Verify that the malfunction frequency was infrequent.
  3. Use the Scan Tool in order to clear the DTCs.

Did DTC C1293 clear?

--

Go to Diagnostic System Check - ABS

Go to Step 4

4

Replace the EBCM. Refer to Electronic Brake Control Module Replacement .

Is the repair complete?

--

Go to Diagnostic System Check - ABS

--