GM Service Manual Online
For 1990-2009 cars only

Object Number: 70619  Size: MF
Engine Controls Components
Cell 23: EVAP and EGR Controls
OBD II Symbol Description Notice
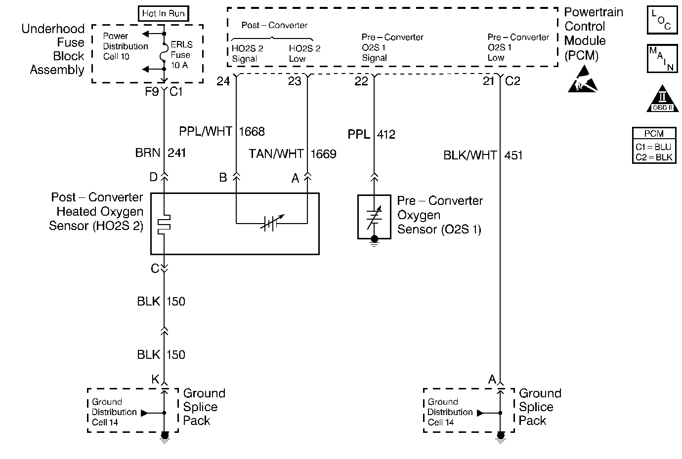
Powertrain Control Module Connector End Views
Handling ESD Sensitive Parts Notice

Circuit Description

A three-way catalytic (TWC) converter is used in order to control the exhaust emissions of hydrocarbons (HC), carbon monoxide (CO), and oxides of nitrogen (NOx). The catalyst within the converter promotes a chemical reaction which oxidizes the HC and the CO that is present in the exhaust gas. This will convert the HC and the CO into a harmless water vapor and a carbon dioxide, and reduces the NOx, converting the NOx into nitrogen. The catalytic converter also has the ability to store oxygen. The Powertrain Control Module (PCM) has the capability to monitor this process by using a heated oxygen sensor (HO2S) which is in the exhaust stream past the three-way catalytic converter. The HO2S produces an output signal which indicates the oxygen storage capacity of the catalyst. This in turn indicates the catalysts ability to convert the exhaust emissions effectively. The PCM monitors the catalyst efficiency by first allowing the catalyst to heat up, waiting for a stabilization period while the engine is idling. Then, the PCM adds and removes the fuel while monitoring the reaction of the HO2S. When the catalyst is functioning properly, the HO2S 2 response to the extra fuel is slow compared to the O2S 1. When the HO2S 2 response is close to that of the O2S 1, the oxygen storage capability or efficiency of the catalyst is considered to be bad and the MIL will illuminate.

Conditions for Running the DTC

    • DTCs P0105, P0107, P0108, P0112, P0113, P0117, P0118, P0122, P0123, P0131, P0132, P0133, P0134, P0137, P0138, P0140, P0141, P0171, P0172, P0200, P0300-P0304, P0440, P0442, P0502, P0506, P0507, P0562, P0563, P0601, P1133, P1171, P1336, and P1441 are not set.
    • The engine has been running longer than 520 seconds after the throttle has moved.
    • The BARO is above 72 kPa.
    • The vehicle is in a Closed Loop operation.
    • The vehicle has been driven above 1000 RPM for greater than 45 seconds.
    • Battery voltage is greater than 9 volts.

Then, with the vehicle stopped:

    • Engine is idling less than 150 RPM from the desired idle.
    • The vehicle is in drive.
    • The Throttle Position (TP) is 0 percent.
    • The Engine Coolant Temperature (ECT) is above 75°C (167°F) and below 125°C (257°F).
    • The Intake Air Temperature (IAT) is above -20°C (-4°F) and less than 80°C (176°F).
    • The Short Term (ST) fuel trim is between 93 (-28 percent) and 163 (+28 percent).
    • The catalytic temperature is above 501°C (934°F). (In order to obtain the correct temperature to run the test, drive the vehicle until the converter temperature is 100°C (180°F) above the condition for running the DTC).
    • The above conditions are present for up to 30 seconds.

Conditions for Setting the DTC

The HO2S 2 response is too quick.

Action Taken When the DTC Sets

    • The Malfunction Indicator Lamp (MIL) will illuminate.
    • The PCM will record the operating conditions at the time that the diagnostic fails. The Freeze Frame and Failure Records buffers will store this information.
    • A history DTC stores.

Conditions for Clearing the MIL/DTC

    • The MIL will turn OFF after three consecutive ignition cycles in which the diagnostic runs without a fault.
    • A history DTC will clear after 40 consecutive warm-up cycles without a fault.
    • The MIL/DTCs can be cleared by using the scan tool.

Diagnostic Aids

The catalyst test may abort due to a change in the engine load. Do not change the engine load (i.e. the A/C, the coolant fan, the heater motor) while a catalyst test is in progress.

An Intermittent problem may be caused by the following conditions:

    • Poor electrical connection
    • Rubbed through wire insulation
    • Broken wire inside of the insulation

Thoroughly check any suspected circuitry for the following conditions:

    • Backed out terminals
    • Improper mating
    • Broken locks
    • Improperly formed or damaged terminals
    • Poor terminal to wiring connections or physical damage to the wiring harness

Refer to Symptoms for further diagnosis.

Test Description

The number(s) below refer(s) to the step number(s) on the Diagnostic Table.

  1. The Powertrain OBD System Check prompts you to complete some of the basic checks and to store the freeze frame and failure records data on the scan tool if applicable. This creates an electronic copy of the data captured when the malfunction occurred. The scan tool stores this data for later reference.

  2. If any component DTCs are set, diagnose those DTCs first. A malfunction in a component can cause the converter to appear degraded or may have caused the malfunction.

  3. This step includes checks for conditions that can cause the three-way catalytic converter to appear degraded. Repair any problems found before proceeding with this table.

  4. If you need to replace the three-way catalytic converter, make sure that another condition is not present which would cause damage to the converter. Correct any possible causes of converter damage before replacing the catalytic converter in order to avoid damage to the replacement converter.

    These conditions may include the following items:

  5. • Engine misfire
    • High engine oil or coolant consumption
    • Retarded spark timing
    • Weak spark
  6. Clearing the DTCs allows the catalyst test to be run up to 6 times this ignition cycle. Once the ignition switch is cycled, the test will run only once. Driving the vehicle heats the catalyst to a test temperature. The engine speed must be above idle for a predetermined amount of time before the PCM will allow the catalyst test to run. Once at idle, the PCM will allow the system to stabilize and then test the catalyst in 2 stages.

  7. If you have found no malfunctions at this point and no additional DTCs were set, refer to Diagnostic Aids for additional checks and information.

DTC P0420 - Three Way Catalyst (TWC) System Low Efficiency

Step

Action

Value(s)

Yes

No

1

Did you perform the Powertrain On-Board Diagnostic (OBD) System Check?

--

Go to Step 2

Go to

Powertrain On Board Diagnostic (OBD) System Check

2

  1. Turn ON the ignition switch leaving the engine OFF.
  2. Install a scan tool.

Were any component DTCs set?

--

Go to Component DTC Tables first

Go to Step 3

3

  1. Turn OFF the ignition switch.
  2. Visually/Physically check the following:
  3. • The exhaust system for leaks
    • The Rear Heated Oxygen Sensor (HO2S 2) for leaks

Was a problem found?

--

Go to Step 4

Go to Step 5

4

Repair the exhaust system as necessary.

Is the action complete?

--

Go to Step 6

--

5

Replace the three-way catalytic converter. Refer to the Catalytic Converter Replacement in Engine Exhaust.

Is the action complete?

--

Go to Step 6

--

6

  1. Using the scan tool, clear the DTCs.
  2. Start the engine.
  3. Idle the engine at the normal operating temperature.
  4. Operate the vehicle within the conditions for running this DTC as specified in the supporting text.

Does the scan tool indicate that this diagnostic ran and passed?

--

Go to Step 7

Go to Step 2

7

Check to see if any additional DTCs are set.

Does the scan tool display any DTCs that you have not diagnosed?

--

Go to the applicable DTC table

System OK