GM Service Manual Online
For 1990-2009 cars only

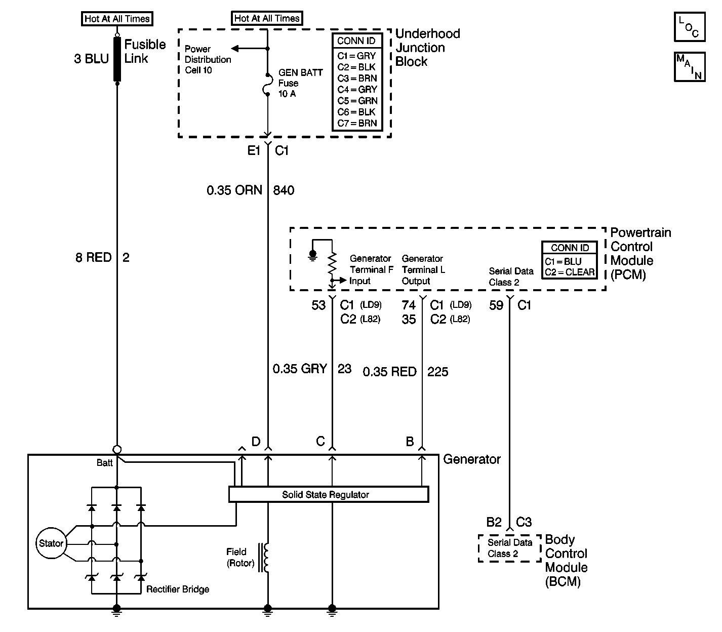
Object Number: 422165  Size: LF
Charging System
Body Control Module Components

Circuit Description

This DTC determines if a fault exists that renders the generator PWM continuously low.

Conditions for Setting the DTC

All of the following conditions must be met:

    • The powertrain control module (PCM) is sending the engine is running class 2 serial data message.
    • The field terminal present calibration is enabled in the powertrain control module (PCM).
    • The PCM is sending the generator a PWM that is less than 1.96%.
    • The engine RPM is less than or equal to 3000 for 30 seconds.

Action Taken When the DTC Sets

    • The body control module (BCM) stores DTC B1492 in memory.
    • The volts Indicator will illuminate.

Conditions for Clearing the DTC

    • The BCM goes to sleep. The controller reinitializes with the fault cleared.
    • All BCM history codes will be cleared after 100 ignition cycles (from OFF to RUN) with no current codes active during the 100 ignition cycles.
    • Use the scan tool.

Diagnostic Aids

    • The generator F-terminal will be low while the engine is running.
    • If the DTC is a history DTC, the problem may be intermittent. Perform the tests shown while wiggling the wiring and connectors. This can often cause the malfunction to appear.

Test Description

The numbers listed below refer to the numbers on the diagnostic table.

  1. This step determines if the 23 circuit has a short to ground condition.

  2. This step determines if CKT 23 is open.

  3. This step determines if the PCM is reading a low Generator PWM with the generator connector terminal C and terminal D jumped.

  4. This step determines if the PCM is reading the proper generator PWM through the scan tool.

Step

Action

Value(s)

Yes

No

Important: A short to ground will cause an open fuse(s). Before performing this diagnostic procedure, inspect the fuse(s) for an open.

1

Was the body control module system check performed?

--

Go to Step  2

Go to Body Control Module System Check

2

  1. Disconnect the PCM connector C2 (L82) or connector C1 (LD9).
  2. Disconnect the generator connector.
  3. Use the J 39200 DMM in order to measure the the resistance in CKT 23 between the PCM connector C2 terminal 29 (connector C1 terminal 53 for LD9) and ground.

Is the measured resistance equal to the specified value?

Go to Step  4

Go to Step  3

3

Repair the short to ground in CKT 23 between the PCM connector C2 terminal 29 (connector C1 terminal 53 for LD9) and the generator connector. Refer to Wiring Repairs in Wiring Systems.

Is the circuit repair complete?

--

Go to Step  10

--

4

Use the J 39200 DMM in order to measure the resistance in CKT 23 between the PCM connector C2 terminal 29 (connector C1 terminal 53 for LD9) and the generator connector terminal C.

Is the measured resistance within the specified range?

0-2ohms

Go to Step  6

Go to Step  5

5

Repair the open in CKT 23 between the PCM connector C2 terminal 29 (connector C1 terminal 53 for LD9) and the generator connector terminal C. Refer to Wiring Repairs in Wiring Systems.

Is the circuit repair complete?

--

Go to Step  10

--

6

  1. Use a fused jumper across the generator terminal C and terminal D.
  2. Start the engine.
  3. Use the scan tool in order to read the generator PWM.

Is the generator PWM greater than the specified value?

Greater than 50%

Go to Step  7

Go to Step  8

7

  1. Start the engine.
  2. Repeatedly connect and disconnect the Generator.
  3. Use the scan tool in order to read the PCM generator PWM status.

Does the PCM generator PWM oscillate?

--

Go to Step  10

Go to Step  9

8

Replace the PCM. Refer to Powertrain Control Module Replacement 2.4L or Powertrain Control Module Replacement/Programming 3.1L in Engine Controls.

Is the repair complete?

--

Go to Step  10

--

9

Replace the generator. Refer to Generator Replacement in Engine Electrical.

Is the repair complete?

--

Go to Step  10

--

10

Clear the DTCs from the memory.

Are the DTCs cleared from the memory?

--

Go to Body Control Module System Check

--