GM Service Manual Online
For 1990-2009 cars only
Makes
🢒
Chevrolet
🢒
2000
🢒
Malibu
🢒
Body and Accessories
🢒
Cruise Control
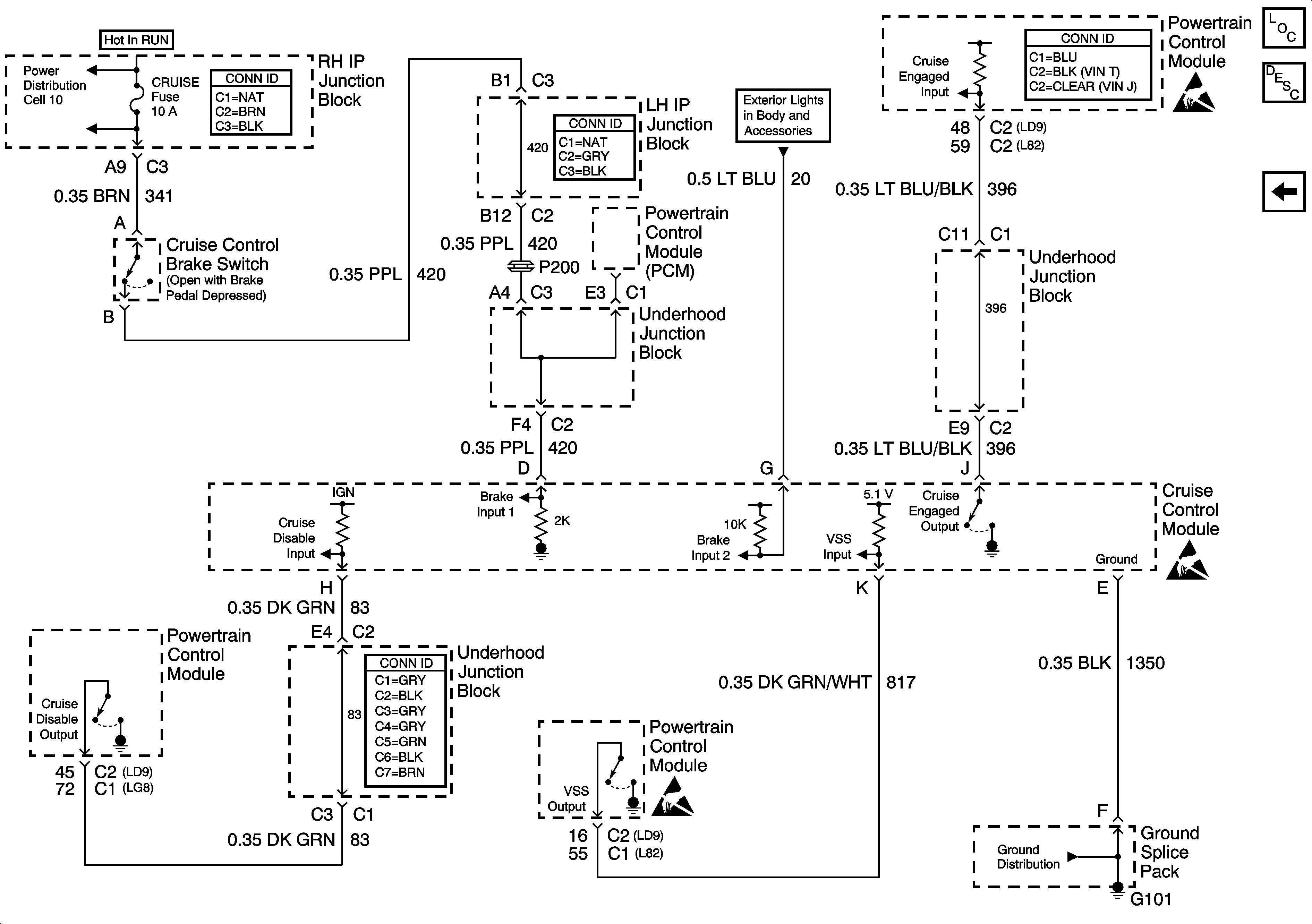
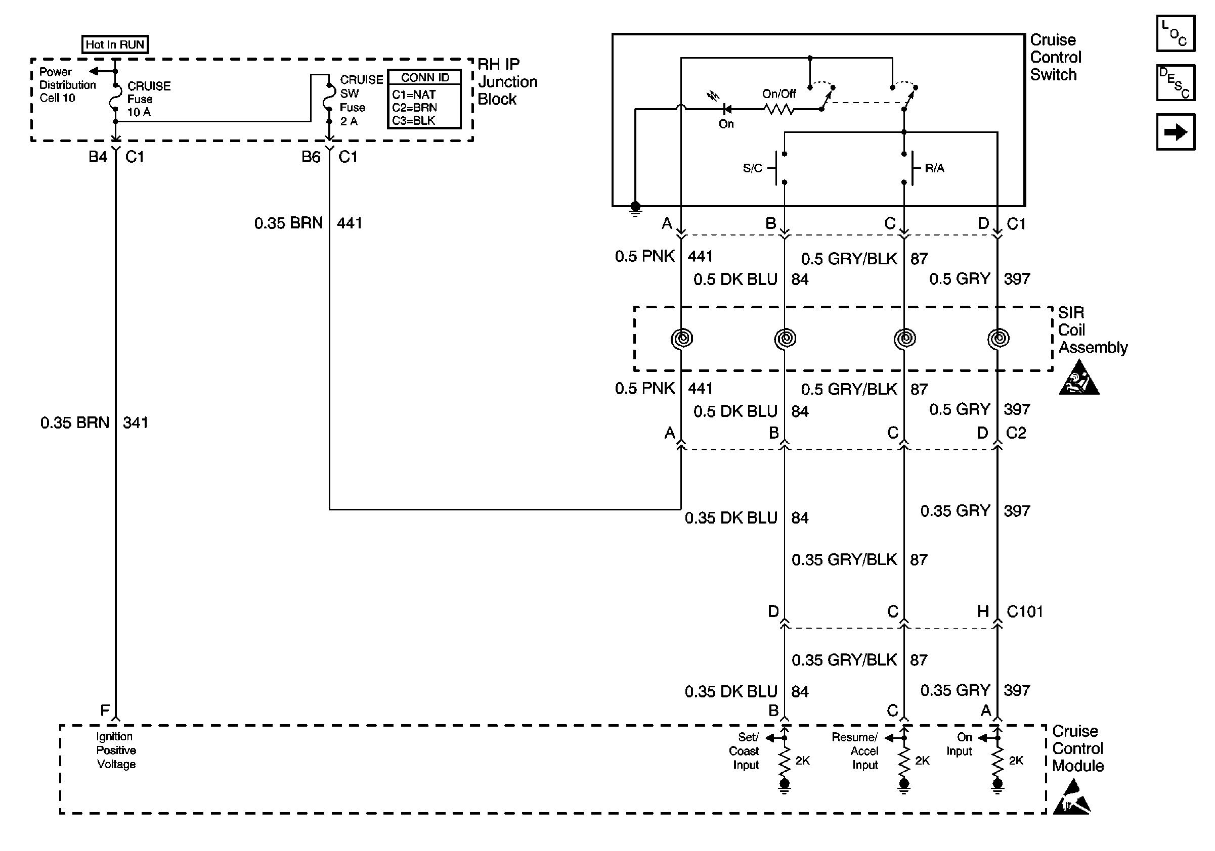
🢒 Cruise Control Schematics
Figure
1:
Cruise Switch
Figure
2:
Cruise Control Module