GM Service Manual Online
For 1990-2009 cars only
Makes
🢒
Chevrolet
🢒
2001
🢒
Malibu
🢒
Transmission/Transaxle
🢒
Shift Lock Control
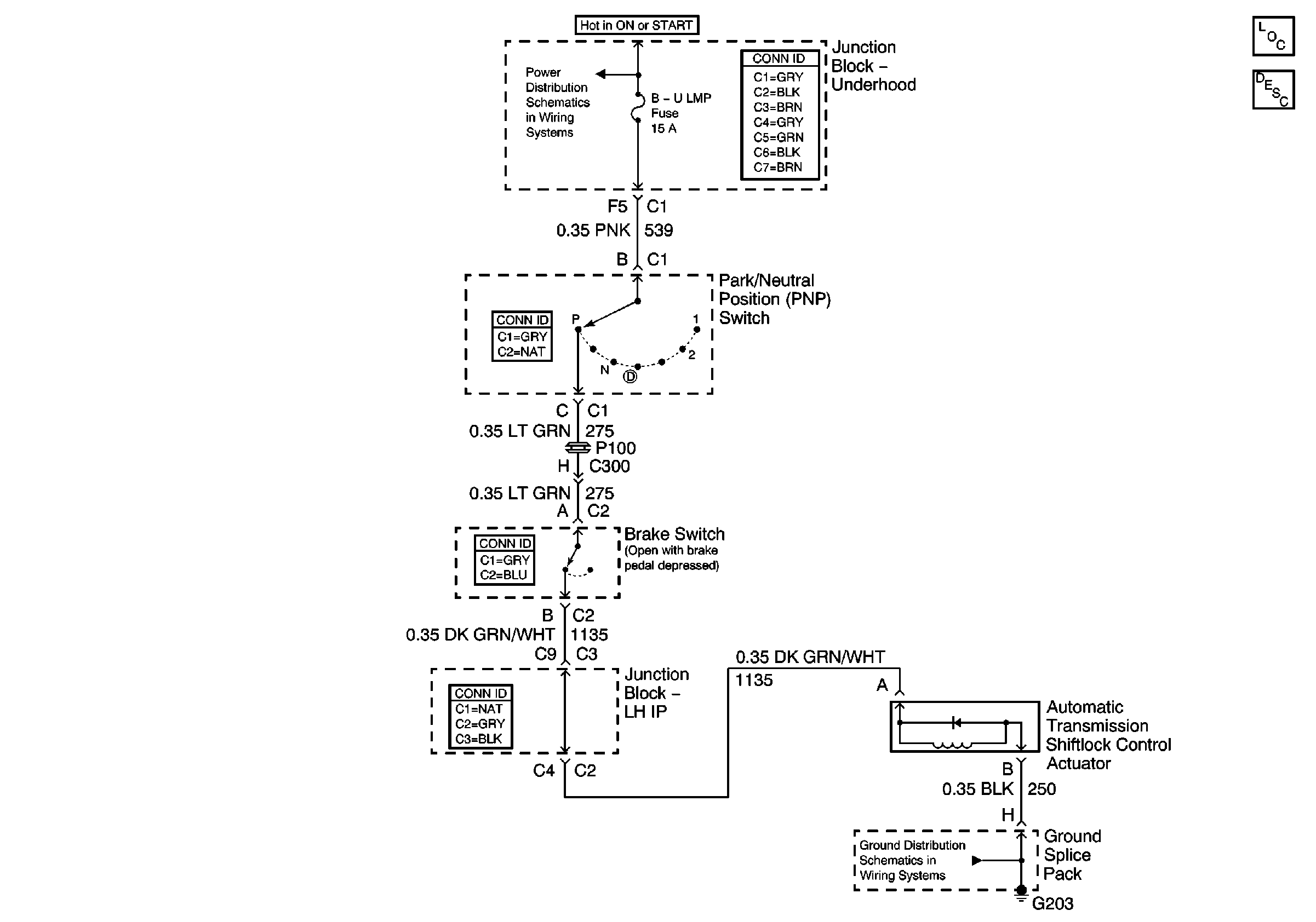
🢒 Shift Lock Control Schematics
Shift Lock Control and Related Components
Master Electrical Component List
Automatic Transmission Shift Lock Control Description and Operation
G203
IGN MOD, B/U LMP, PCM IGN, F/P INJR, A/C BFC, AUTO TRANS and ABS IGN Fuses