GM Service Manual Online
For 1990-2009 cars only
Makes
🢒
Chevrolet
🢒
2001
🢒
Malibu
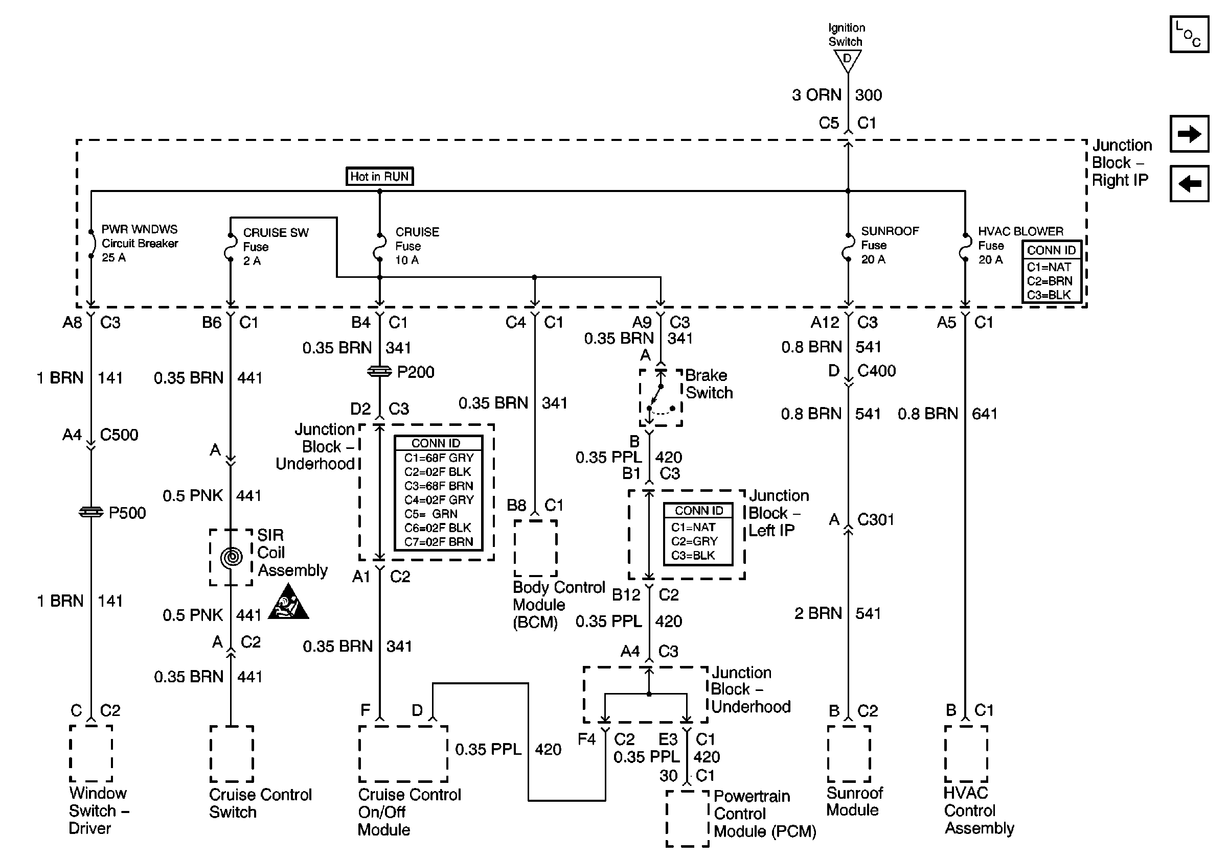
🢒 PWR WINDOWS, CRUISE SW, CRUISE, SUNROOF and HVAC BLOWER Fuses
PWR WINDOWS, CRUISE SW, CRUISE, SUNROOF and HVAC BLOWER Fuses
PWR WINDOWS, CRUISE SW, CRUISE, SUNROOF and HVAC BLOWER Fuses
Master Electrical Component List
HTR, A /C IGN, and ERLS Fuses
IGN MOD, B/U LMP, PCM IGN, F/P INJR, A/C BFC, AUTO TRANS and ABS IGN Fuses
IGN BATT 1, IGN SW BATT 2, AIR BAG, TURN LPS, RDO ACC, WIPER, PCM ACC, and IPC/BFC ACC Fuses
SIR Handling Caution