GM Service Manual Online
For 1990-2009 cars only
Makes
🢒
Chevrolet
🢒
2001
🢒
Malibu
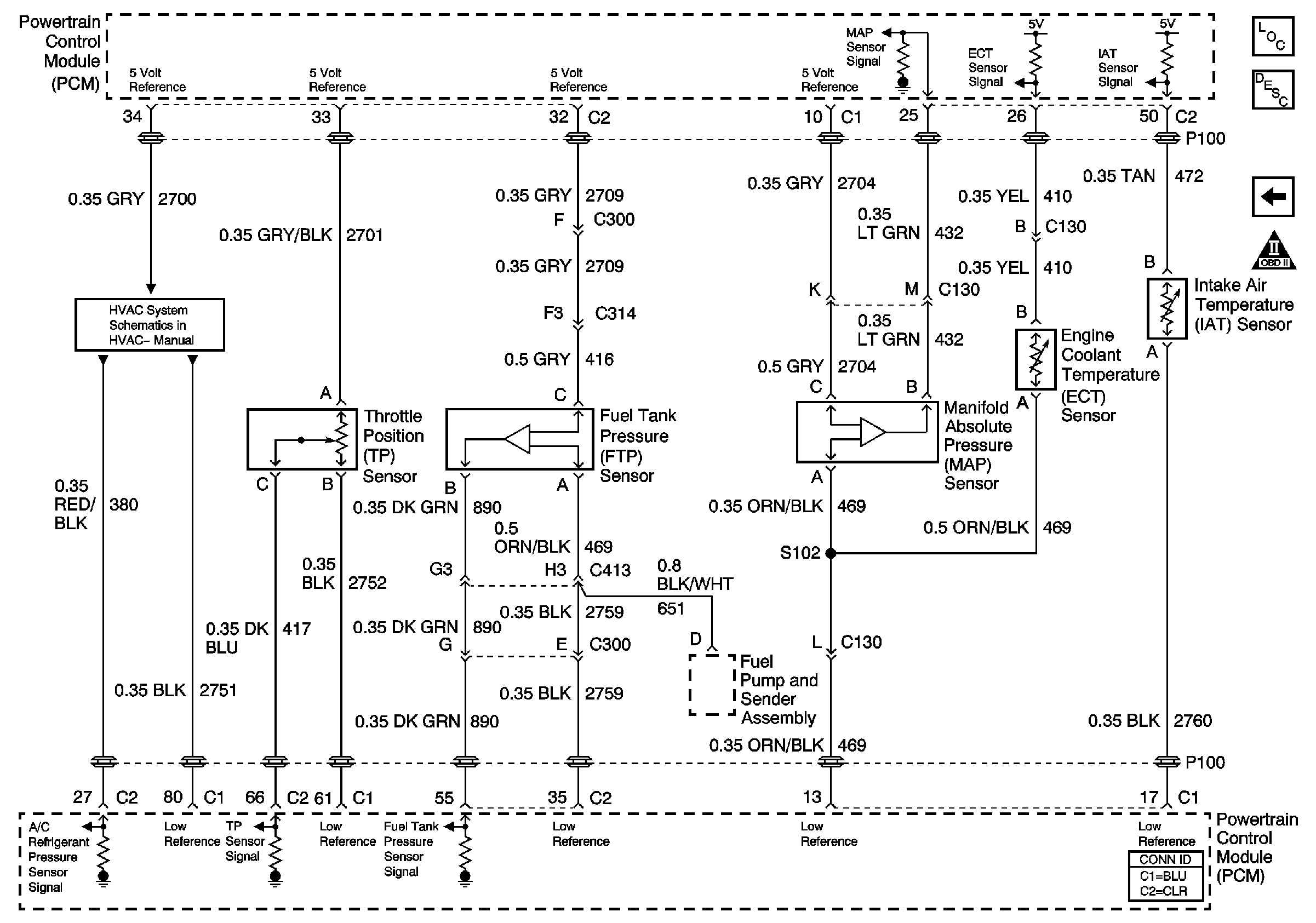
🢒 A / C, TPS, FTP, MAP, ECT, And IAT
A / C, TPS, FTP, MAP, ECT, And IAT
Engine Data Sensors -- TP, FTP, MAP, ECT, and IAT
Master Electrical Component List
Powertrain Control Module Description
OBD II Symbol Description Notice
Ignition Controls
A/C Compressor Controls