GM Service Manual Online
For 1990-2009 cars only
Makes
🢒
Chevrolet
🢒
2001
🢒
Malibu
🢒 Cooling Fans
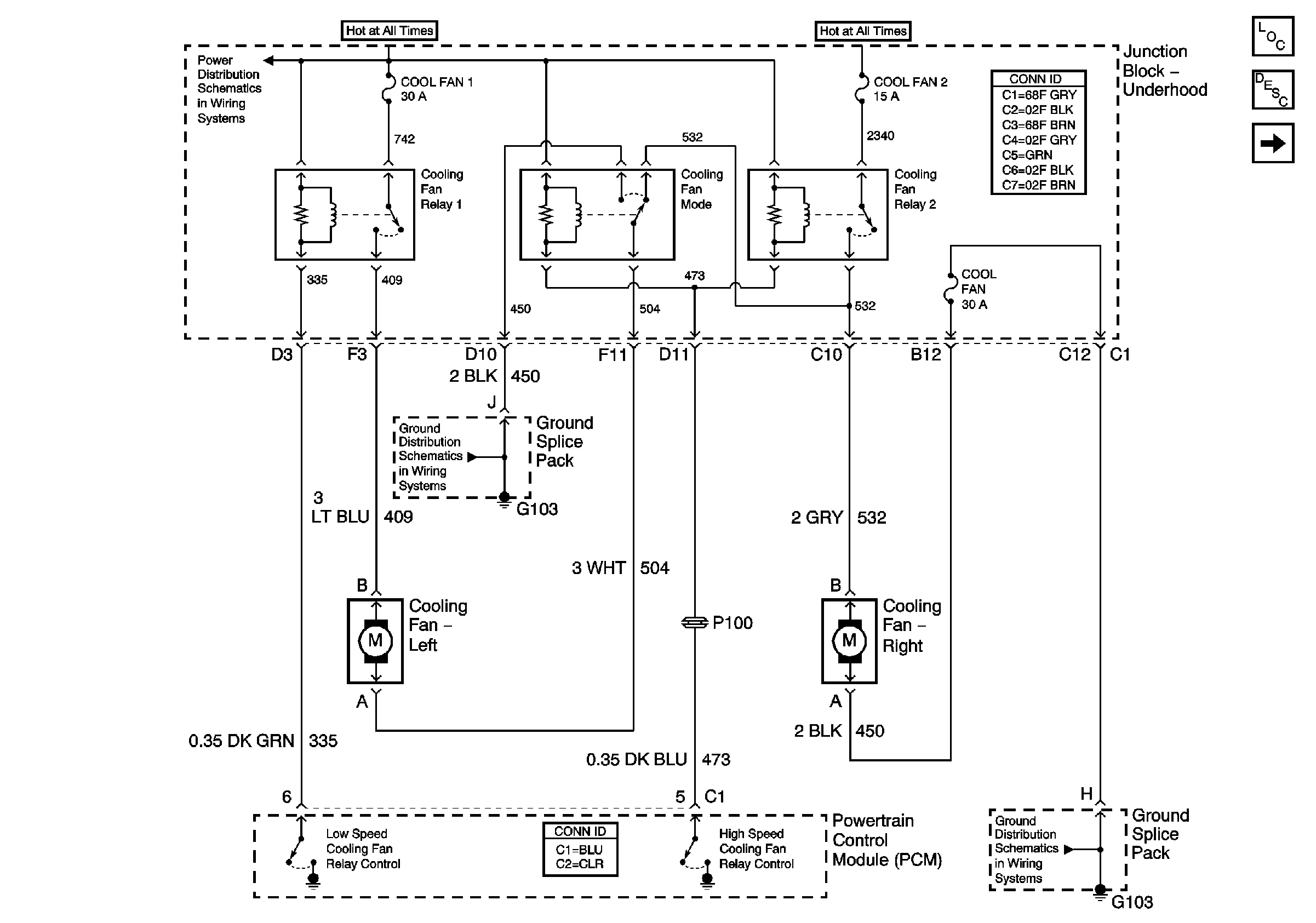
Cooling Fans
Cooling Fans
Master Electrical Component List
Powertrain Control Module Description
Low Coolant Indicator
G103 and G105
G103 and G105
RR DEFOG, HORN, HI BLO MOT, RH BEC BATT, AIR, COOL FAN 1, ABS, INTLPS, RDO BATT, FOG LPS Fuses, REAR DEFOGGER, HORN, FAN CONTROL 1 MODE CONTROL, FAN CONTROL 2 BLOWER MOTOR, AIR PUMP, FOG LAMPS Relays