GM Service Manual Online
For 1990-2009 cars only
Figure 1:

PCM Powers and Grounds


Object Number: 782327  Size: FS
Master Electrical Component List
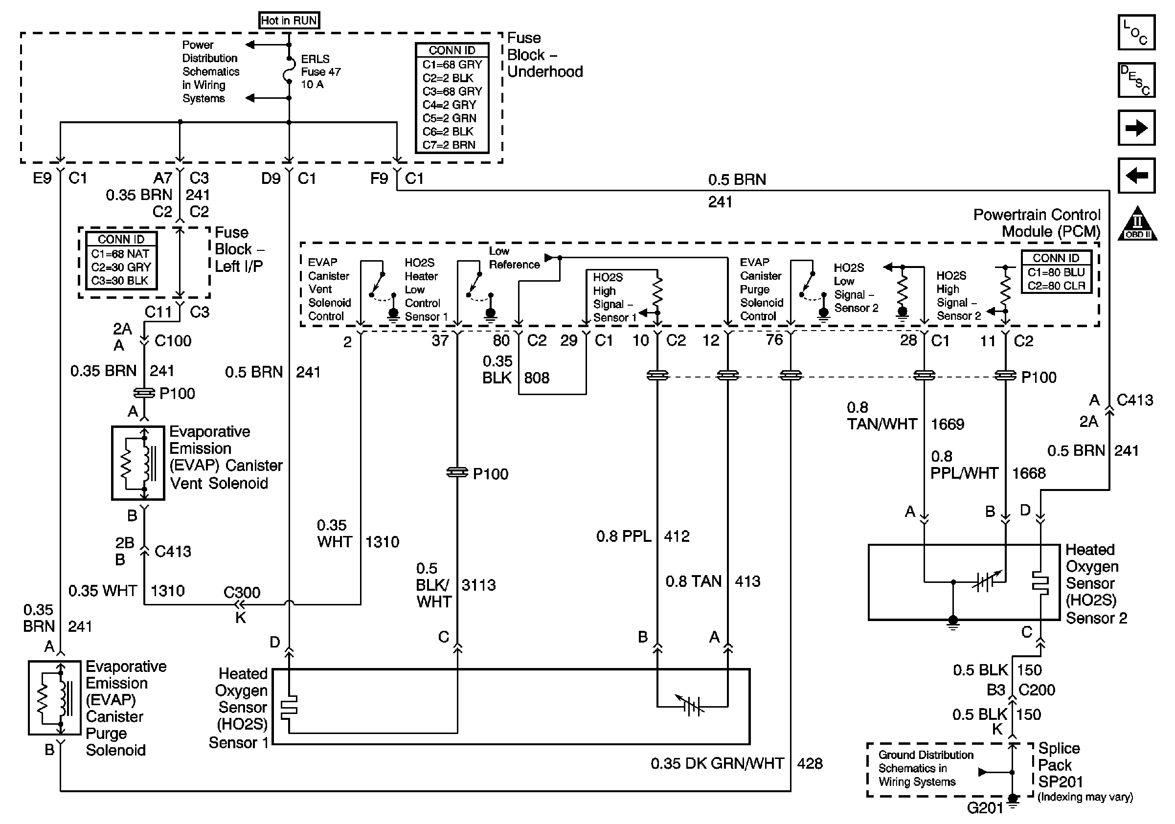
Evaporative Emission Control System Description
Powertrain Control Module Bussing
OBDII Symbol Description Notice
Data Link Communication
Indicators and Communication
IGN BATT 1, IGN SW BATT 2, Ignition Switch
IGN MOD, B/U LMP, PCM IGN, INJR, A/C BFC, AUTO TRANS, ABS IGN Fuses
AUX PWR/CIGAR, PRK LPS, and PCM BATT Fuses
SP102
Figure 2:

Powertrain Control Module Bussing


Object Number: 788900  Size: FS
Master Electrical Component List
Evaporative Emission Control System Description
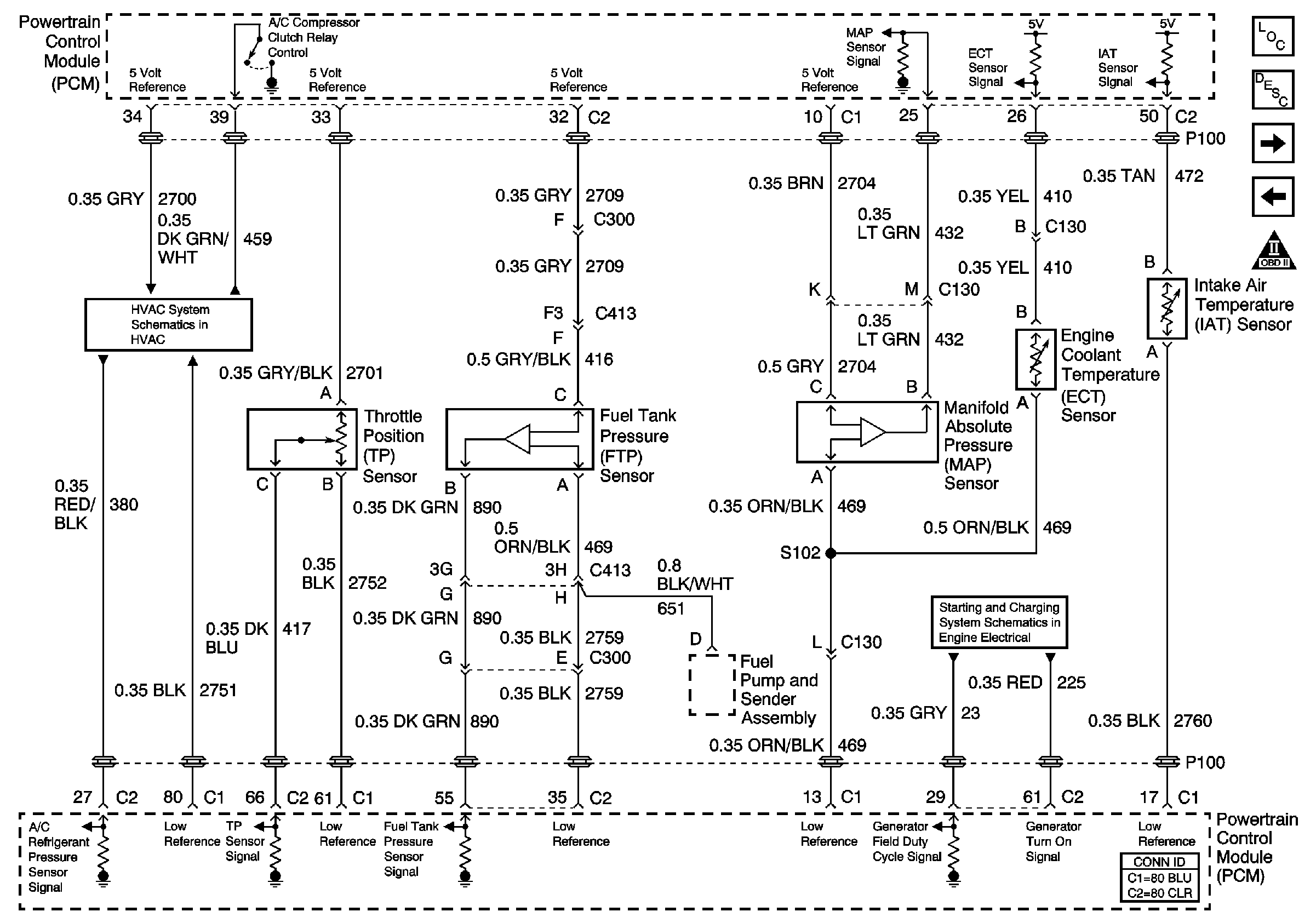
A/C, TPS, FTP, MAP, ECT, and IAC
PCM Powers and Grounds
OBDII Symbol Description Notice
Figure 3:

A/C, TPS, FTP, MAP, ECT, and IAC


Object Number: 782329  Size: FS
Master Electrical Component List
Fuel System Description
Vehicle Speed Sensor
Powertrain Control Module Bussing
OBDII Symbol Description Notice
A/C Compressor Controls
Charging System
Figure 4:

Vehicle Speed Sensor


Object Number: 782332  Size: FS
Master Electrical Component List
Air Intake System Description
Heated Oxygen Sensors and EVAP System
A/C, TPS, FTP, MAP, ECT, and IAC
OBDII Symbol Description Notice
IGN MOD, B/U LMP, PCM IGN, INJR, A/C BFC, AUTO TRANS, ABS IGN Fuses
Brake Switch and Inhibit Signals
Cooling Fans
Power and Grounds
Shift Solenoids
2.2L Engine Charging
Transmission Switches
Shift Solenoids
Figure 5:

Heated Oxygen Sensors and EVAP System


Object Number: 782321  Size: FS
Master Electrical Component List
Evaporative Emission Control System Description
Ignition Controls
Vehicle Speed Sensor
OBDII Symbol Description Notice
HTR A/C IGN and CRLS Fuses
SP201
Figure 6:

Ignition Controls


Object Number: 782325  Size: FS
Master Electrical Component List
Electronic Ignition (EI) System Description
Fuel Injectors
Heated Oxygen Sensors and EVAP System
OBDII Symbol Description Notice
IGN MOD, B/U LMP, PCM IGN, INJR, A/C BFC, AUTO TRANS, ABS IGN Fuses
Power and Grounds
SP103
Engine Controls Schematic Icons
Indicators and Communication
Figure 7:

Fuel Injectors


Object Number: 782330  Size: FS
Master Electrical Component List
Fuel System Description
Fuel Delivery and IAC
Ignition Controls
OBDII Symbol Description Notice
IGN MOD, B/U LMP, PCM IGN, INJR, A/C BFC, AUTO TRANS, ABS IGN Fuses
Figure 8:

Fuel Delivery and IAC


Object Number: 782331  Size: FS
Master Electrical Component List
Exhaust Gas Recirculation (EGR) System Description
Transmission References
Fuel Injectors
OBDII Symbol Description Notice
Indicators and Communication
IGN MOD, B/U LMP, PCM IGN, INJR, A/C BFC, AUTO TRANS, ABS IGN Fuses
SP103
SP301
Figure 9:

Transmission References


Object Number: 827436  Size: FS
Subsystem References
Master Electrical Component List
Powertrain Control Module Description
Transmission Switches
Park Neutral Position (PNP) Switch
OBDII Symbol Description Notice