GM Service Manual Online
For 1990-2009 cars only
Makes
🢒
Chevrolet
🢒
2002
🢒
Malibu
🢒
Transmission/Transaxle
🢒
Automatic Transaxle - 4T40-E/4T45-E
🢒 Automatic Transmission Controls Schematics
Figure
1:
Shift Soleniods
Master Electrical Component List
Automatic Transmission Electrical Connector Description
Transmission Switches
OBDII Symbol Description Notice
CRUISE SW, CRUISE, SUNROOF, and HVAC BLOWER Fuses
IGN MOD, B/U LMP, PCM IGN, INJR, A/C BFC, AUTO TRANS, ABS IGN Fuses
Brake Switch and Inhibit Signals
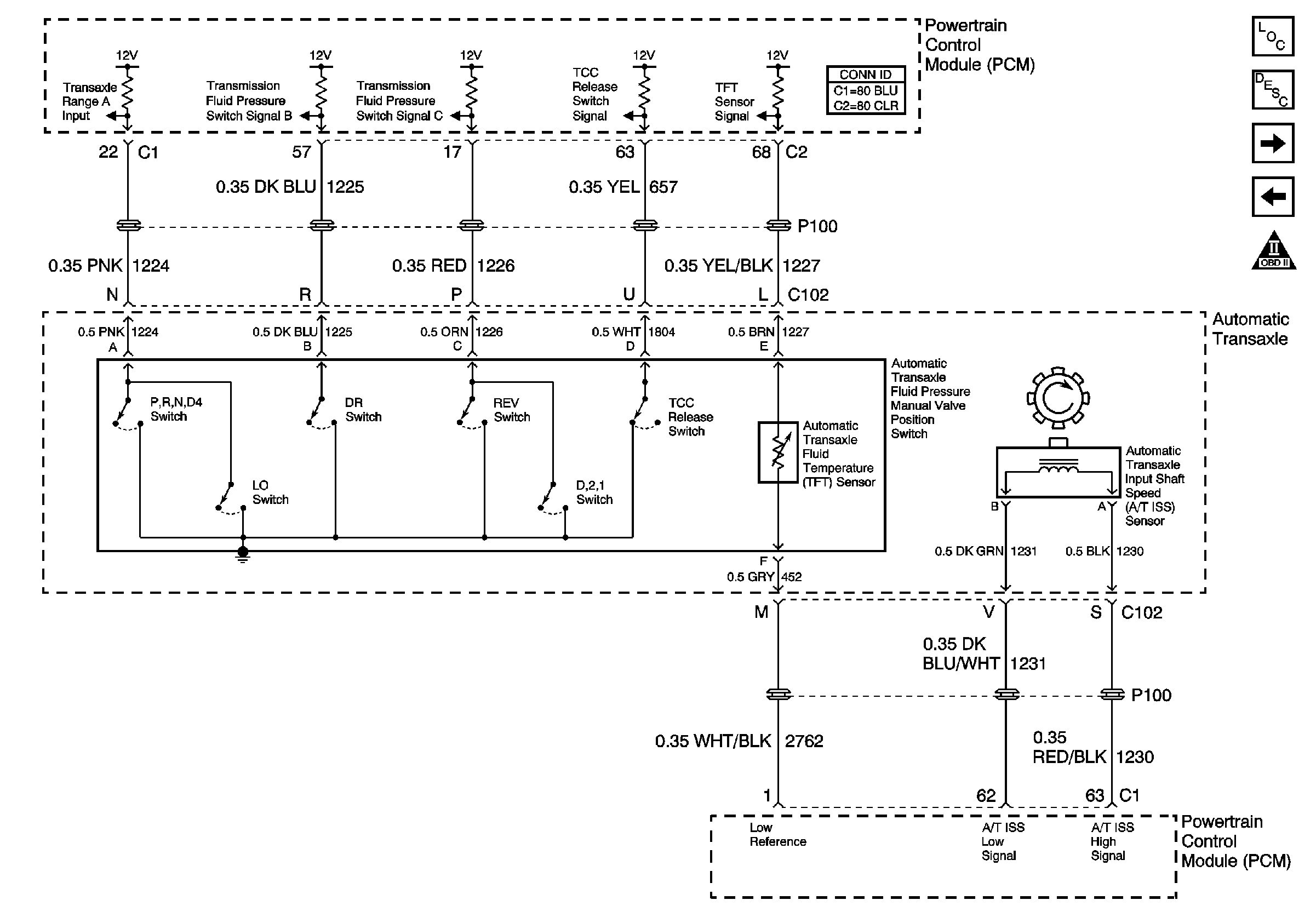
Figure
2:
Transmission Switches
Master Electrical Component List
Automatic Transmission Electrical Connector Description
Shift Solenoids
OBDII Symbol Description Notice
Park Neutral Position (PNP) Switch
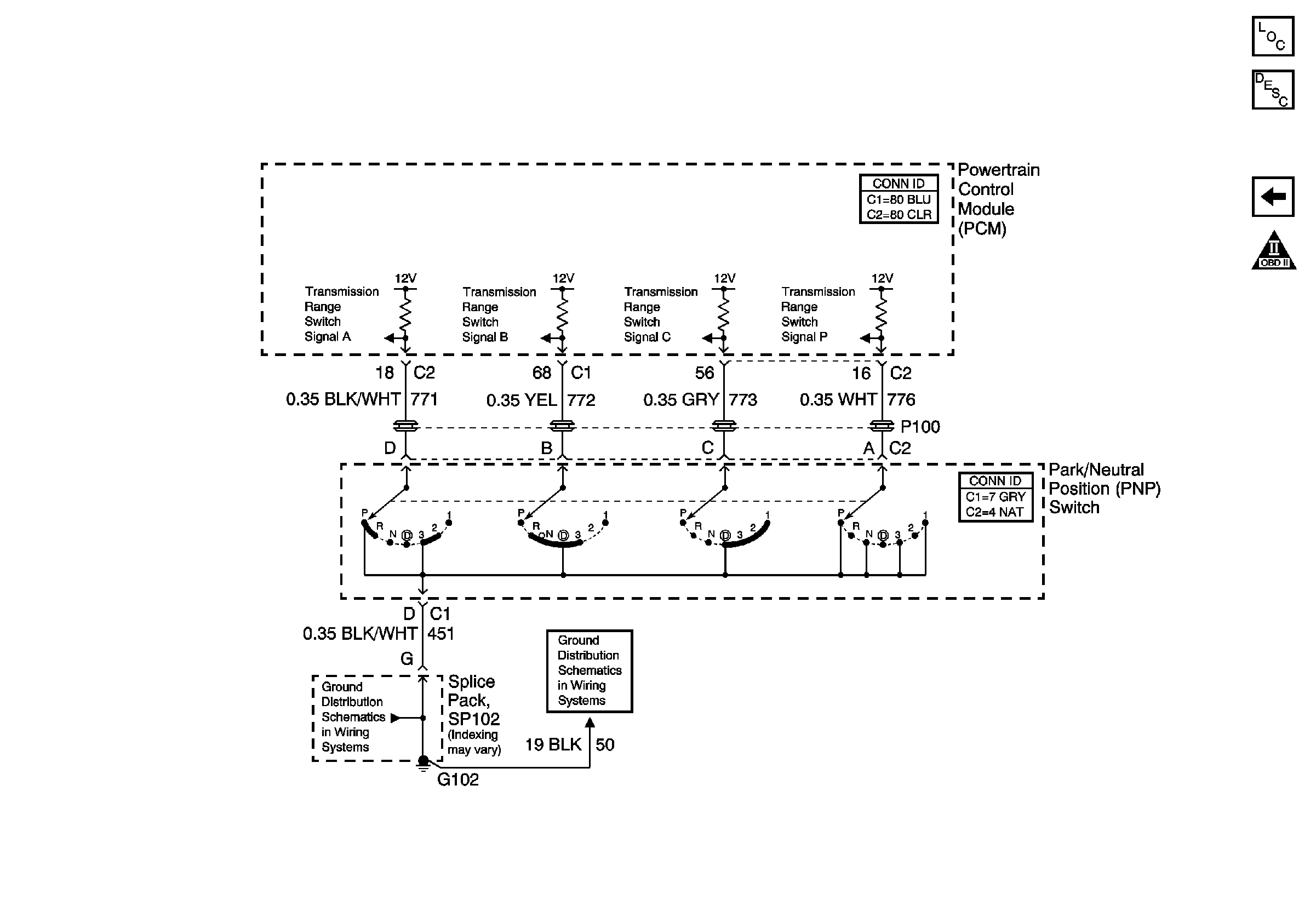
Figure
3:
Park Neutral Position (PNP) Switch
Master Electrical Component List
Automatic Transmission Electrical Connector Description
Transmission Switches
OBDII Symbol Description Notice
SP102
SP102