GM Service Manual Online
For 1990-2009 cars only
Makes
🢒
Chevrolet
🢒
2004
🢒
Malibu
🢒
Vehicle Control Systems
🢒
Vehicle DTC Information
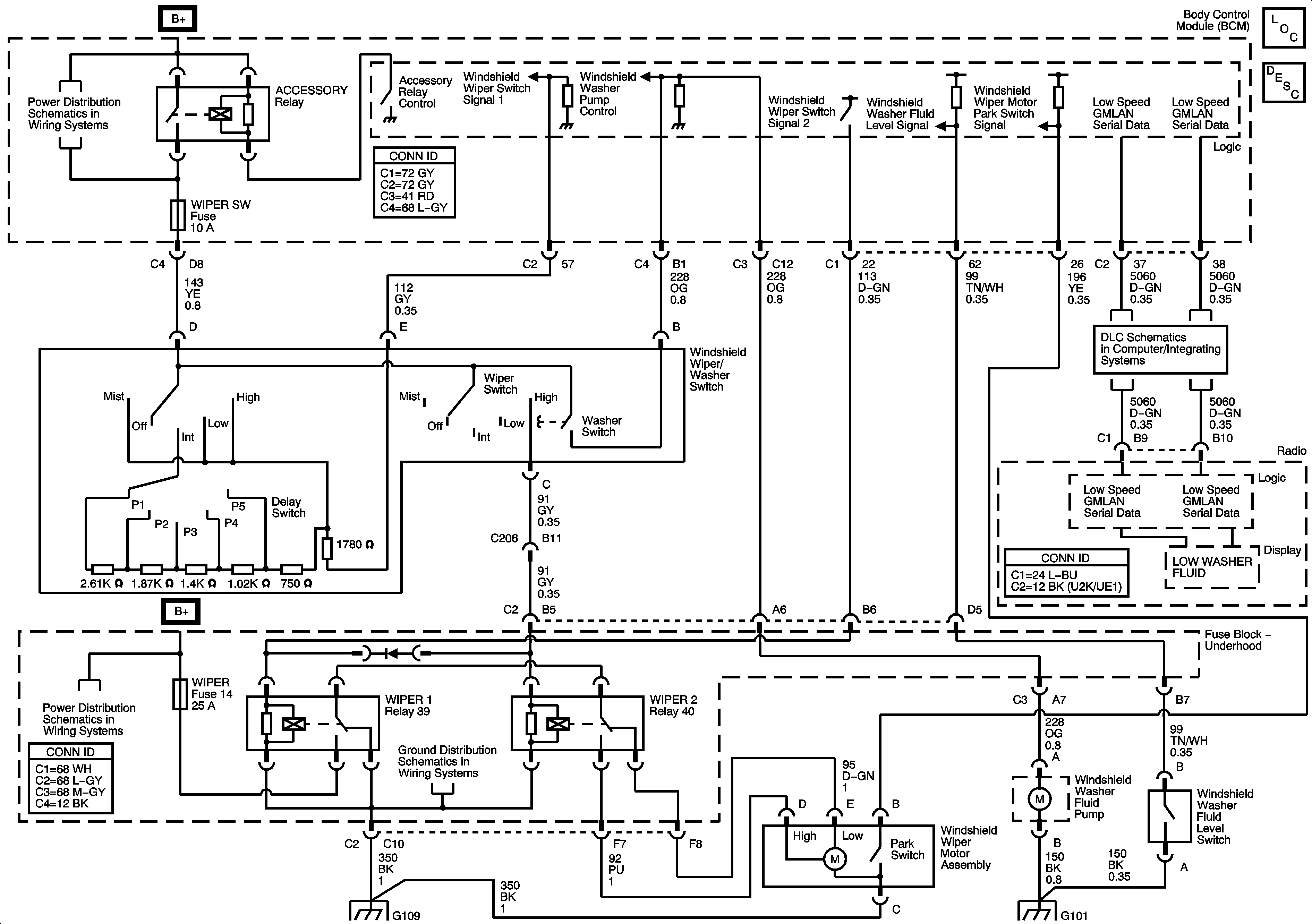
🢒 Wiper/Washer Schematics
Master Electrical Component List
Wiper/Washer System Description and Operation
Fuse Block - Underhood - IBCM 2 Fuse, BCM - DOOR LOCK, INTERIOR LIGHTS, POWER WINDOWS, ROOF/HEAT SEAT, WIPERS SW Fuses and ACCESSORY Relay
Fuse Block - Underhood - IBCM 2 Fuse, BCM - DOOR LOCK, INTERIOR LIGHTS, POWER WINDOWS, ROOF/HEAT SEAT, WIPERS SW Fuses and ACCESSORY Relay
Low Speed Serial Data
Fuse Block Underhood Bussing
Fuse Block Underhood Bussing
G109
G109
G101 and G102