GM Service Manual Online
For 1990-2009 cars only
Makes
🢒
Chevrolet
🢒
2004
🢒
Malibu
🢒 Starting
Starting
Starting
Master Electrical Component List
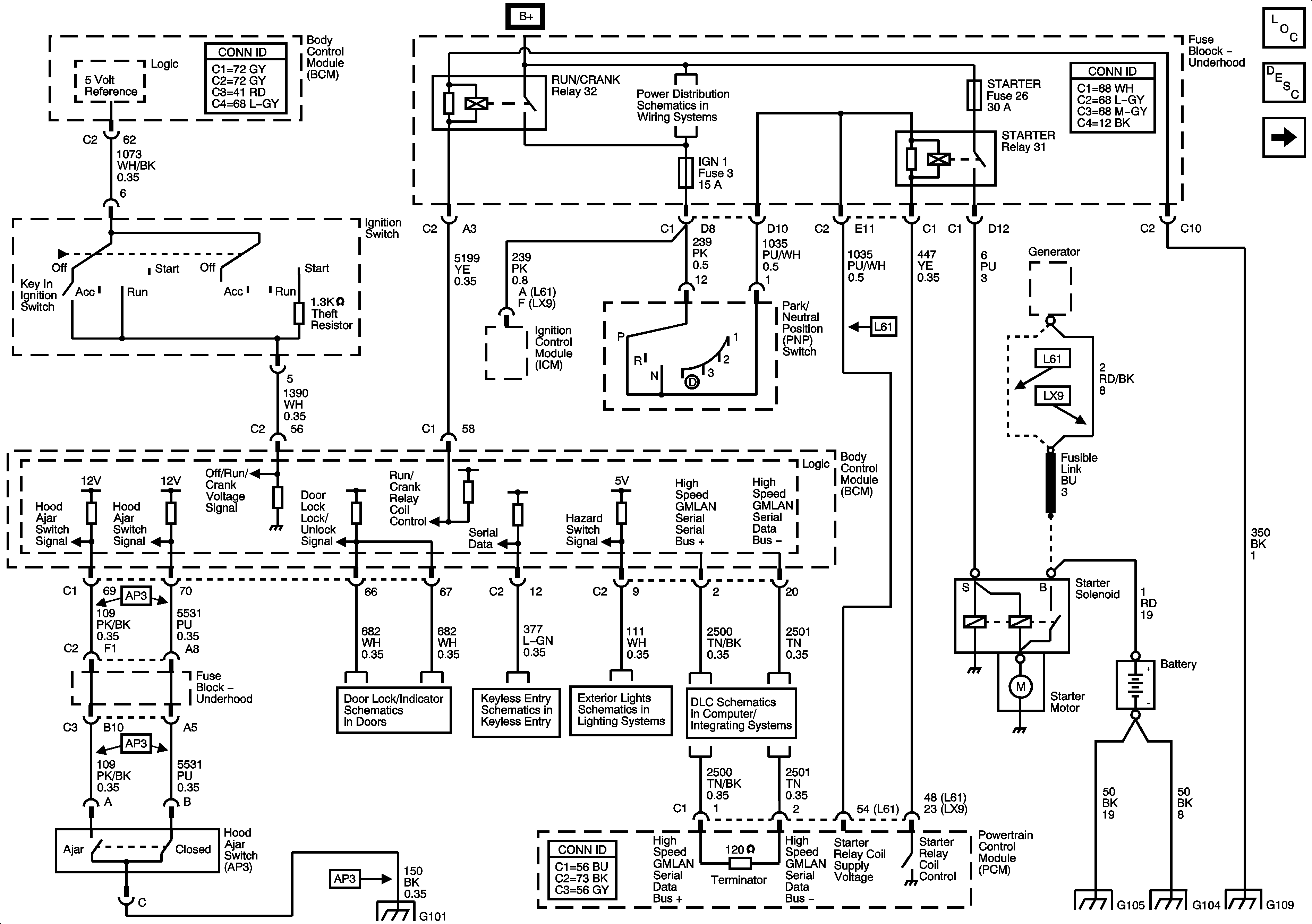
Starting System Description and Operation
Charging
Underhood Fuse Block Fuse - IBCM 1 Fuse, Body Control Module Fuses - AIRBAG (BATT), CLUSTER/THEFT, HVAC CTRL (BATT), IGN Sensor, RADIO Fuses and the Ignition Switch
Fuse Block Underhood Bussing
Underhood Fuse Block Fuse - IBCM 1 Fuse, Body Control Module Fuses - AIRBAG (BATT), CLUSTER/THEFT, HVAC CTRL (BATT), IGN Sensor, RADIO Fuses and the Ignition Switch
Fuse Block Underhood Bussing
Door Lock Switches
Keyless Entry
Ambient Light Sensor, Brake Pedal Position Sensor, Grounds, Hazard Switch, Serial Data and Turn Signal/Multifunction Switch
Power, Ground and High Speed Serial Data
G101 and G102
G103, G104, and G105
G103, G104, and G105
G109