GM Service Manual Online
For 1990-2009 cars only
Makes
🢒
Chevrolet
🢒
2005
🢒
Malibu
🢒
Engine
🢒
Engine Cooling
🢒 Engine Cooling Schematics
Figure
1:
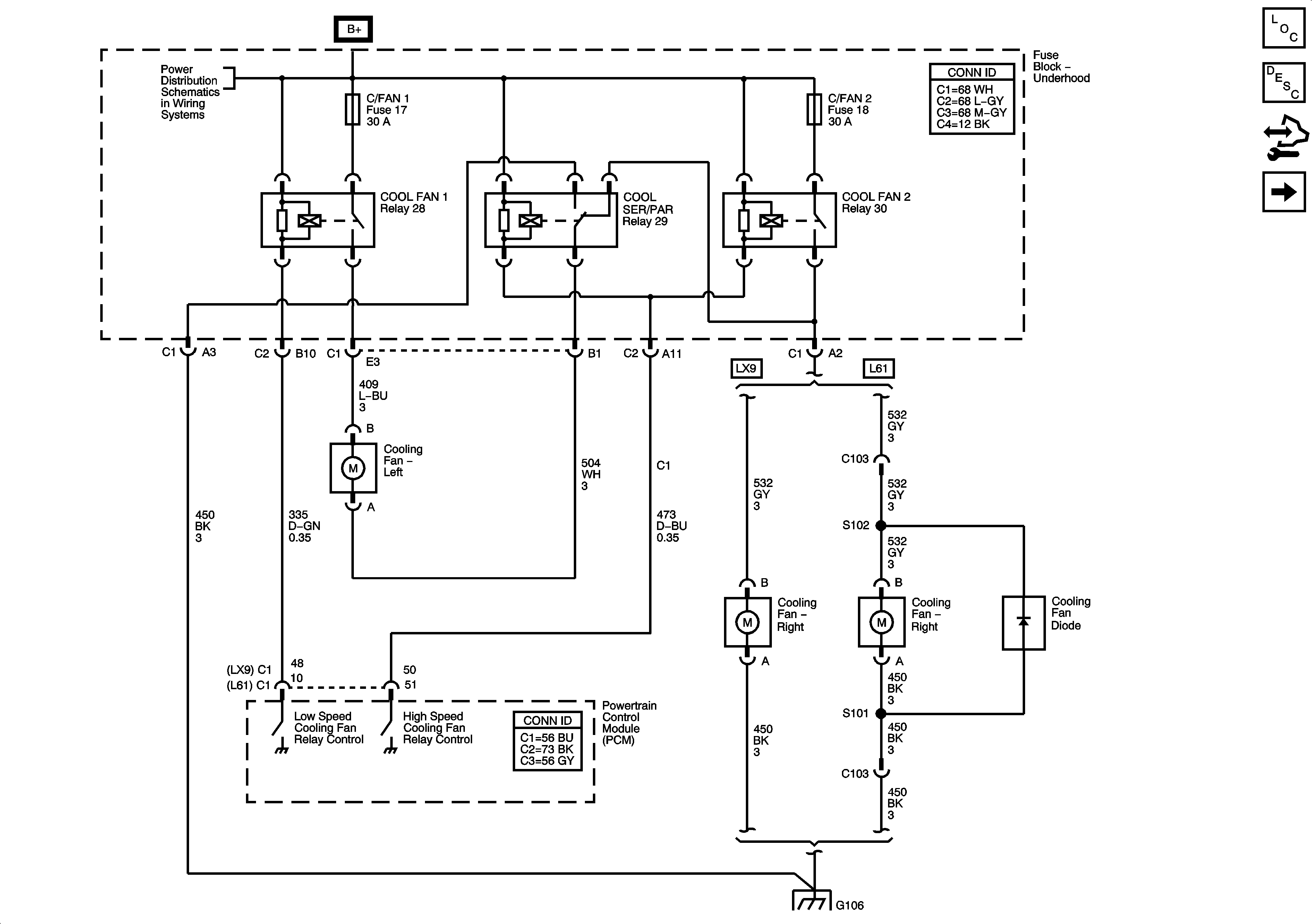
Engine Cooling Fans
Master Electrical Component List
Cooling System Description and Operation
Control Module References
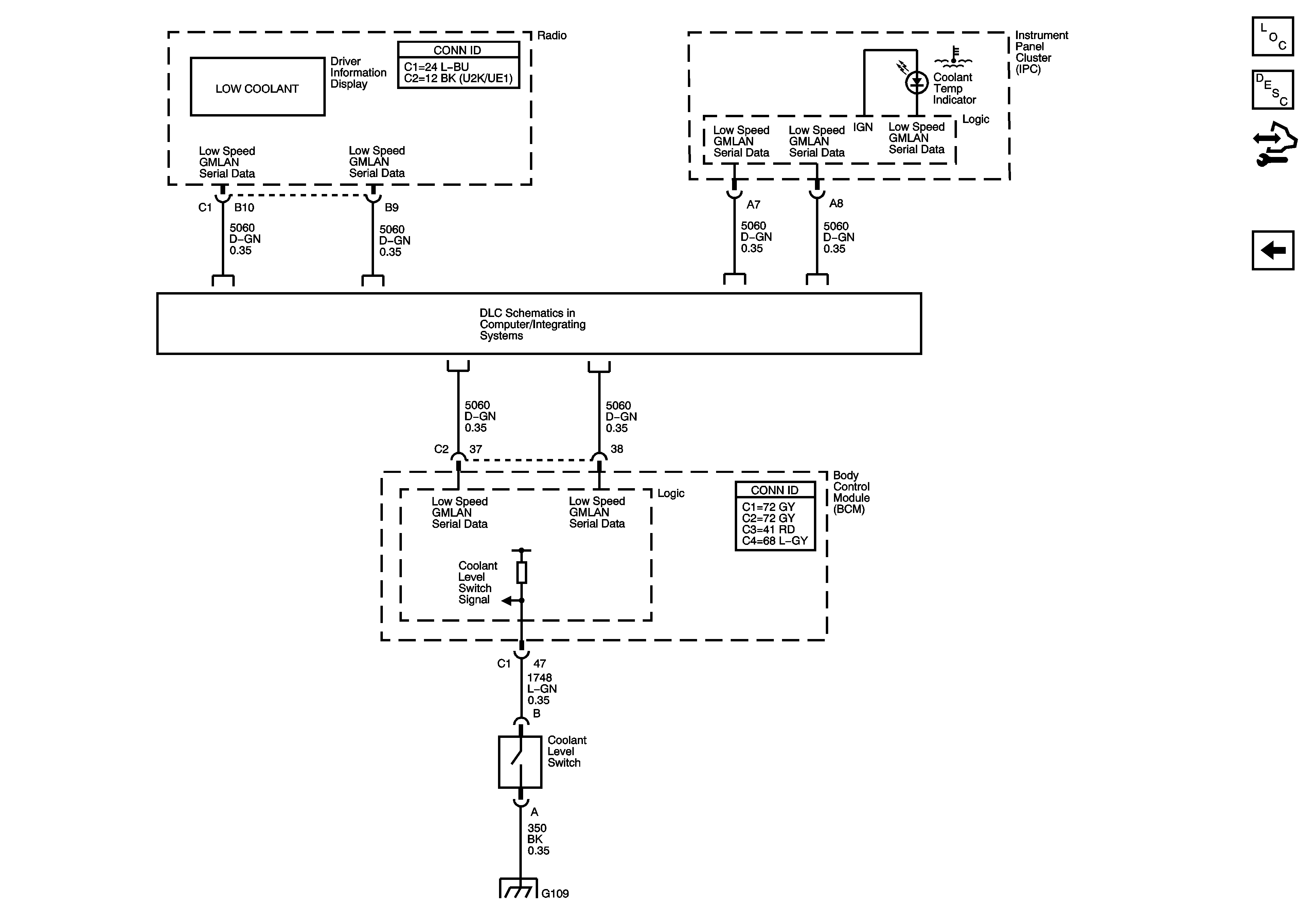
Engine Coolant Indicator
B+ Bussing
G106
Figure
2:
Engine Coolant Indicator
Master Electrical Component List
Cooling System Description and Operation
Control Module References
Engine Cooling Fans
Low Speed Serial Data
G109