GM Service Manual Online
For 1990-2009 cars only
Figure 1:

Power, Ground, A/C Compressor Clutch and Blower Motor Controls


Object Number: 1501033  Size: FS
Master Electrical Component List
Control Module References
Mode and Air Temperature Controls
B+ Bussing
B+ Bussing
B+ Bussing
Underhood Junction Block - IBCM Batt1, BCM - Radio/RFA, Ignigion Sensor, HVAC BATT, Cluster/Theft, Air Bag Batt Fuses
Power, Ground, Class 2 and High Speed Serial Data
Underhood Junction Block - IBCM Batt1, BCM - Radio/RFA, Ignigion Sensor, HVAC BATT, Cluster/Theft, Air Bag Batt Fuses
Low Speed Serial Data
G201
G203
G106
Figure 2:

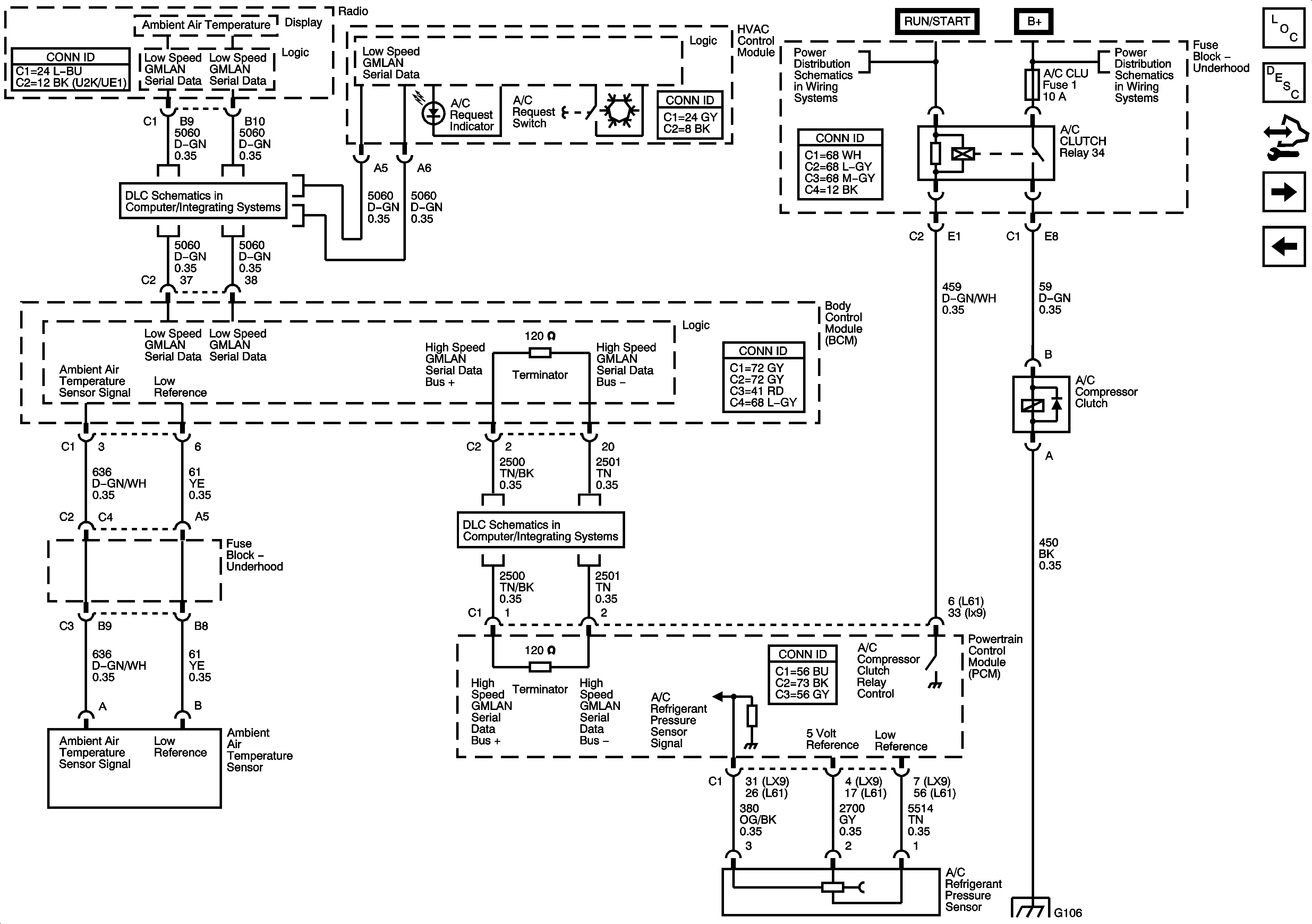
Compressor Controls


Object Number: 1581546  Size: FS
Master Electrical Component List
Air Temperature Description and Operation
Control Module References
Power, Ground, A/C Compressor Clutch and Blower Motor Controls
Mode and Air Temperature Controls
Low Speed Serial Data
Air, A/C Clutch, ECT IGN, ERLS #1 Fuses
Air, A/C Clutch, ECT IGN, ERLS #1 Fuses
Power, Ground, Class 2 and High Speed Serial Data
G106
Figure 3:

Mode and Air Temperature Controls


Object Number: 1501036  Size: FS
Master Electrical Component List
Control Module References
Power, Ground, A/C Compressor Clutch and Blower Motor Controls