GM Service Manual Online
For 1990-2009 cars only
Figure 1:

Power, Ground and Sensors


Object Number: 1501050  Size: FS
Master Electrical Component List
SIR System Description and Operation
Control Module References
Impact Modules
SIR Caution for Zoning
Figure 2:

Impact Modules


Object Number: 1501052  Size: FS
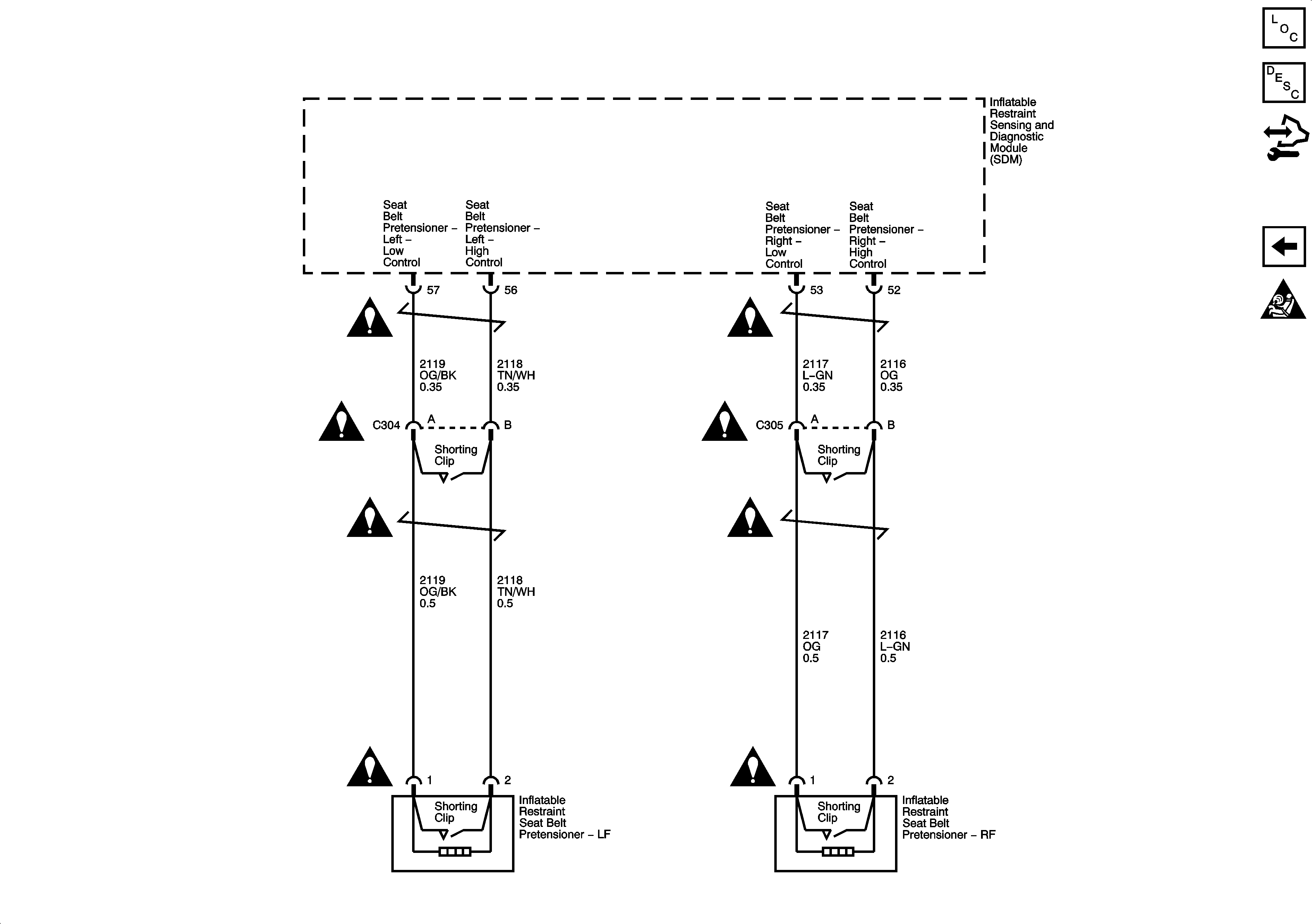
Figure 3:

Seat Belt Pretensioners


Object Number: 1501053  Size: FS