GM Service Manual Online
For 1990-2009 cars only
Makes
🢒
Chevrolet
🢒
2005
🢒
Malibu
🢒
Vehicle Control Systems
🢒
Computer/Integrating Systems
🢒 Retained Accessory Power (RAP) Schematics
Master Electrical Component List
Retained Accessory Power (RAP) Description and Operation
Control Module References
Door Ajar Indicators
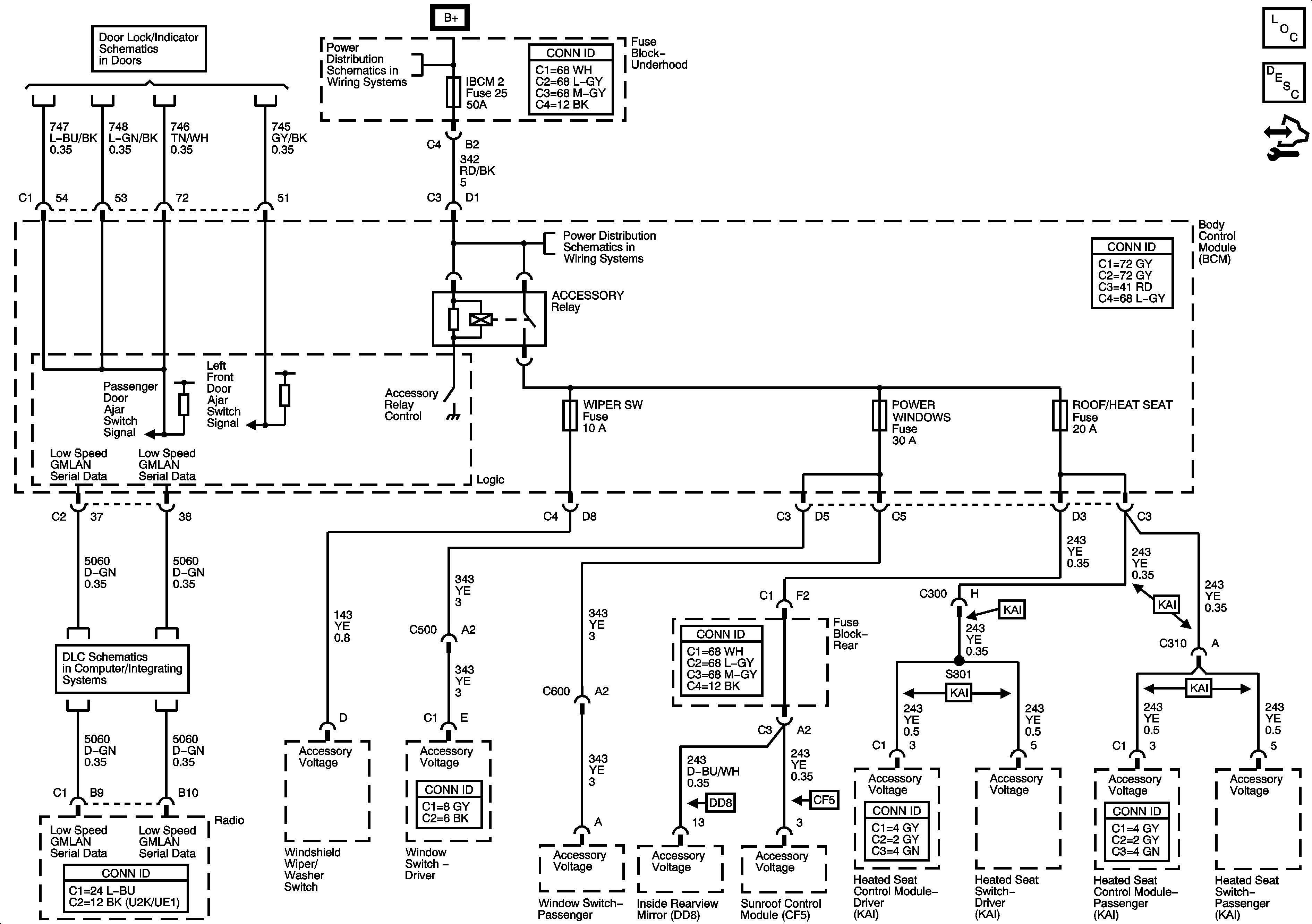
Underhood Junction Block - ICBM Batt2, BCM - PWR Windows, Wiper Sw, Sunroof/HTD Seat Fuses
Underhood Junction Block - ICBM Batt2, BCM - PWR Windows, Wiper Sw, Sunroof/HTD Seat Fuses
Low Speed Serial Data