GM Service Manual Online
For 1990-2009 cars only
Makes
🢒
Chevrolet
🢒
2005
🢒
Malibu
🢒
Body
🢒
Lighting Systems
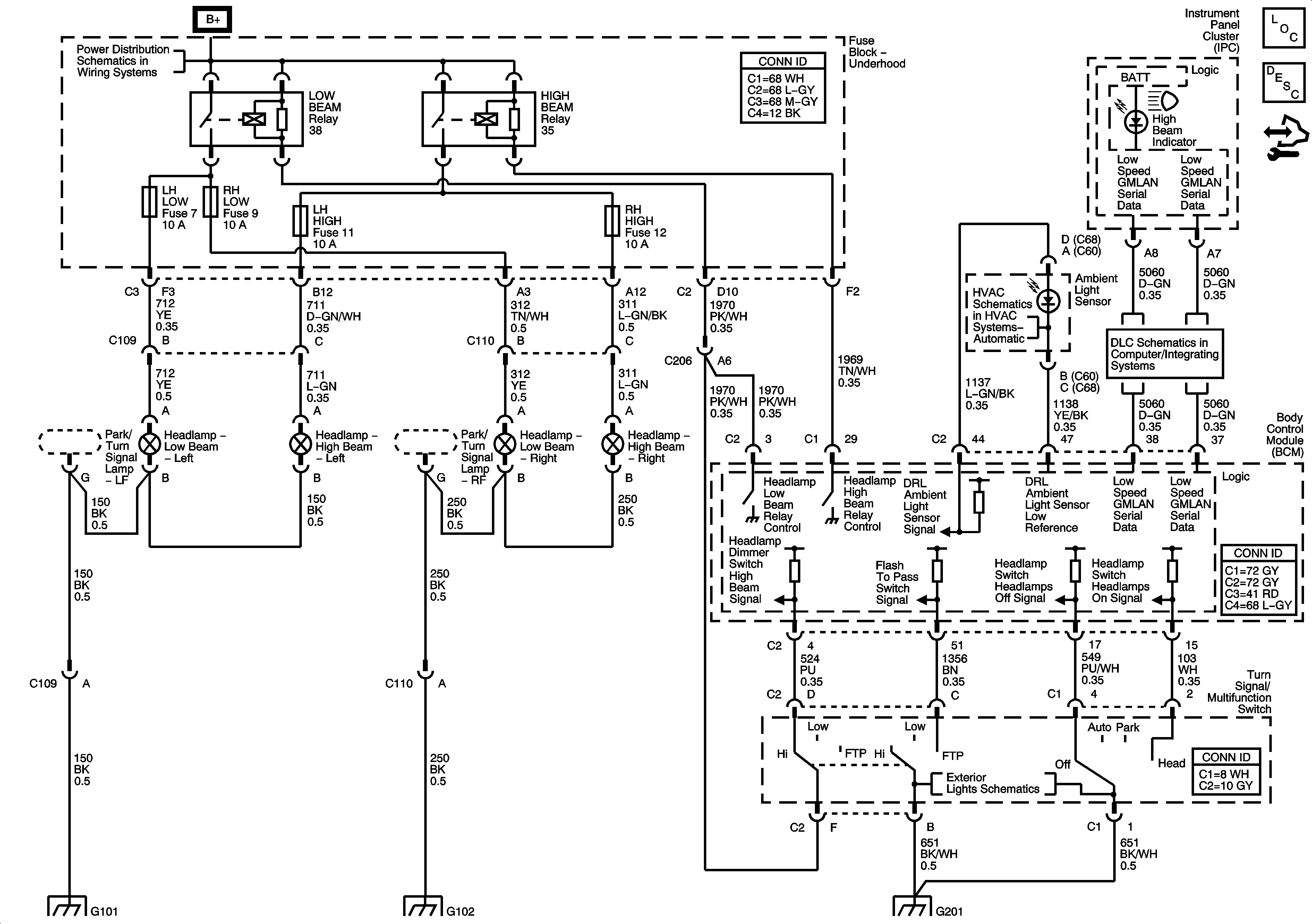
🢒 Headlights/Daytime Running Lights (DRL) Schematics
Master Electrical Component List
Exterior Lighting Systems Description and Operation
Control Module References
PCM Batt, ABS, EPS, ICBM Batt1, ICBM Batt2 Fuses
Mode and Air Temperature Controls
Low Speed Serial Data
G101 and G102
G101 and G102
G201