GM Service Manual Online
For 1990-2009 cars only
Makes
🢒
Chevrolet
🢒
2005
🢒
Malibu
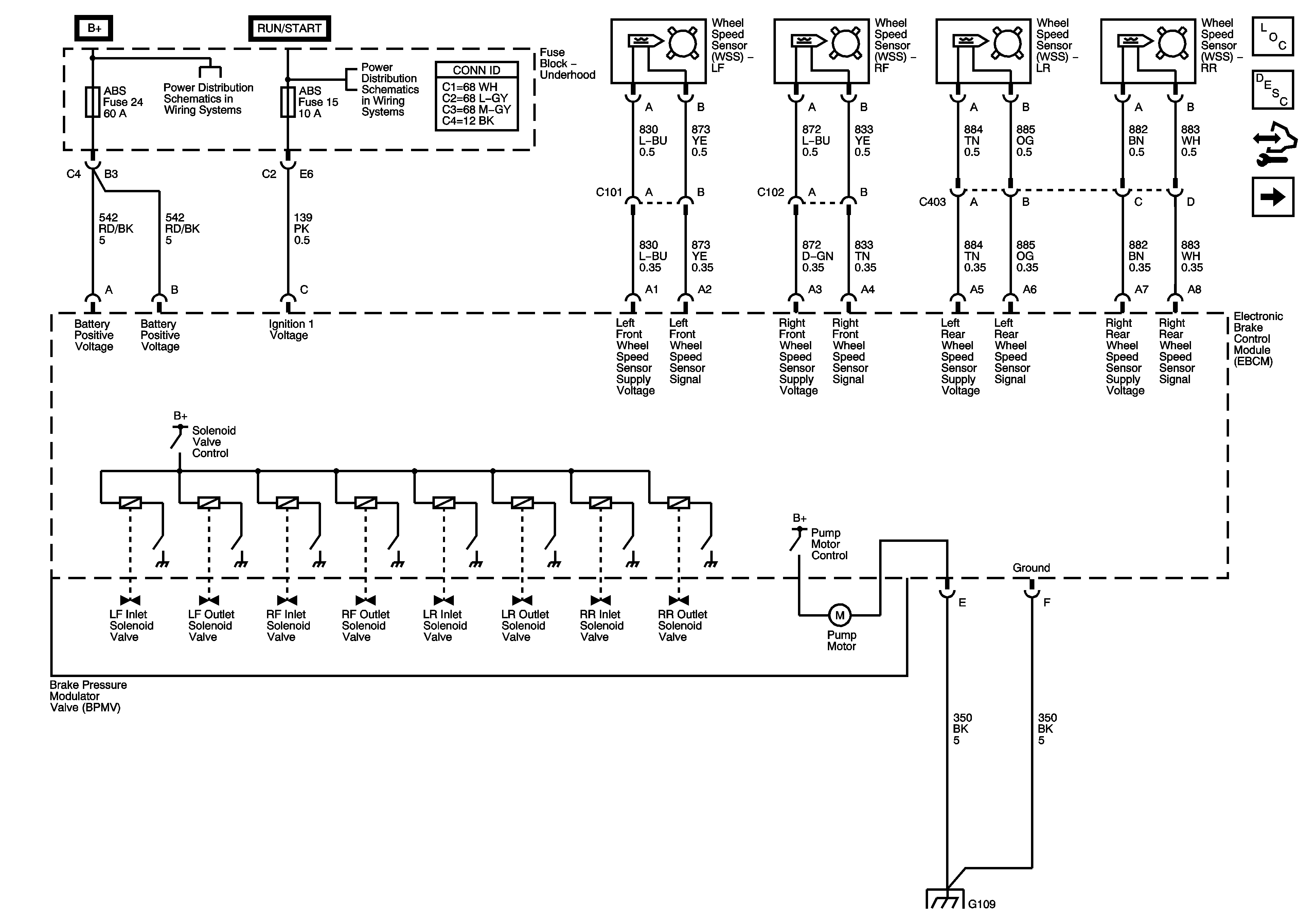
🢒 Power, Ground, Brake Pressure Modulator Valve and Wheel Speed Sensors
Power, Ground, Brake Pressure Modulator Valve and Wheel Speed Sensors
Power, Ground, Brake Pressure Modulator Valve and Wheel Speed Sensors
Master Electrical Component List
ABS Description and Operation
Control Module References
Brake Pedal Position Sensor, Traction control Switch and Data Link communications
B+ Bussing
B+ Bussing
G109