GM Service Manual Online
For 1990-2009 cars only
Makes
🢒
Chevrolet
🢒
2005
🢒
Malibu
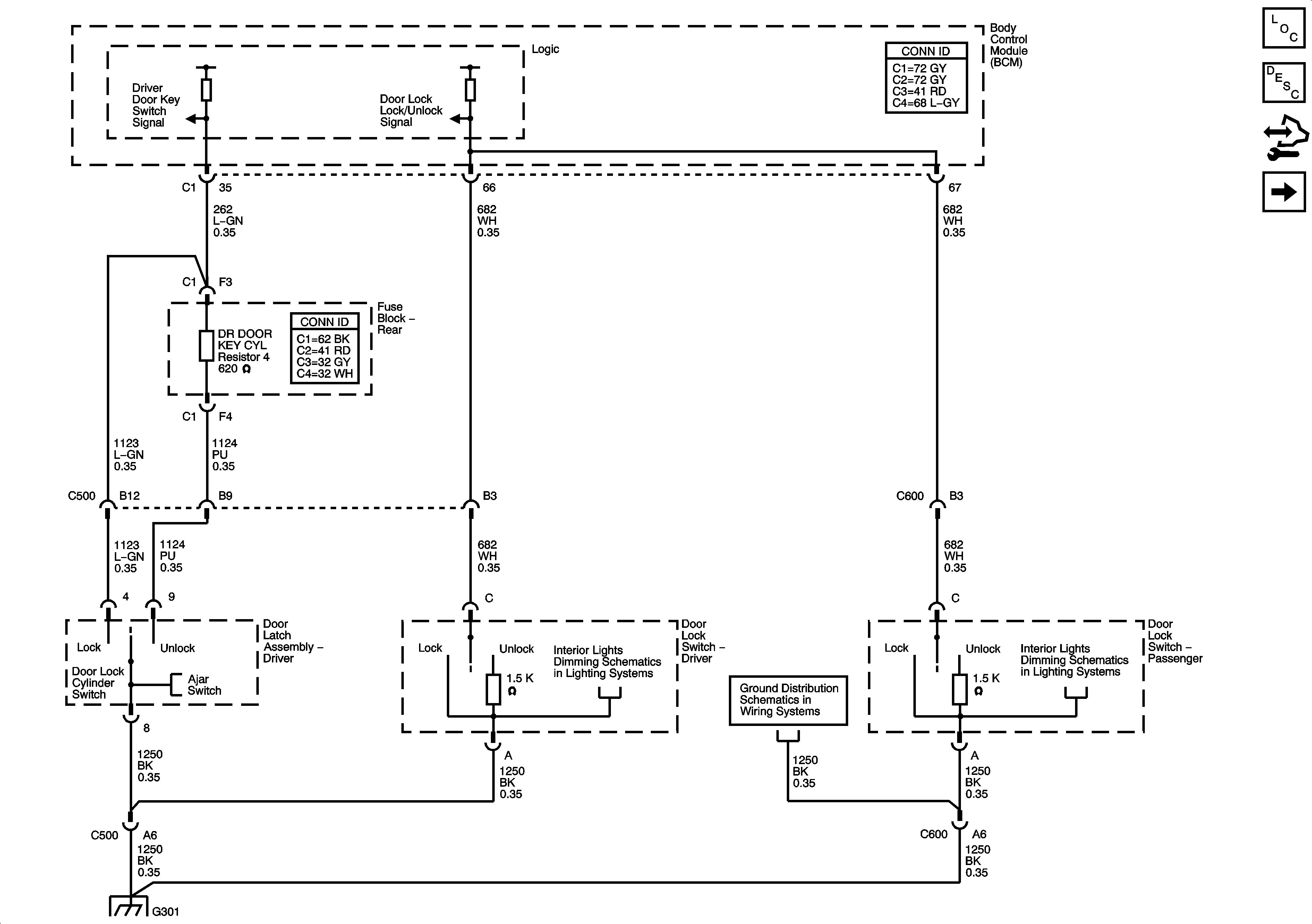
🢒 Door Lock Switches
Door Lock Switches
Door Lock Switches
Master Electrical Component List
Power Door Locks Description and Operation
Control Module References
Door Lock Actuators
Door Ajar Indicators
Switches
G301
Switches
G301