GM Service Manual Online
For 1990-2009 cars only
Makes
🢒
Chevrolet
🢒
2005
🢒
Malibu
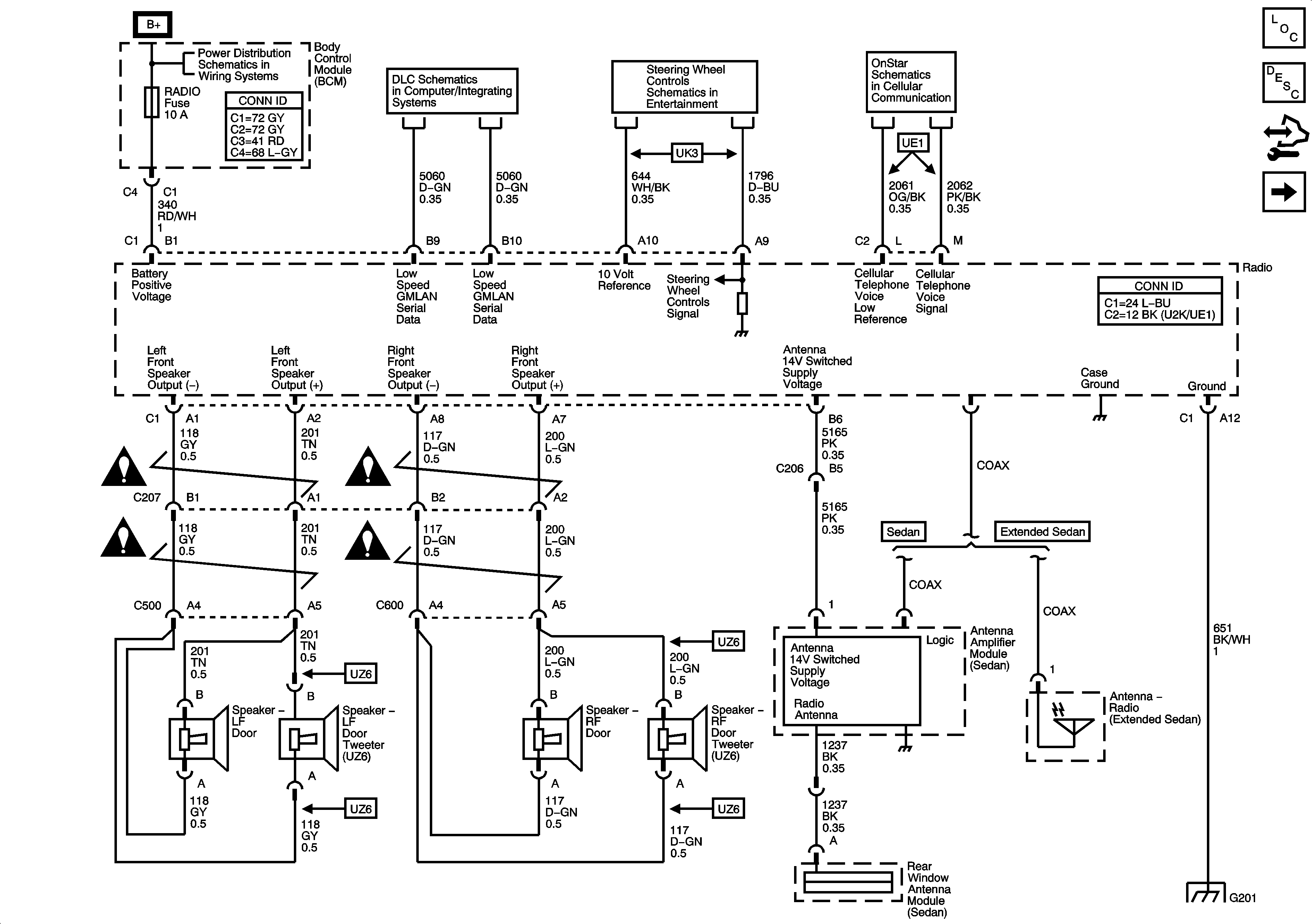
🢒 Radio Power, Ground, Front Speakers, Antenna, and References
Radio Power, Ground, Front Speakers, Antenna, and References
Radio Power, Ground, Front Speakers, Antenna and References
Master Electrical Component List
Radio/Audio System Description and Operation
Control Module References
Rear Speakers w/o UK6, U32, or U2K
Underhood Junction Block - IBCM Batt1, BCM - Radio/RFA, Ignigion Sensor, HVAC BATT, Cluster/Theft, Air Bag Batt Fuses
Low Speed Serial Data
Steering Wheel Controls Schematics
OnStar Schematics
Entertainment Schematic Icons
Entertainment Schematic Icons
Entertainment Schematic Icons
Entertainment Schematic Icons
G201