GM Service Manual Online
For 1990-2009 cars only
Makes
🢒
Chevrolet
🢒
2005
🢒
Malibu
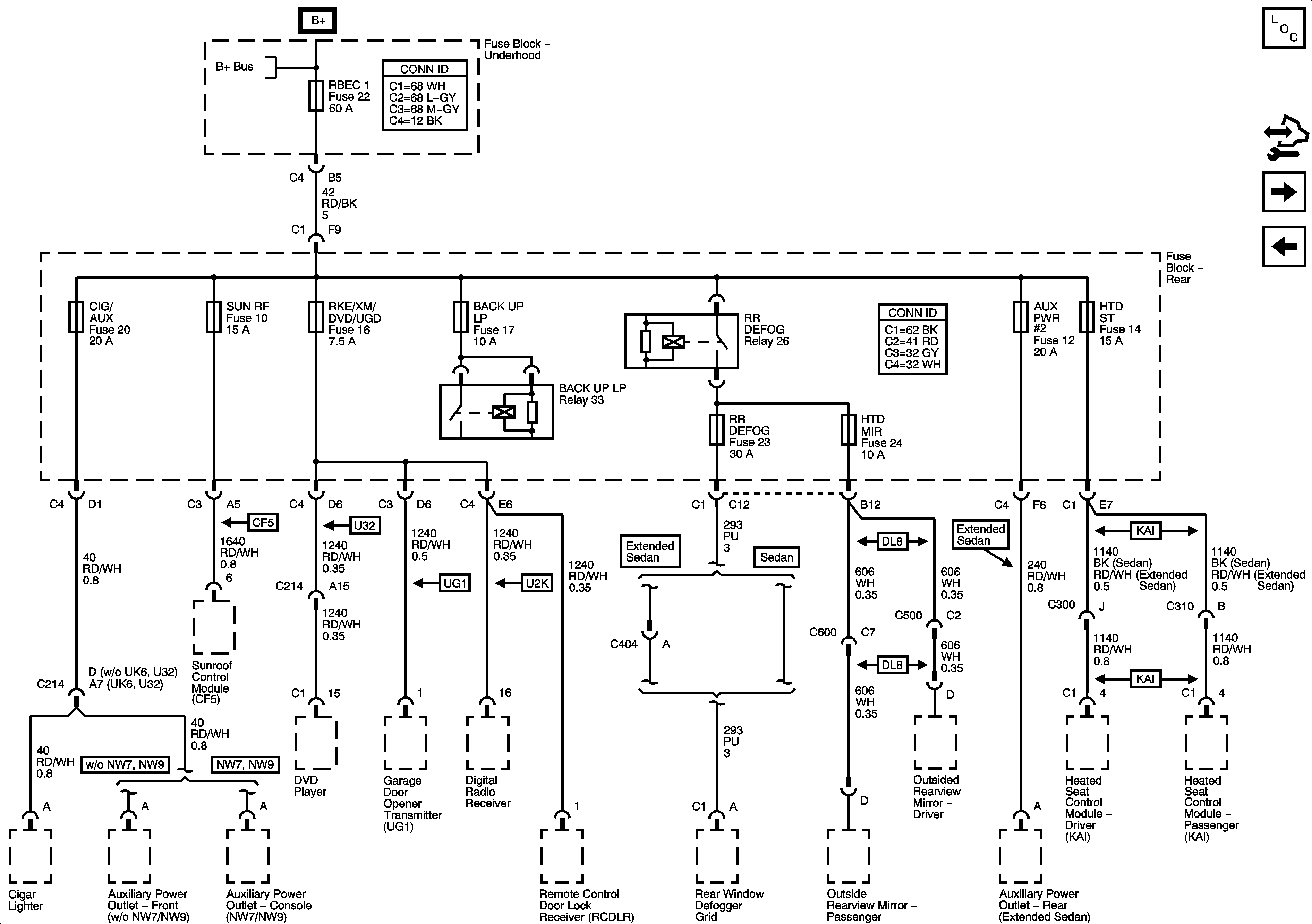
🢒 Underhood Fuse Block - RBEC Fuse Rear Fuse Block - Cigar/Aux Power, Sunroof,RKEW/SM/DVD/UGD, Stop Lamp, Rear Defog, HTD Mirror, AUX PWR, HTD Seat Fuses
Underhood Fuse Block - RBEC Fuse Rear Fuse Block - Cigar/Aux Power, Sunroof,RKEW/SM/DVD/UGD, Stop Lamp, Rear Defog, HTD Mirror, AUX PWR, HTD Seat Fuses
Underhood Fuse Block - RBEC Fuse, Rear Fuse Block - Cigar/Aux Power, Sunroof, RKE/XM/DVD/UGD, Stop Lp, Rear Defog, HTD Mirror, AUX PWR, HTD Seat Fuses
Master Electrical Component List
Control Module References
Underhood Fuse Block - Run Relay, RBEC Battery 2 Fuses, Rear Fuse BLock - Driver Power Seat, Fuel Pump, Park Lamps, Trunk Release, ERLS Fuses
Underhood Junction Block - IBCM Batt1, BCM - Radio/RFA, Ignigion Sensor, HVAC BATT, Cluster/Theft, Air Bag Batt Fuses
B+ Bussing