GM Service Manual Online
For 1990-2009 cars only
Makes
🢒
Chevrolet
🢒
2005
🢒
Malibu
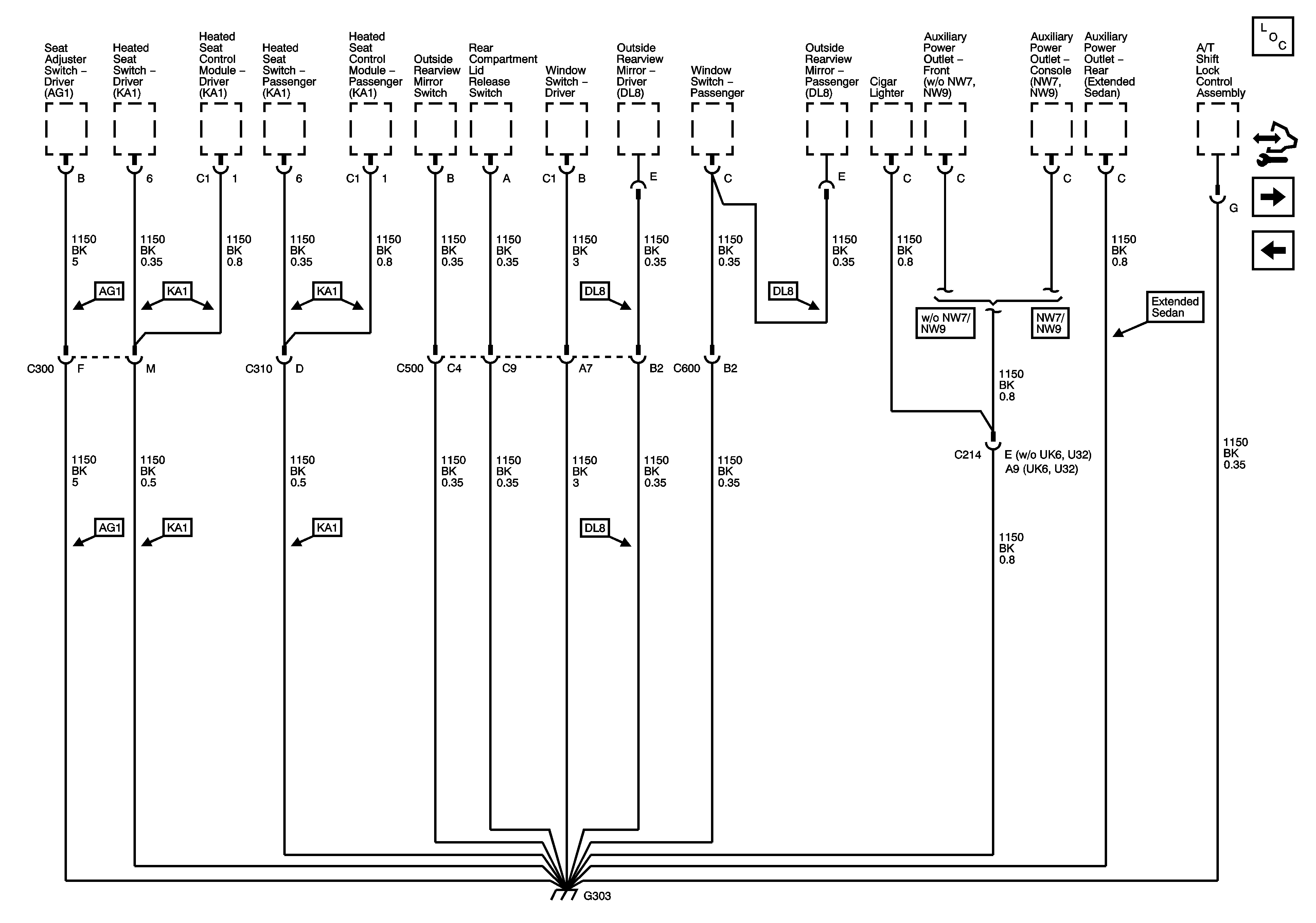
🢒 G303
G303
G303
Master Electrical Component List
Control Module References
G304 and G305
G302