GM Service Manual Online
For 1990-2009 cars only
Makes
🢒
Chevrolet
🢒
2006
🢒
Malibu
🢒 Ignition System
Ignition System
Ignition System
Master Electrical Component List
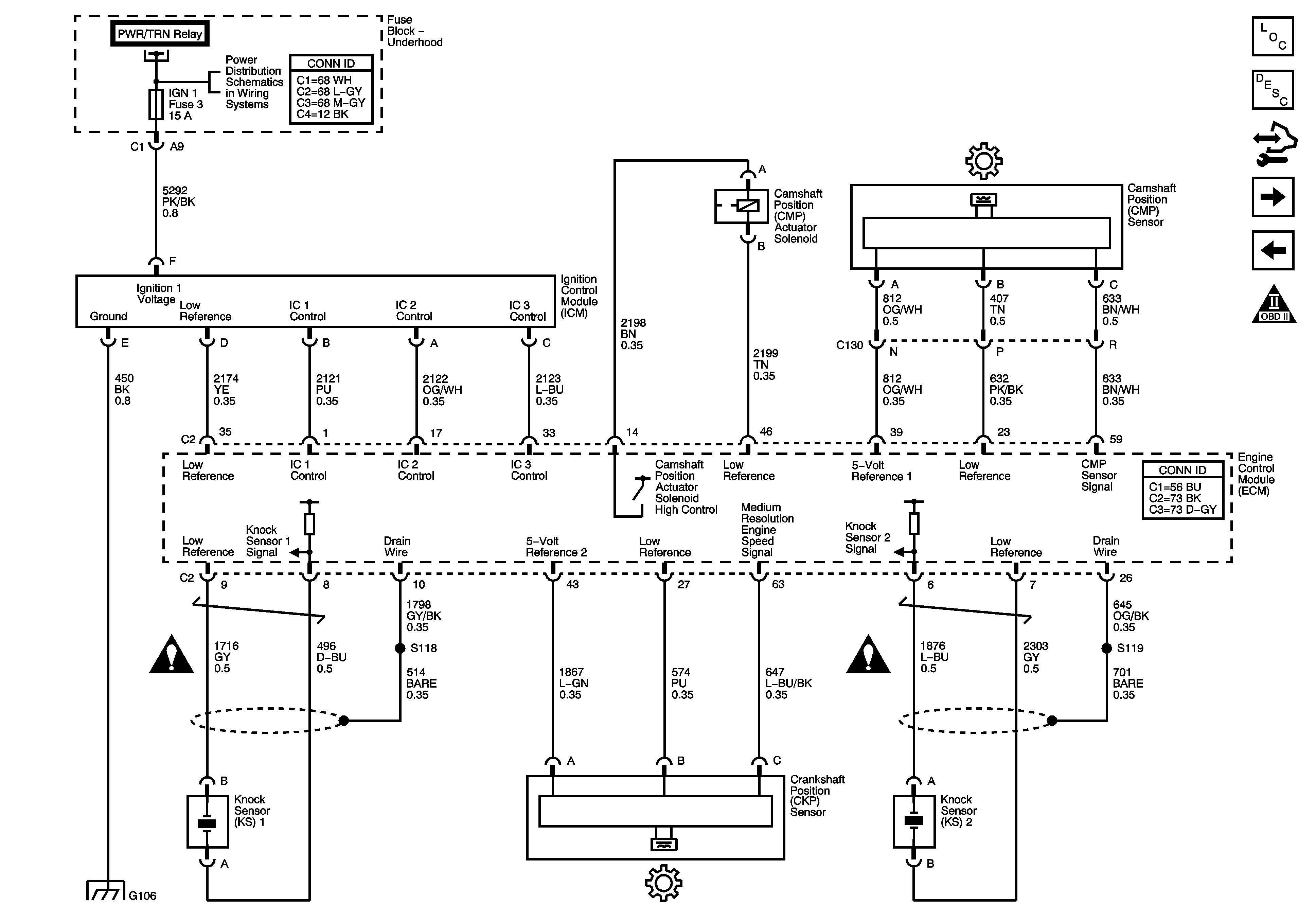
Electronic Ignition (EI) System Description
Control Module References
Fuel Injectors and Fuel Pump
Electronic Throttle Controls
Engine Controls Schematic Icons
Ground, MIL, Power and Serial Data
Underhood Fuse Block, RUN/CRANK Relay, ABS, IGN 1, INJ, PCM IGN 1, and TRANS Fuses
G106
Engine Controls Schematic Icons
Engine Controls Schematic Icons