GM Service Manual Online
For 1990-2009 cars only

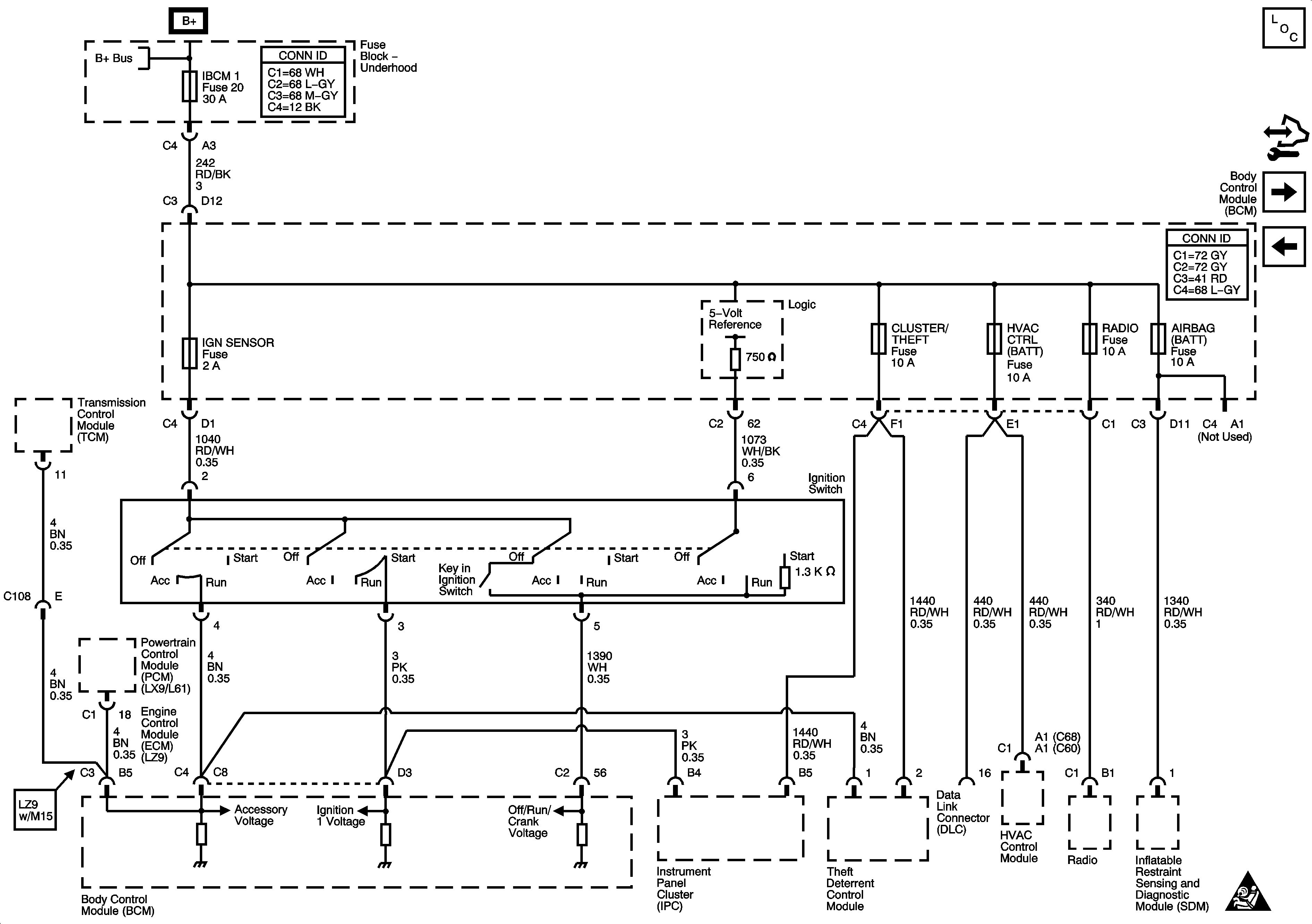
Underhood Fuse Block - IBCM 1, Body Control Module (BCM),AIR BAG (BATT), CLUSTER/THEFT, HVAC CTRL (BATT), IGN SENSOR, and RADIO Fuses

Underhood Fuse Block - IBCM 1, Body Control Module (BCM), AIR BAG (BATT), CLUSTER/THEFT, HVAC CTRL (BATT), IGN SENSOR, and RADIO Fuses


Object Number: 1633611  Size: FS
Master Electrical Component List
Control Module References
Underhood Fuse Block - RBEC 1 Fuse, Rear Fuse Block, AUX PWR #2, BCK/UP LAMPS, CIG/AUX, HTD MIR, HTD SEAT, RKE/XM/DVD/UGD, RR DEFOG and S/ROOF Fuses
B+ Bussing
B+ Bussing
Power and Grounding Schematic Icons