GM Service Manual Online
For 1990-2009 cars only
Makes
🢒
Chevrolet
🢒
2006
🢒
Malibu
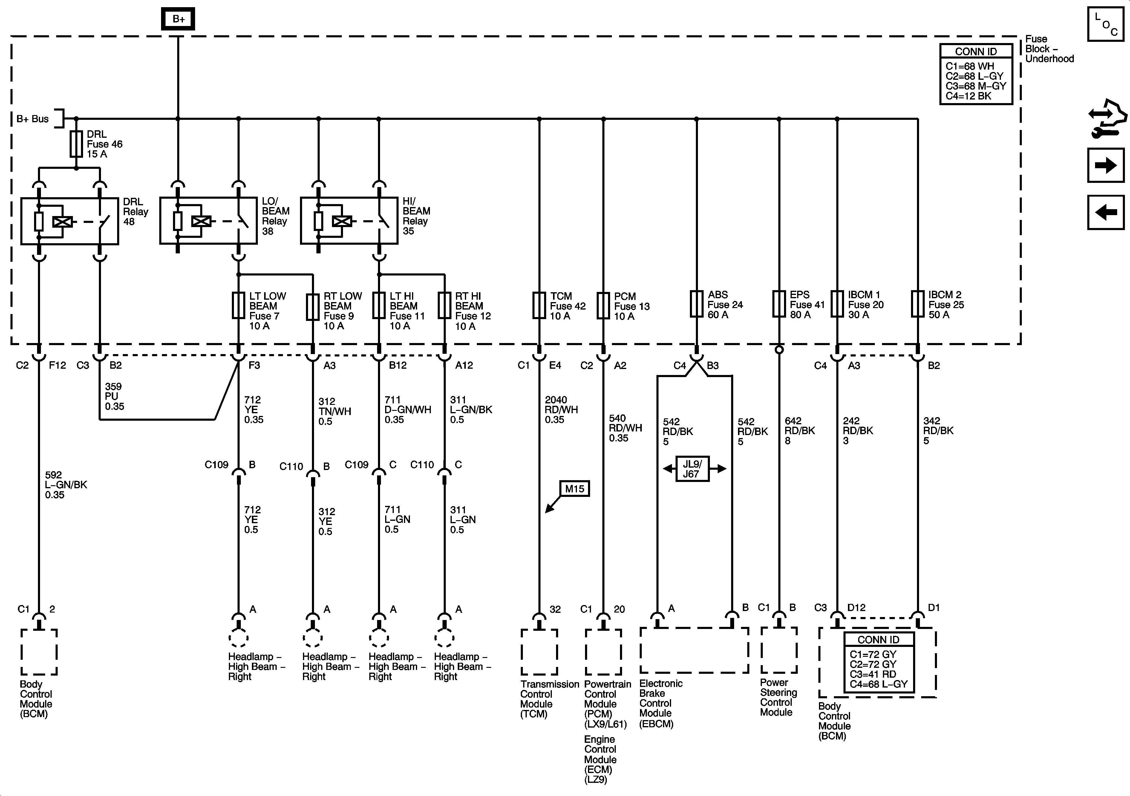
🢒 Underhood Fuse Block, DRL Relay, LO/BEAM Relay, HI/BEAM Relay, ABS, DRL, EPS, IBCM1, IBCM2, LT HI BEAM, LT LOW BEAM, PCM, RT HI BEAM, RT LOW BEAM, TCM Fuses
Underhood Fuse Block, DRL Relay, LO/BEAM Relay, HI/BEAM Relay, ABS, DRL, EPS, IBCM1, IBCM2, LT HI BEAM, LT LOW BEAM, PCM, RT HI BEAM, RT LOW BEAM, TCM Fuses
Underhood Fuse Block - DRL Relay, LO/BEAM Relay, HI/BEAM Relay, ABS, DRL, EPS, IBCM 1, IBCM 2, LT HI BEAM, LT LOW BEAM, PCM, RT HI BEAM, RT LOW BEAM, and TCM Fuses
Master Electrical Component List
Control Module References
Underhood Fuse Block, RUN/CRANK Relay, ABS, IGN 1, INJ, PCM IGN 1, and TRANS Fuses
Underhood Fuse Block, RBEC 2, RUN RLY, Body Control Module (BCM) HVAC BLOWER HIGH Relay, RUN Relay, HVAC BLOWER, HVAC CTRL (IGN), Rear Fuse Block, FUEL/PMP Relay, PARK LP Relay, TRUNK Relay, DRV ST
B+ Bussing