GM Service Manual Online
For 1990-2009 cars only

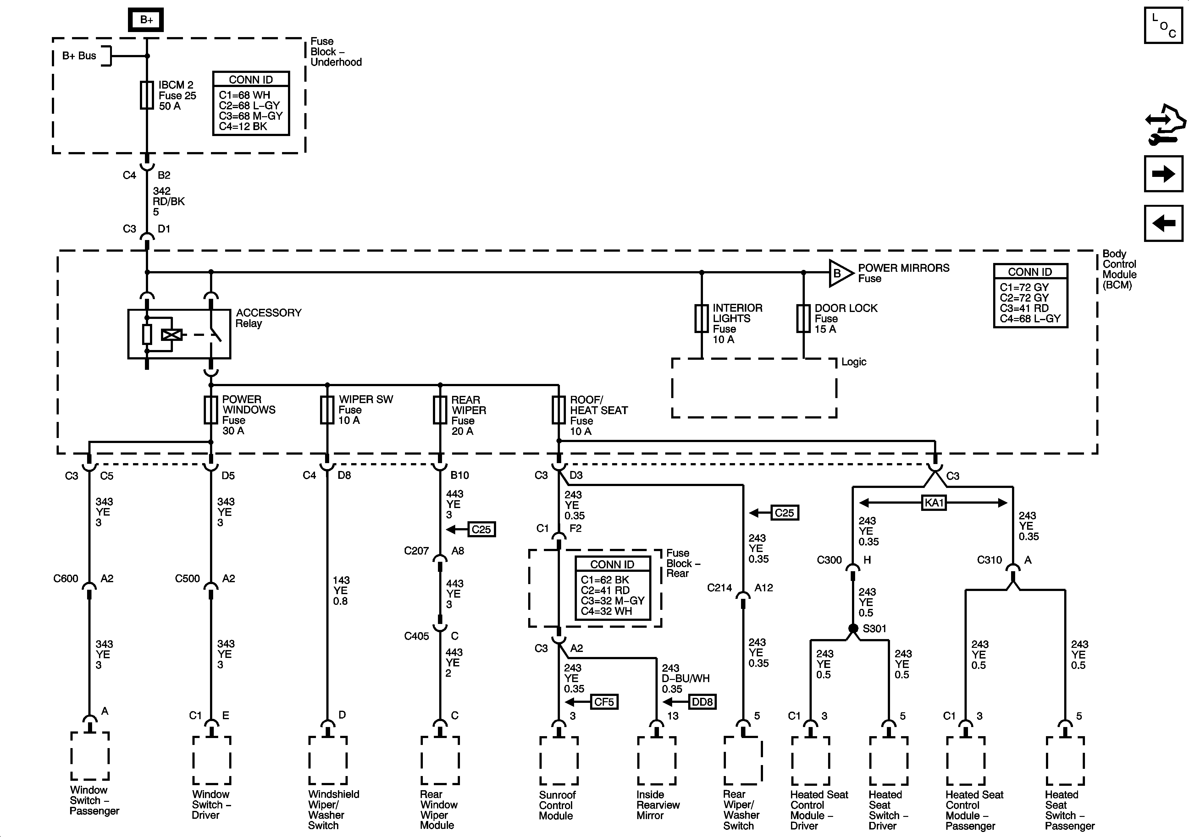
Underhood Fuse Block, ICBM 2, Body Control Module (BCM), ACCESSORY Relay, DOOR LOCK, INTERIOR LIGHTS, POWER WINDOWS, REAR WIPER, ROOF/HEAT SEAT and WIPER SW Fuses

Underhood Fuse Block - IBCM 2, Body Control Module (BCM) ACCESSORY Relay, DOOR LOCK, INTERIOR LIGHTS, POWER WINDOWS, REAR WIPER, ROOF/HEAT SEAT, and WIPER SW Fuses


Object Number: 1636705  Size: FS
Master Electrical Component List
Control Module References
Underhood Fuse Block, IBCM (RUN/CRANK), Body Control Module (BCM), AIR BAG (IGN), EPS and RUN/CRANK Fuses
Underhood Fuse Block, A/C CLUTCH Relay, PWR/TRN Relay, A/C CLU, EMISSION 1, and ETC Fuses
B+ Bussing
Body Control Module (BCM) INTERIOR LIGHTS, ONSTAR, PEDAL, and POWER MIRRORS Fuses