GM Service Manual Online
For 1990-2009 cars only
Makes
🢒
Chevrolet
🢒
2006
🢒
Malibu
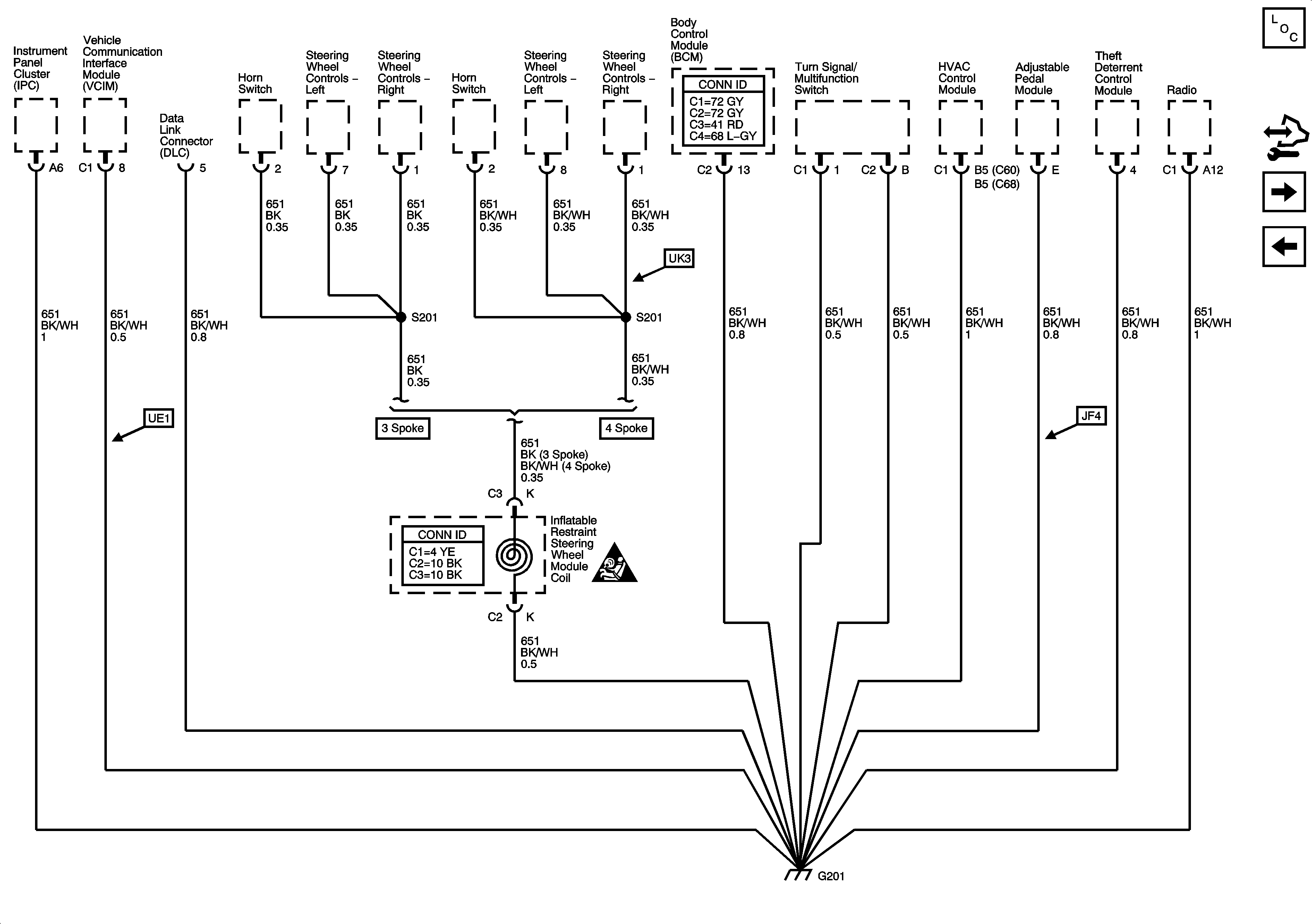
🢒 G201
G201
G201
Master Electrical Component List
Control Module References
G203
G109