GM Service Manual Online
For 1990-2009 cars only
Makes
🢒
Chevrolet
🢒
2006
🢒
Malibu
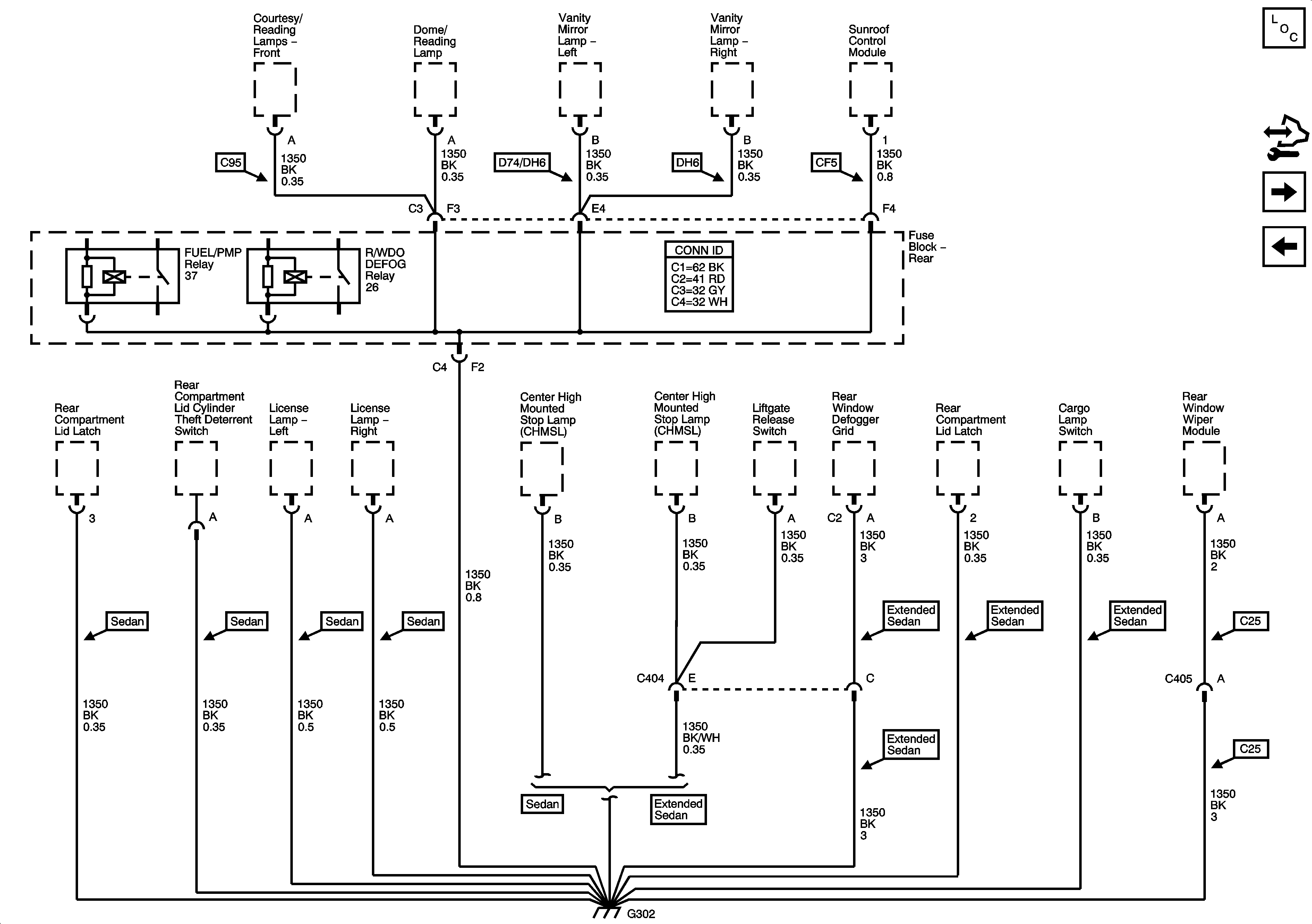
🢒 G302
G302
G302
Master Electrical Component List
Control Module References
G303
G301