GM Service Manual Online
For 1990-2009 cars only
Makes
🢒
Chevrolet
🢒
2006
🢒
Malibu
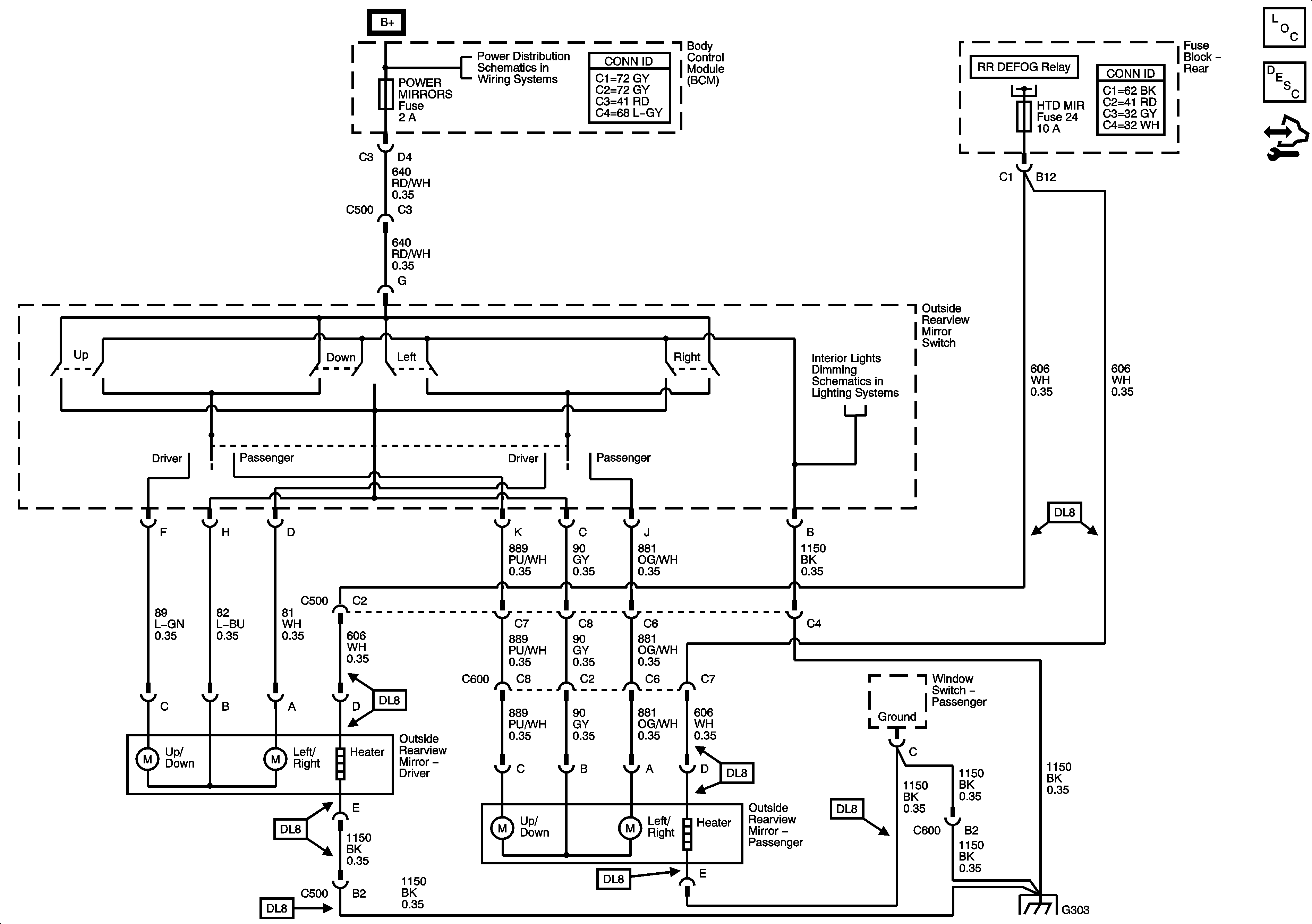
🢒 Outside Mirror Schematics
Outside Mirror Schematics
Master Electrical Component List
Outside Mirror Description and Operation
Control Module References
Body Control Module (BCM) INTERIOR LIGHTS, ONSTAR, PEDAL, and POWER MIRRORS Fuses
Underhood Fuse Block - RBEC 1 Fuse, Rear Fuse Block, AUX PWR #2, BCK/UP LAMPS, CIG/AUX, HTD MIR, HTD SEAT, RKE/XM/DVD/UGD, RR DEFOG and S/ROOF Fuses
Switches
G303