GM Service Manual Online
For 1990-2009 cars only
Makes
🢒
Chevrolet
🢒
2007
🢒
Malibu
🢒
Diagnostic Navigation
🢒
Vehicle Diagnostic Information
🢒 Steering Wheel Secondary/Configurable Control Schematics
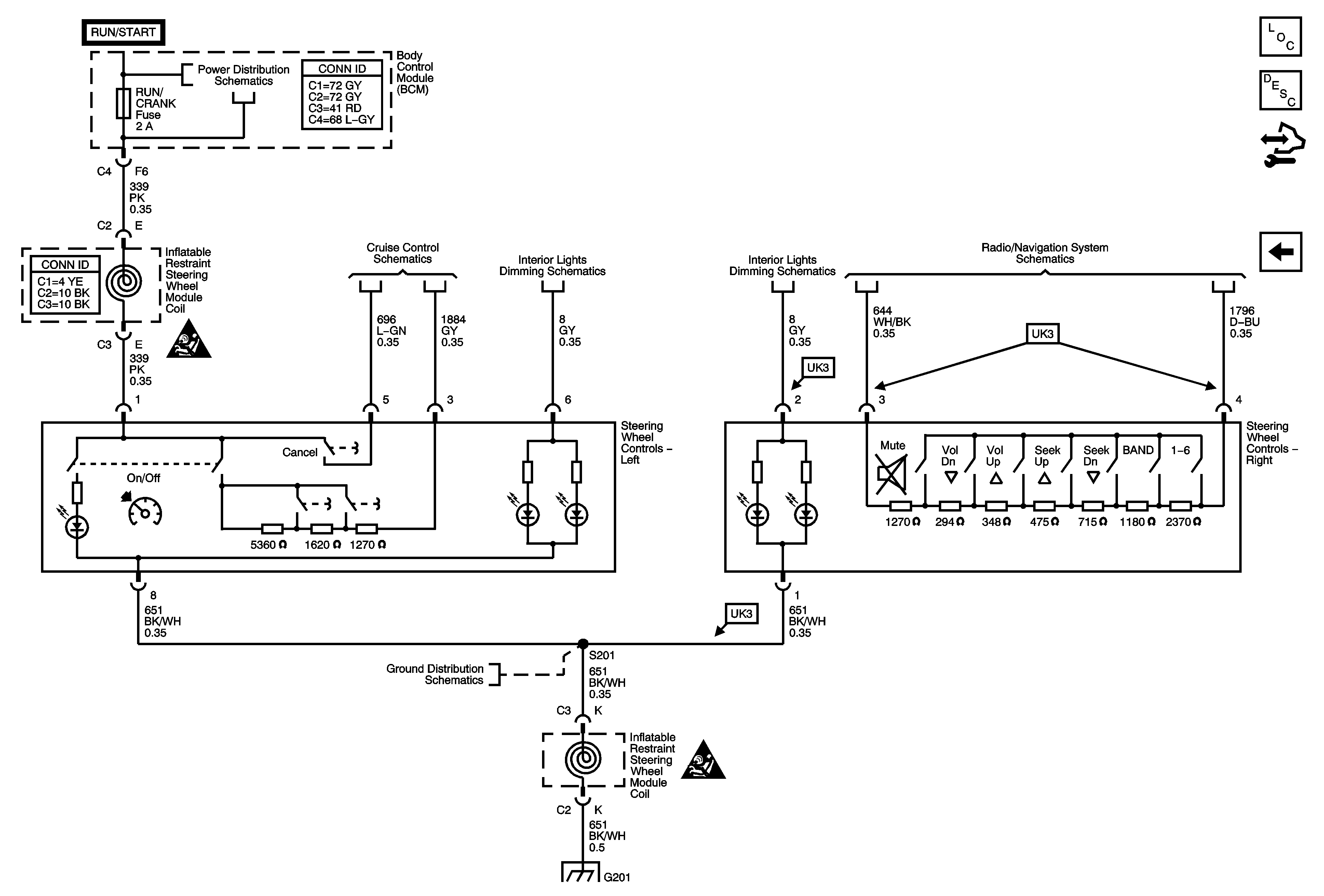
Figure
1:
3-Spoke
Master Electrical Component List
Steering Wheel Controls Description and Operation
Control Module References
4-Spoke
Underhood Fuse Block RUN/CRANK Relay, ABS, IGN 1, INJ, ECM IGN 1 and TRANS Fuses
Steering Wheel Controls (3-Spoke)
Displays
Displays
Displays
G201
G201
Secondary/Configurable Control Schematic Icons
Secondary/Configurable Control Schematic Icons
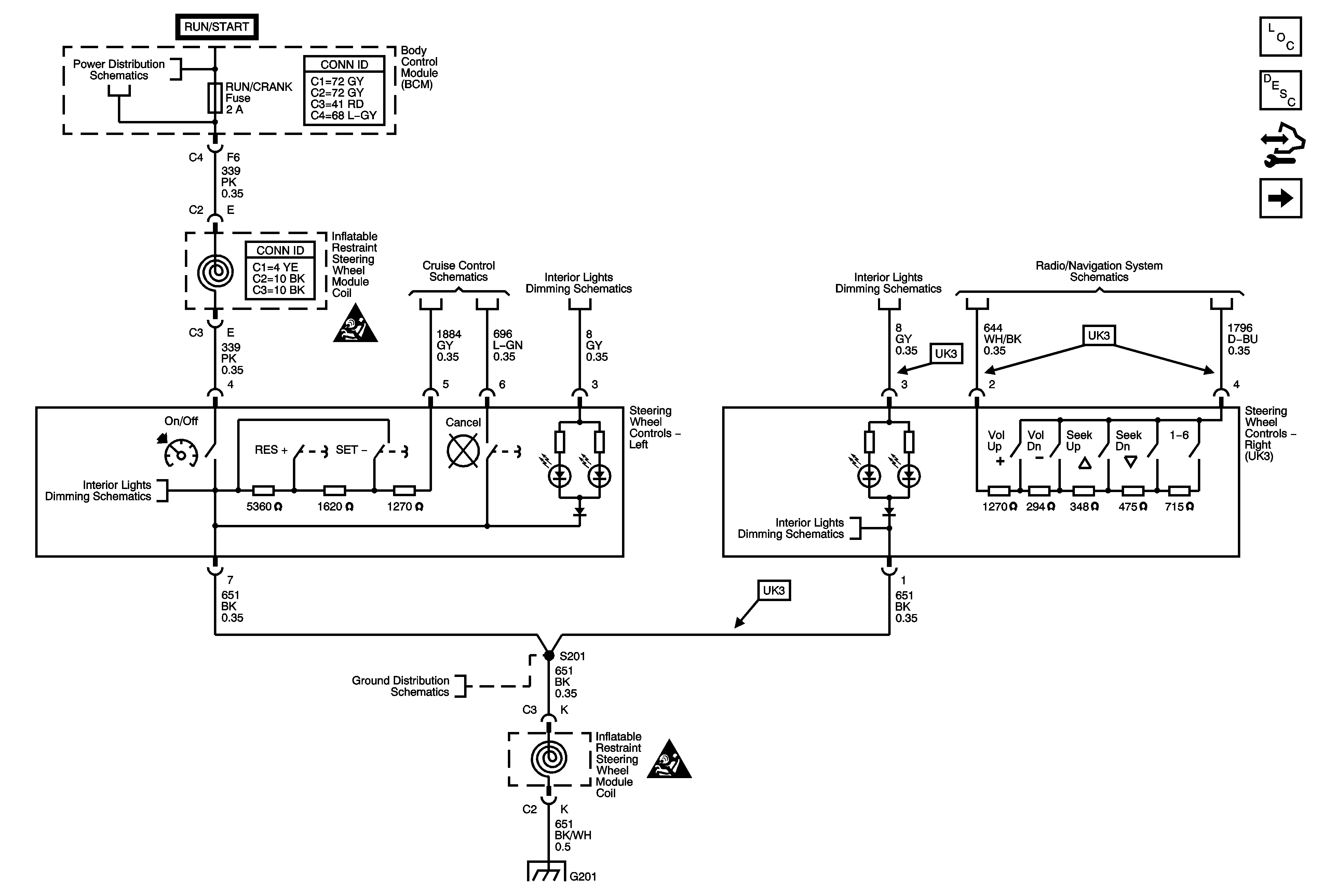
Figure
2:
4-Spoke
Master Electrical Component List
Steering Wheel Controls Description and Operation
Control Module References
3-Spoke
Underhood Fuse Block RUN/CRANK Relay, ABS, IGN 1, INJ, ECM IGN 1 and TRANS Fuses
Steering Wheel Controls (3-Spoke)
Displays
Displays
Redundant Radio Controls (3-Spoke)
G201
G201
Secondary/Configurable Control Schematic Icons
Secondary/Configurable Control Schematic Icons