GM Service Manual Online
For 1990-2009 cars only
Figure 1:

Power, Ground and Serial Data


Object Number: 1834117  Size: FS
Master Electrical Component List
Control Module References
Shift Solenoids, TCC and TFT
Underhood Fuse Block IBCM 1, Body Control Module (BCM) AIRBAG (BATT), CLUSTER/THEFT, HVAC CTRL (BATT), IGN SENSOR and RADIO Fuses
Underhood Fuse Block IBCM 1, Body Control Module (BCM) AIRBAG (BATT), CLUSTER/THEFT, HVAC CTRL (BATT), IGN SENSOR and RADIO Fuses
Underhood Fuse Block RUN/CRANK Relay, ABS, IGN 1, INJ, ECM IGN 1 and TRANS Fuses
G109
G109
Shift Solenoids, TCC and TFT
Power, Ground and High Speed Serial Data
G103, G104 and G105
Figure 2:

Shift Solenoids, TCC and TFT


Object Number: 1834119  Size: FS
Master Electrical Component List
Control Module References
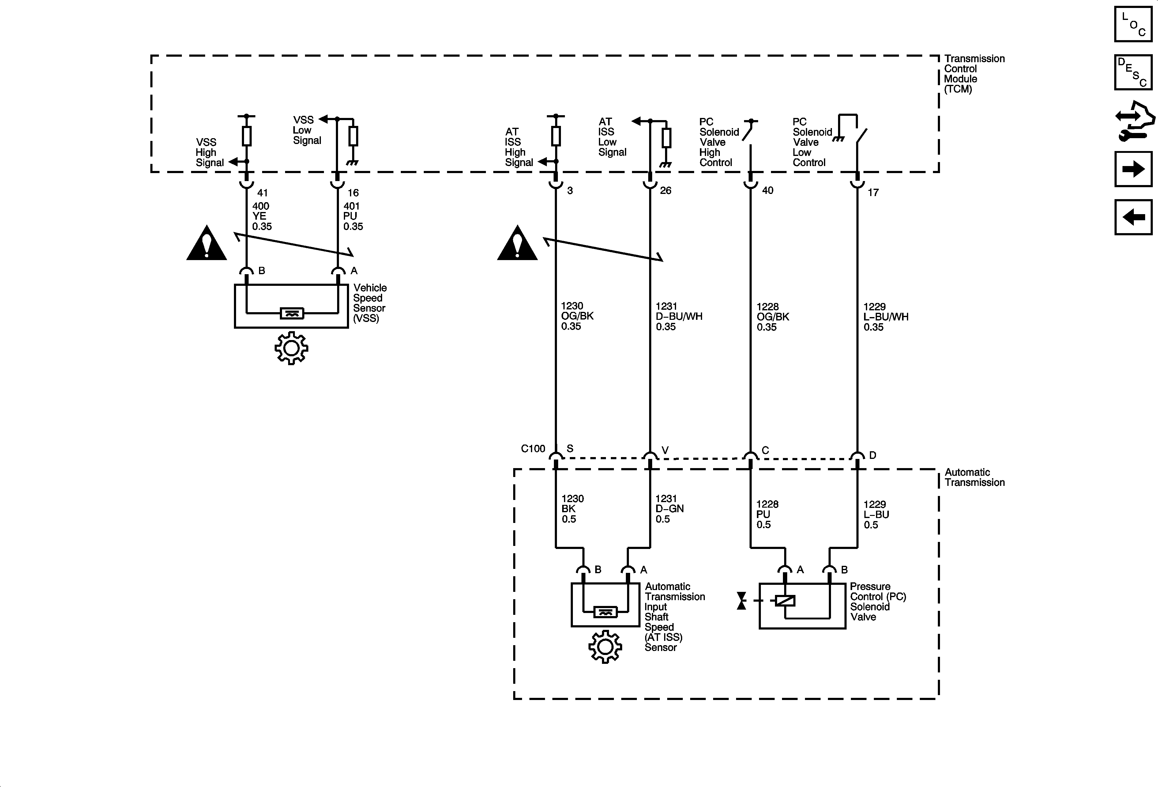
ISS, Pressure Control and VSS
Power, Ground and Serial Data
Power, Ground and Serial Data
Turn Signals and Stop Lamps
Figure 3:

ISS, Pressure Control and VSS


Object Number: 1834121  Size: FS
Master Electrical Component List
Control Module References
PNP Switch
Shift Solenoids, TCC and TFT
Figure 4:

PNP Switch


Object Number: 1834122  Size: FS
Master Electrical Component List
Control Module References
Tap Up/Tap Down Switch
ISS, Pressure Control and VSS
G103, G104 and G105
Figure 5:

Tap Up/Tap Down Switch


Object Number: 1834125  Size: FS
Master Electrical Component List
Control Module References
PNP Switch
Underhood Fuse Block IBCM (RUN/CRANK) Fuse, Body Control Module (BCM) AIR BAG (IGN), EPS and RUN/CRANK Fuses
Center Console and Seats
Shift Lock Control Schematics
G303