GM Service Manual Online
For 1990-2009 cars only
Makes
🢒
Chevrolet
🢒
2007
🢒
Malibu
🢒
Steering
🢒
Power Steering
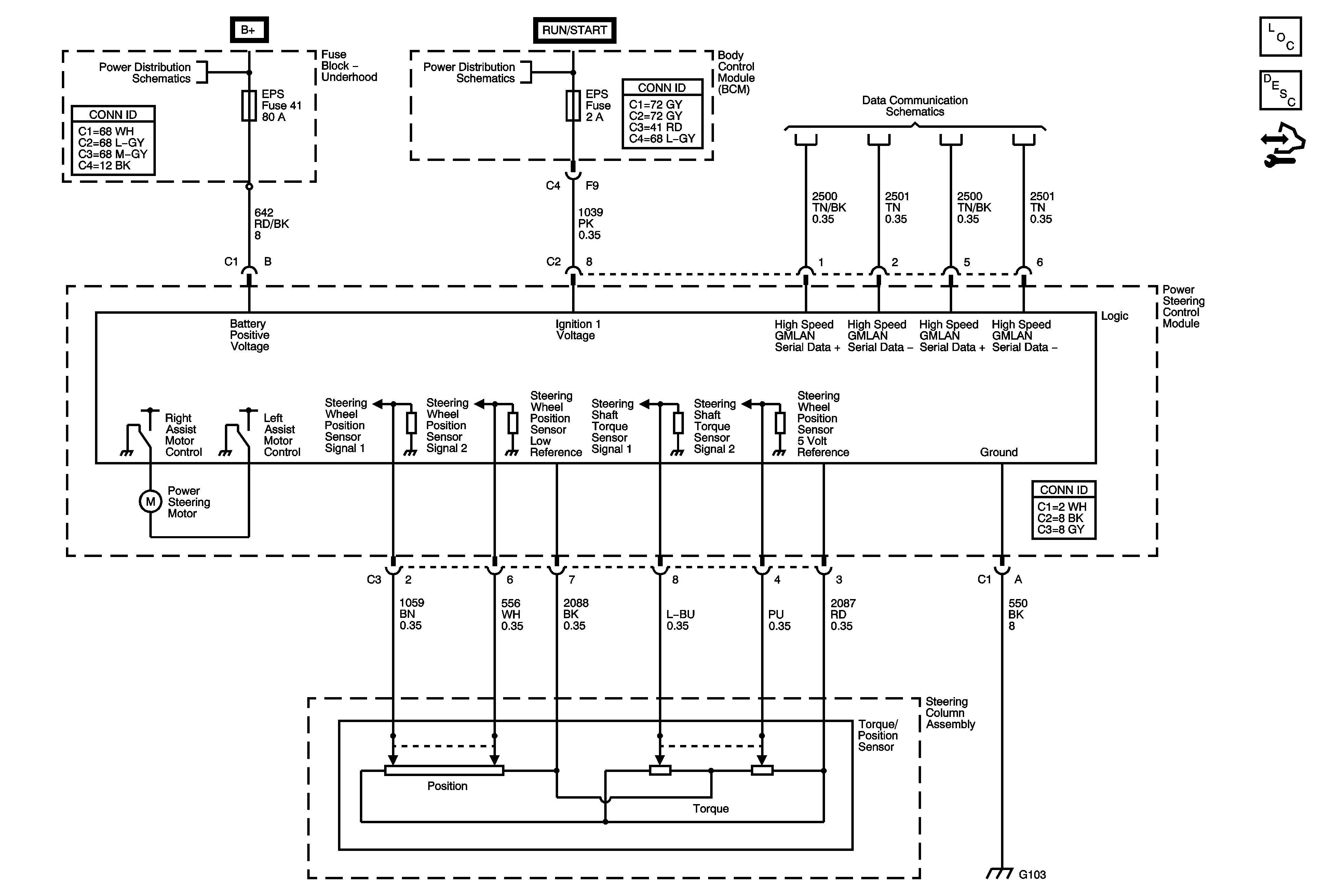
🢒 Power Steering Schematics
Master Electrical Component List
Power Steering System Description and Operation (Electronic Power Steering)
Control Module References
Underhood Fuse Block DRL, HI/BEAM and LO/BEAM Relays, ABS, DRL, EPS, IBCM 1, IBCM 2, LT HI BEAM, LT LOW BEAM, RT HI BEAM, RT LOW BEAM, PCM and TCM Fuses
Underhood Fuse Block IBCM (RUN/CRANK) Fuse, Body Control Module (BCM) AIR BAG (IGN), EPS and RUN/CRANK Fuses
Power, Ground and High Speed Serial Data
G103, G104 and G105