GM Service Manual Online
For 1990-2009 cars only
Makes
🢒
Chevrolet
🢒
2007
🢒
Malibu
🢒
Power and Signal Distribution
🢒
Wiring Systems and Power Management
🢒 Power Moding Schematics
Master Electrical Component List
Control Module References
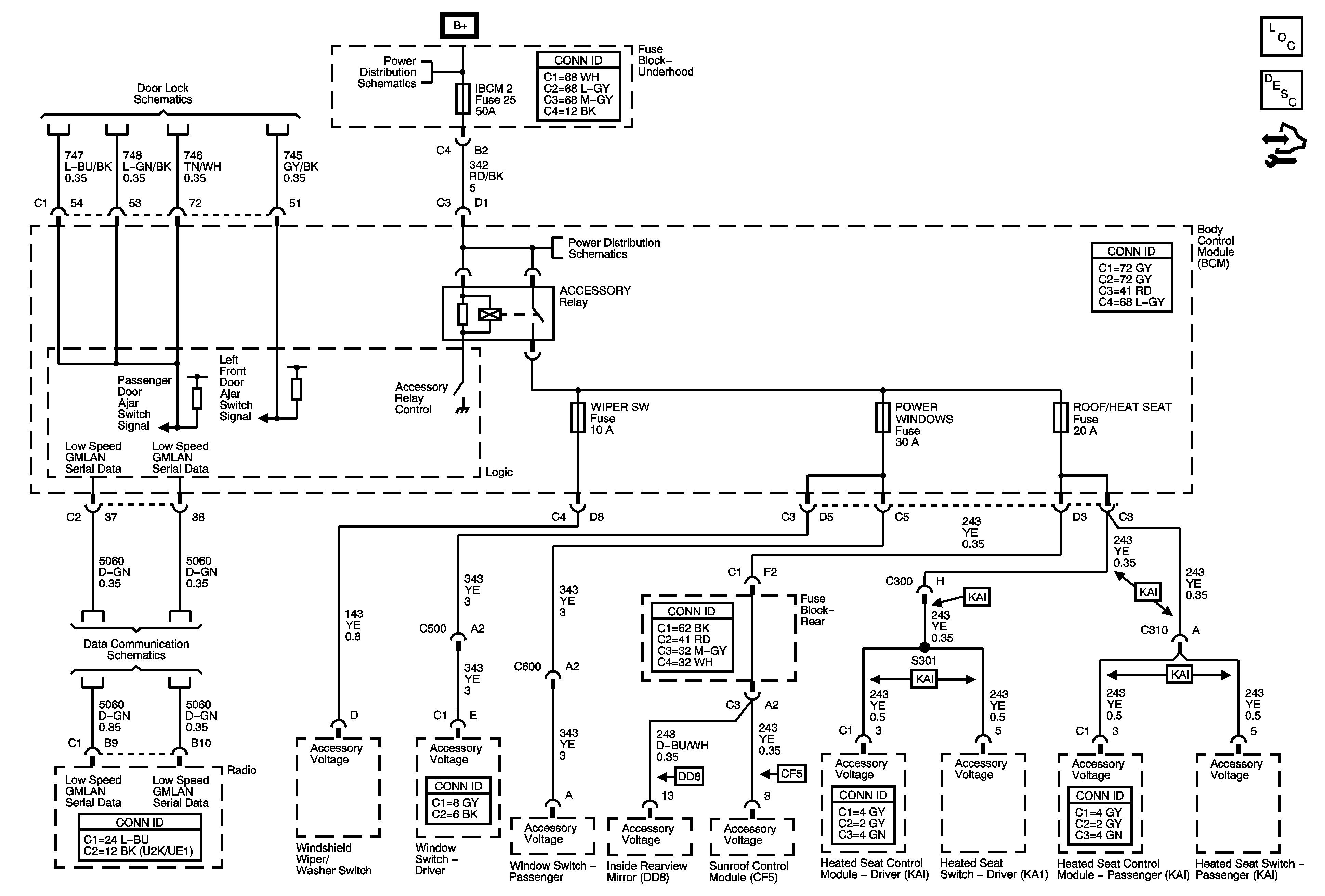
Underhood Fuse Block IBCM 2, Body Control Module (BCM), ACCESSORY Relay, DOOR LOCK, INTERIOR LIGHTS, POWER WINDOWS, REAR WIPER, ROOF/HEAT SEAT and WIPER SW Fuses
Door Ajar Indicators
Underhood Fuse Block IBCM 2, Body Control Module (BCM), ACCESSORY Relay, DOOR LOCK, INTERIOR LIGHTS, POWER WINDOWS, REAR WIPER, ROOF/HEAT SEAT and WIPER SW Fuses
Low Speed Serial Data