GM Service Manual Online
For 1990-2009 cars only
Makes
🢒
Chevrolet
🢒
2007
🢒
Malibu
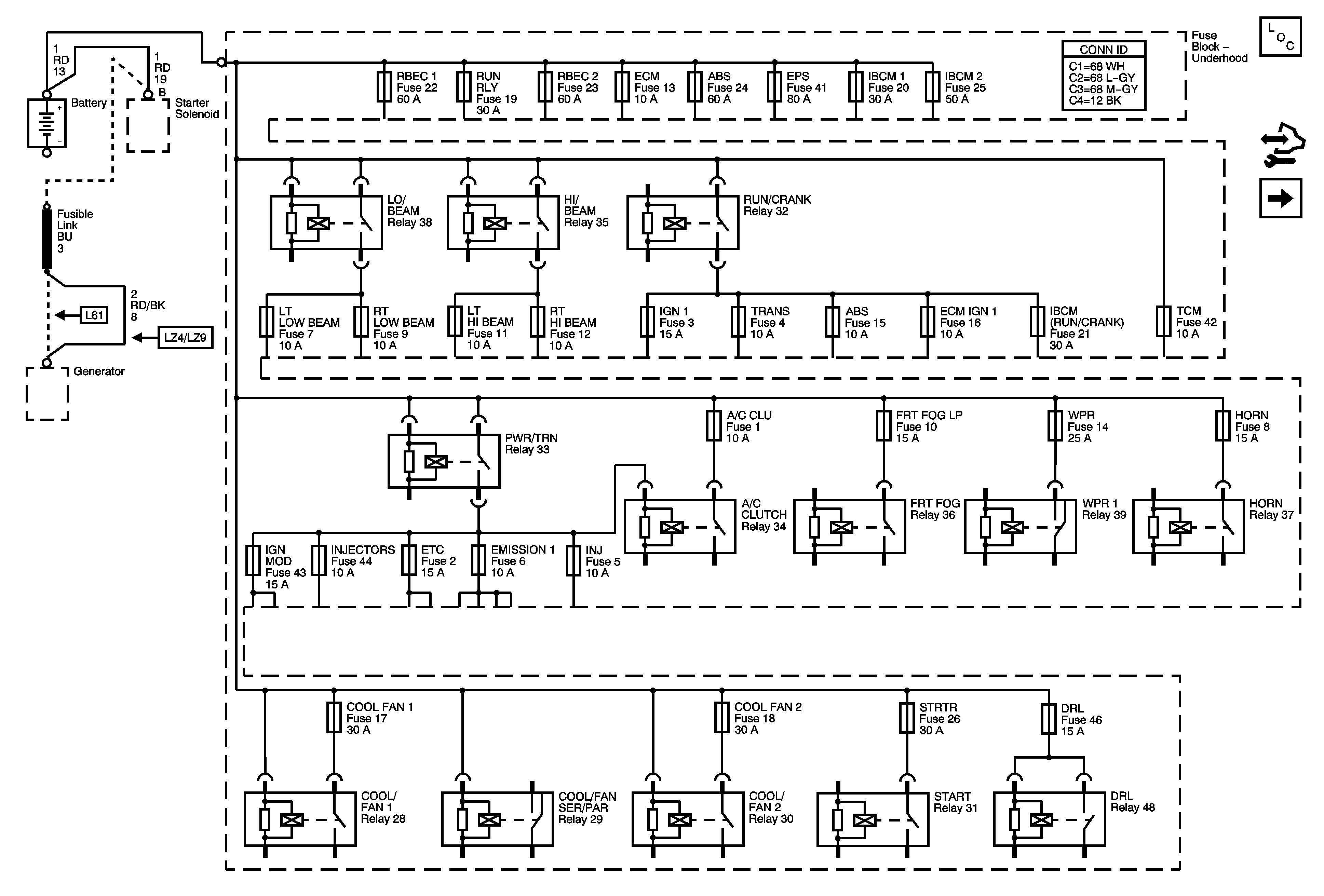
🢒 B+ Bus
B+ Bus
B+ Bus
Master Electrical Component List
Control Module References
Underhood Fuse Block IBCM 1, Body Control Module (BCM) AIRBAG (BATT), CLUSTER/THEFT, HVAC CTRL (BATT), IGN SENSOR and RADIO Fuses