GM Service Manual Online
For 1990-2009 cars only
Makes
🢒
Chevrolet
🢒
2007
🢒
Malibu
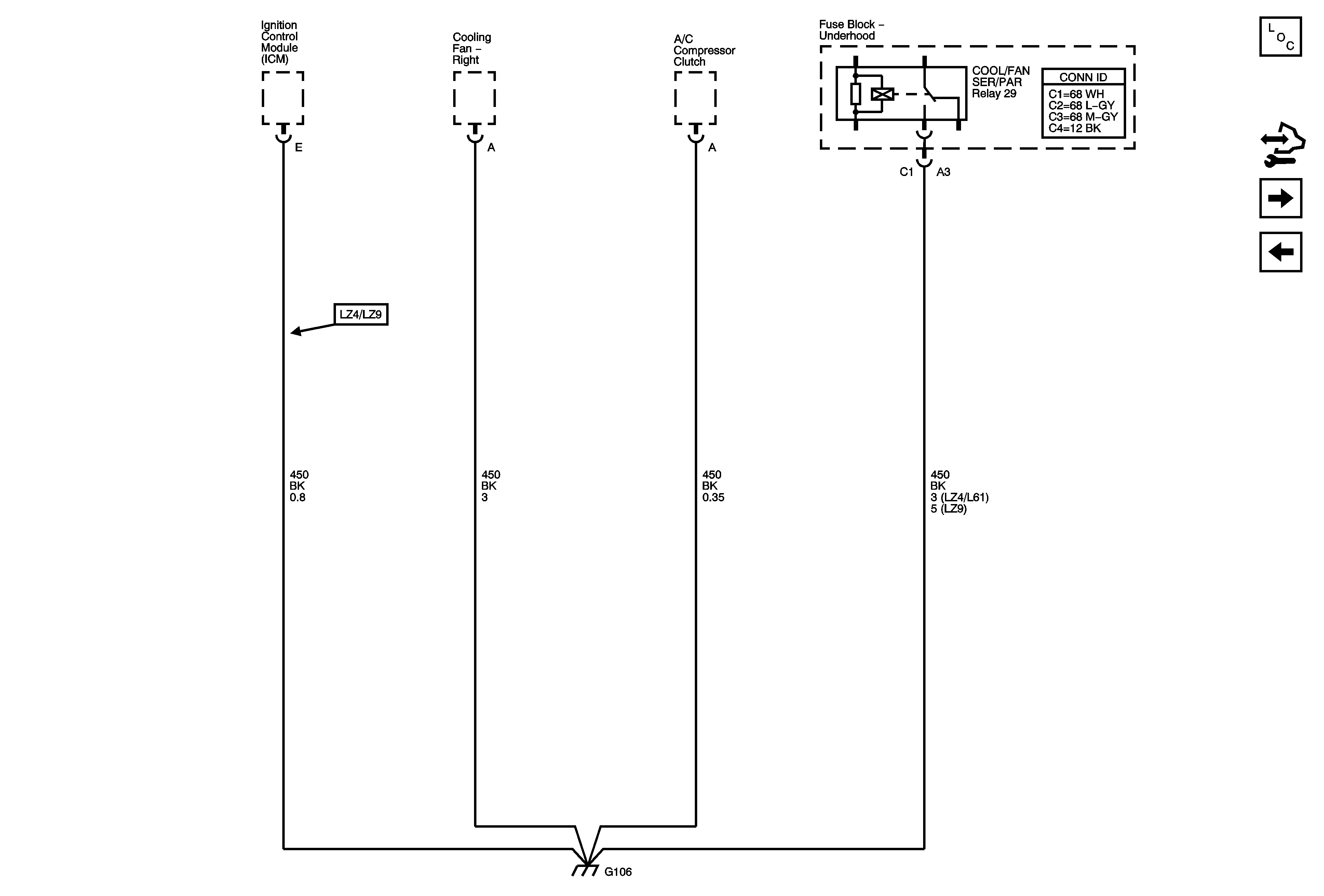
🢒 G106
G106
G106
Master Electrical Component List
Control Module References
G109
G103, G104 and G105