GM Service Manual Online
For 1990-2009 cars only
Makes
🢒
Chevrolet
🢒
2007
🢒
Malibu
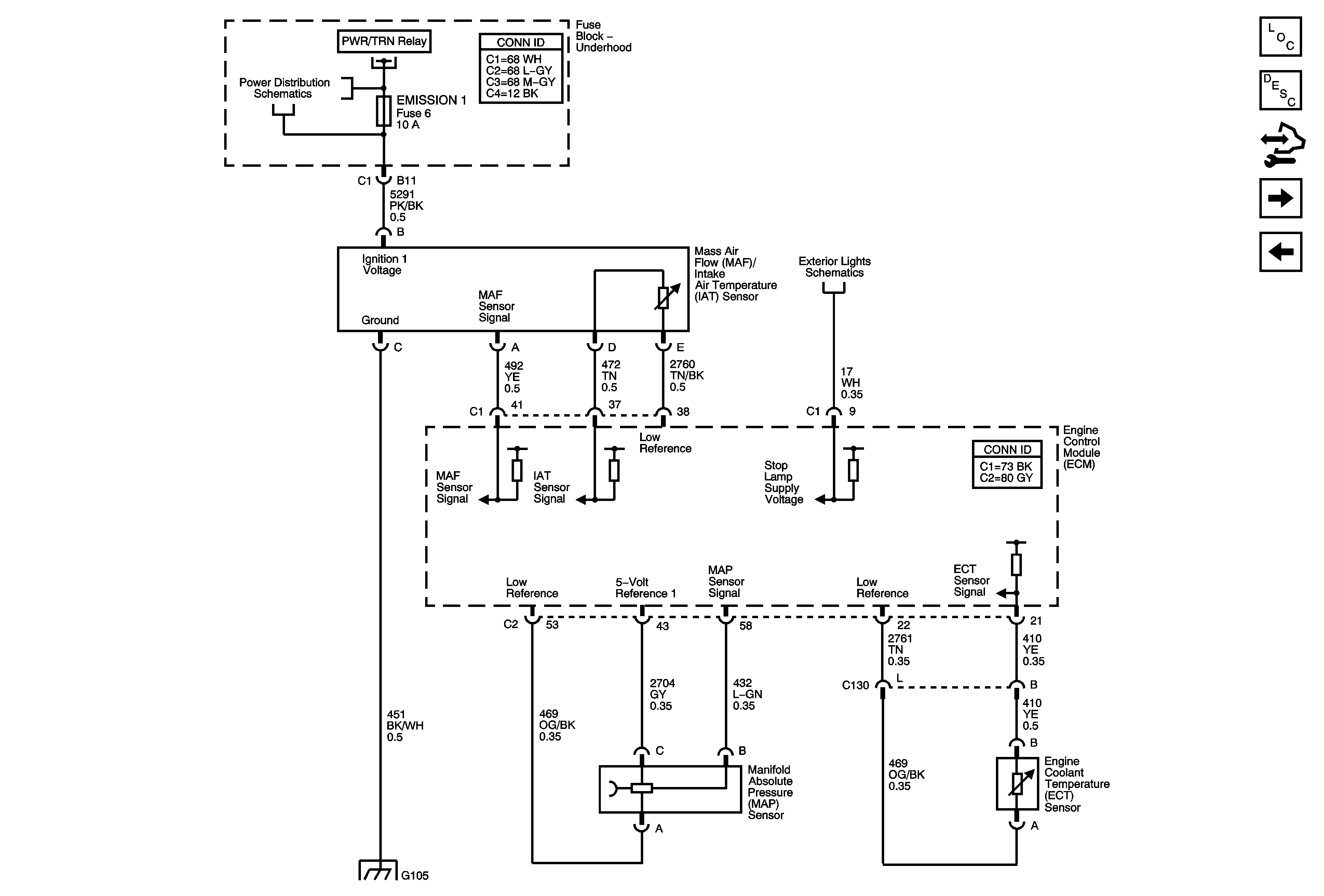
🢒 ECT, MAF/IAT and MAP Sensors
ECT, MAF/IAT and MAP Sensors
ECT, MAF/IAT and MAP Sensors
Master Electrical Component List
Engine Control Module Description
Control Module References
Heated Oxygen Sensors
5-Volt and Low References
Underhood Fuse Block A/C CLUTCH and PWR/TRN Relays, A/C CLU, EMISSION 1, ETC and INJ Fuses
Turn Signals and Stop Lamps
G103, G104 and G105