GM Service Manual Online
For 1990-2009 cars only
Makes
🢒
Chevrolet
🢒
2007
🢒
Malibu
🢒 Switches
Switches
Switches
Master Electrical Component List
Interior Lighting Systems Description and Operation
Control Module References
Center Console and Seats
Displays
Displays
Displays
Center Console and Seats
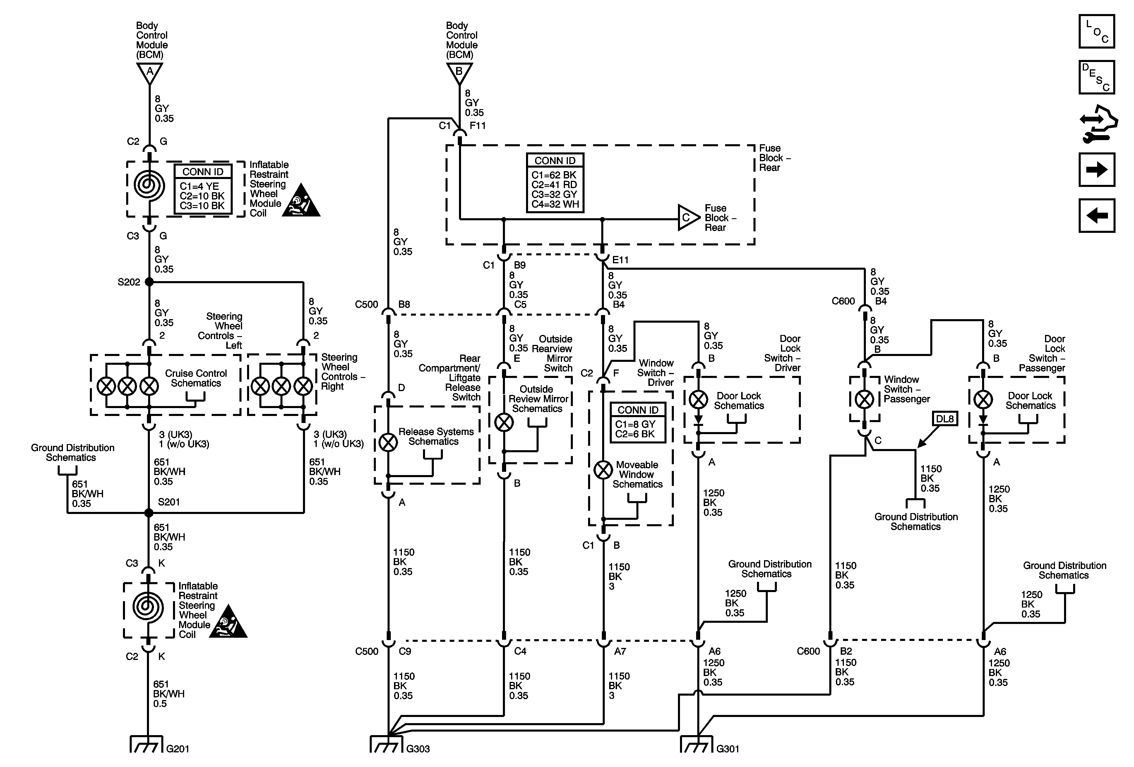
G201
Steering Wheel Controls (3-Spoke)
Sedan
Outside Rearview Mirror Schematics
Moveable Window Schematics
Door Lock Switches
Door Lock Switches
G301
G303
G301
G201
G303
G301
Lighting Systems Schematic Icons
Lighting Systems Schematic Icons
G201