GM Service Manual Online
For 1990-2009 cars only
Makes
🢒
Chevrolet
🢒
2007
🢒
Malibu
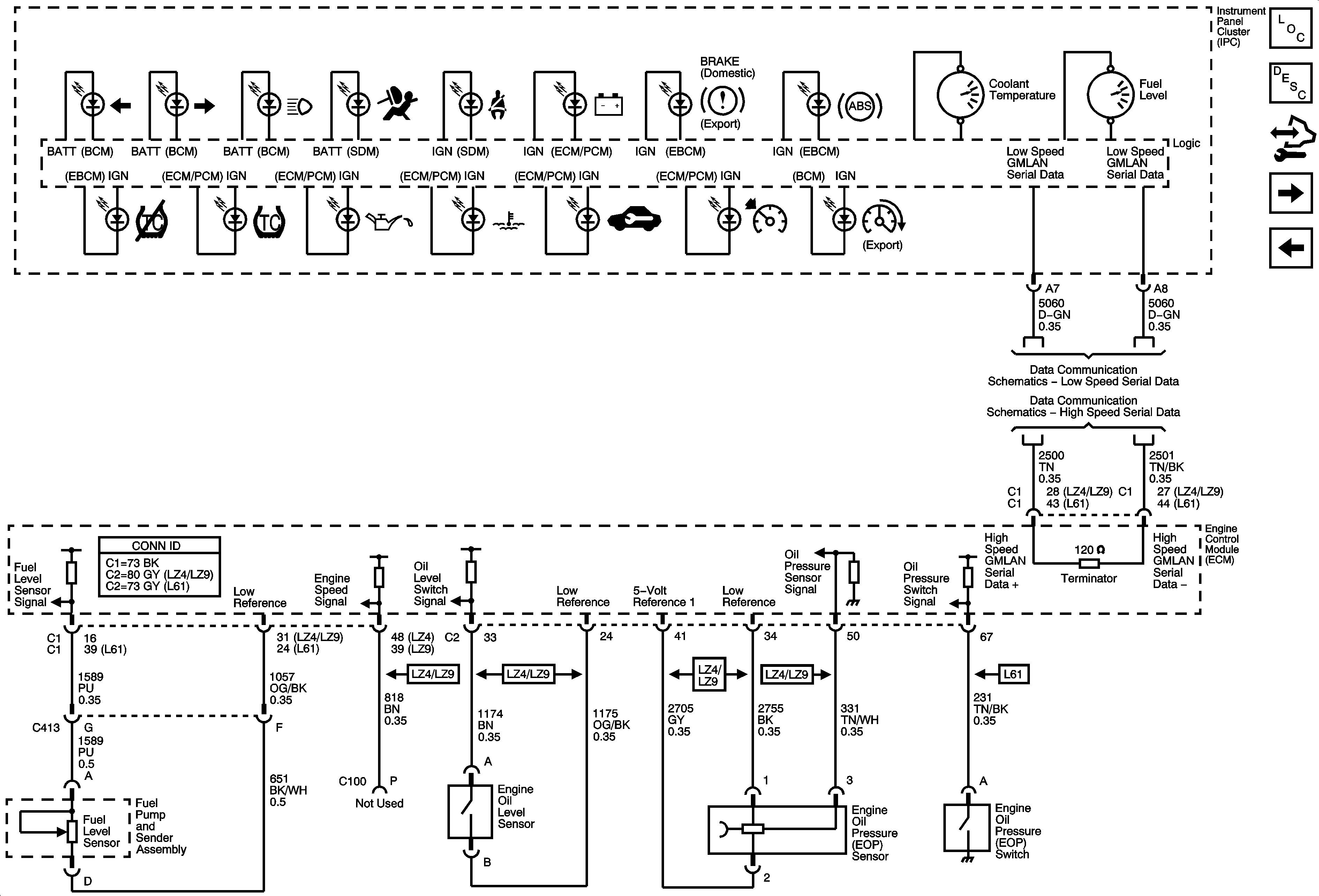
🢒 Indicators
Indicators
Indicators
Master Electrical Component List
Indicator/Warning Message Description and Operation
Control Module References
Driver Information Center Display
Power, Ground and Illumination
Low Speed Serial Data
Power, Ground and High Speed Serial Data