GM Service Manual Online
For 1990-2009 cars only
Figure 1:

Module Power, Ground, Serial Data, and MIL


Object Number: 1979650  Size: FS
Master Electrical Component List
Engine Control Module Description
5-Volt and Low Reference
Figure 2:

5-Volt and Low Reference


Object Number: 1979651  Size: FS
Master Electrical Component List
Engine Control Module Description
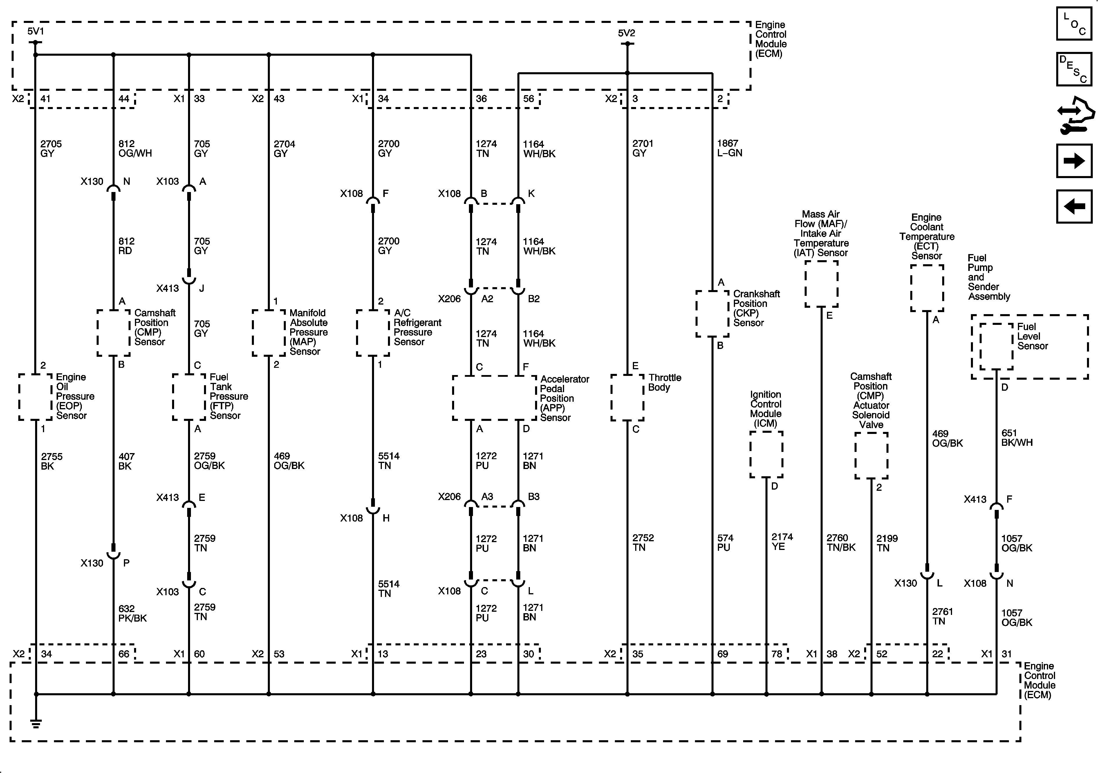
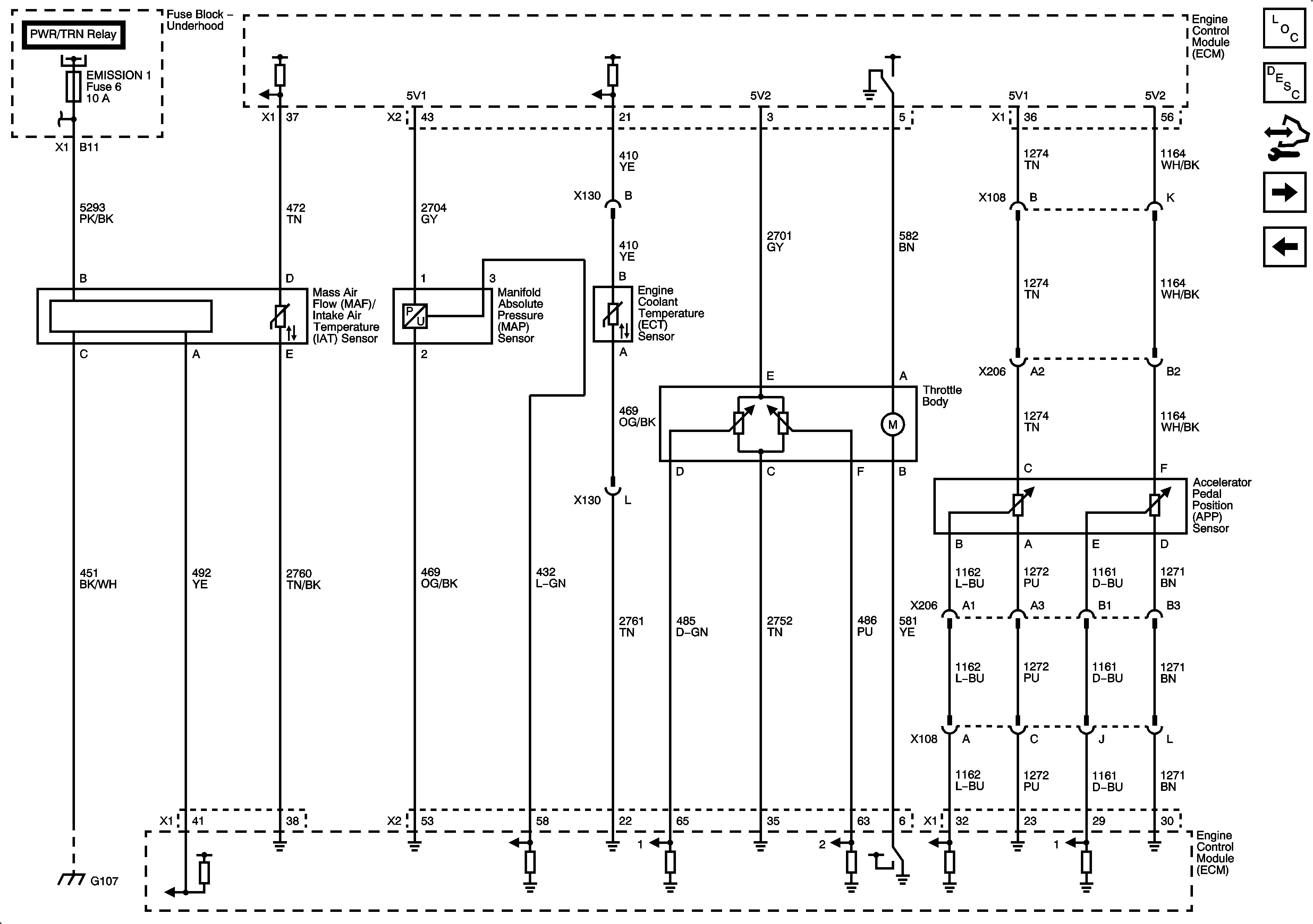
Engine Data Sensors - Pressure, Temperature, and Throttle Controls
Module Power, Ground, Serial Data, and MIL
Figure 3:

Engine Data Sensors - Pressure, Temperature, and Throttle Controls


Object Number: 1979652  Size: FS
Master Electrical Component List
Throttle Actuator Control (TAC) System Description
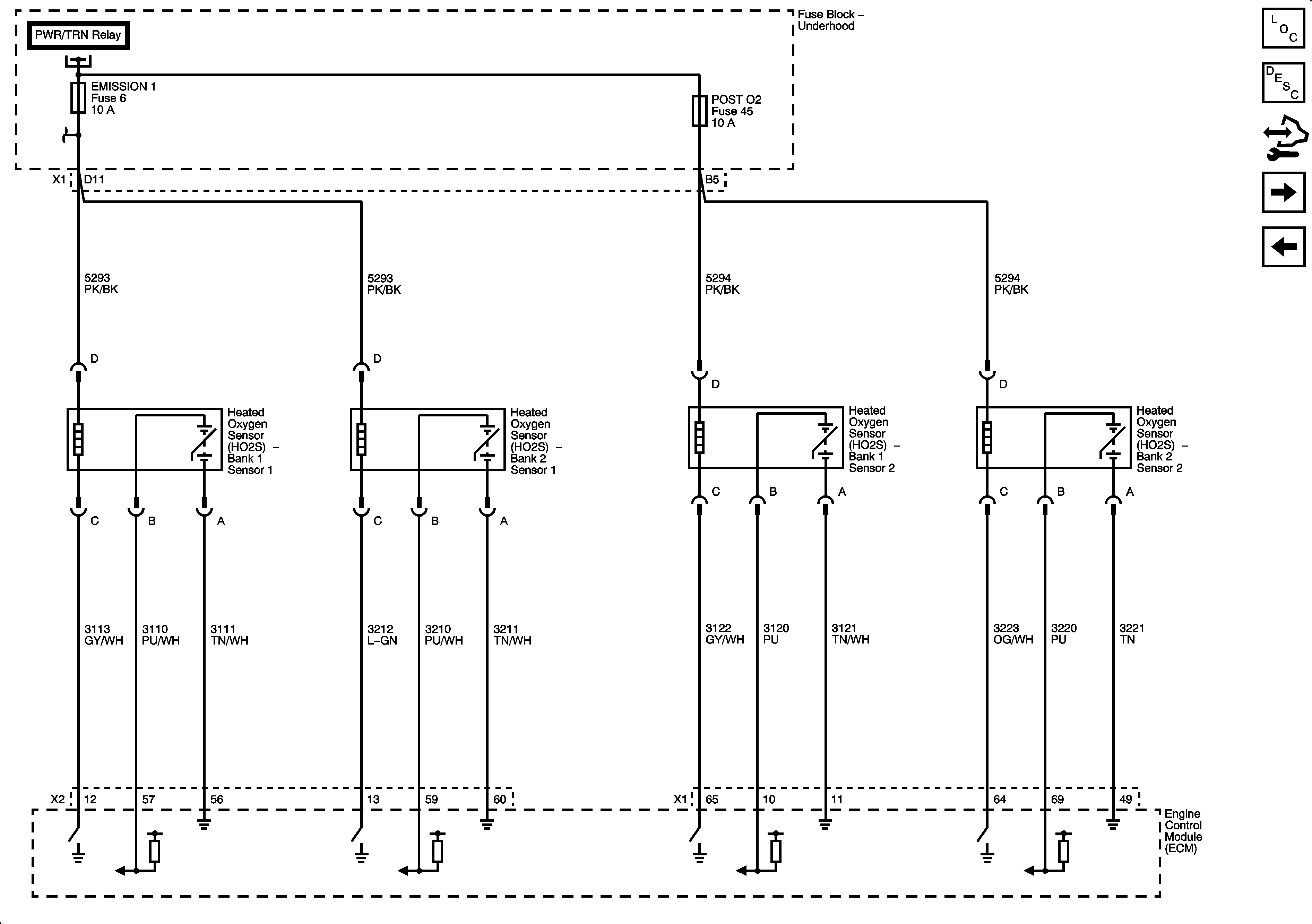
Engine Data Sensors - HO2S
5-Volt and Low Reference
Figure 4:

Engine Data Sensors - HO2S


Object Number: 1979653  Size: FS
Master Electrical Component List
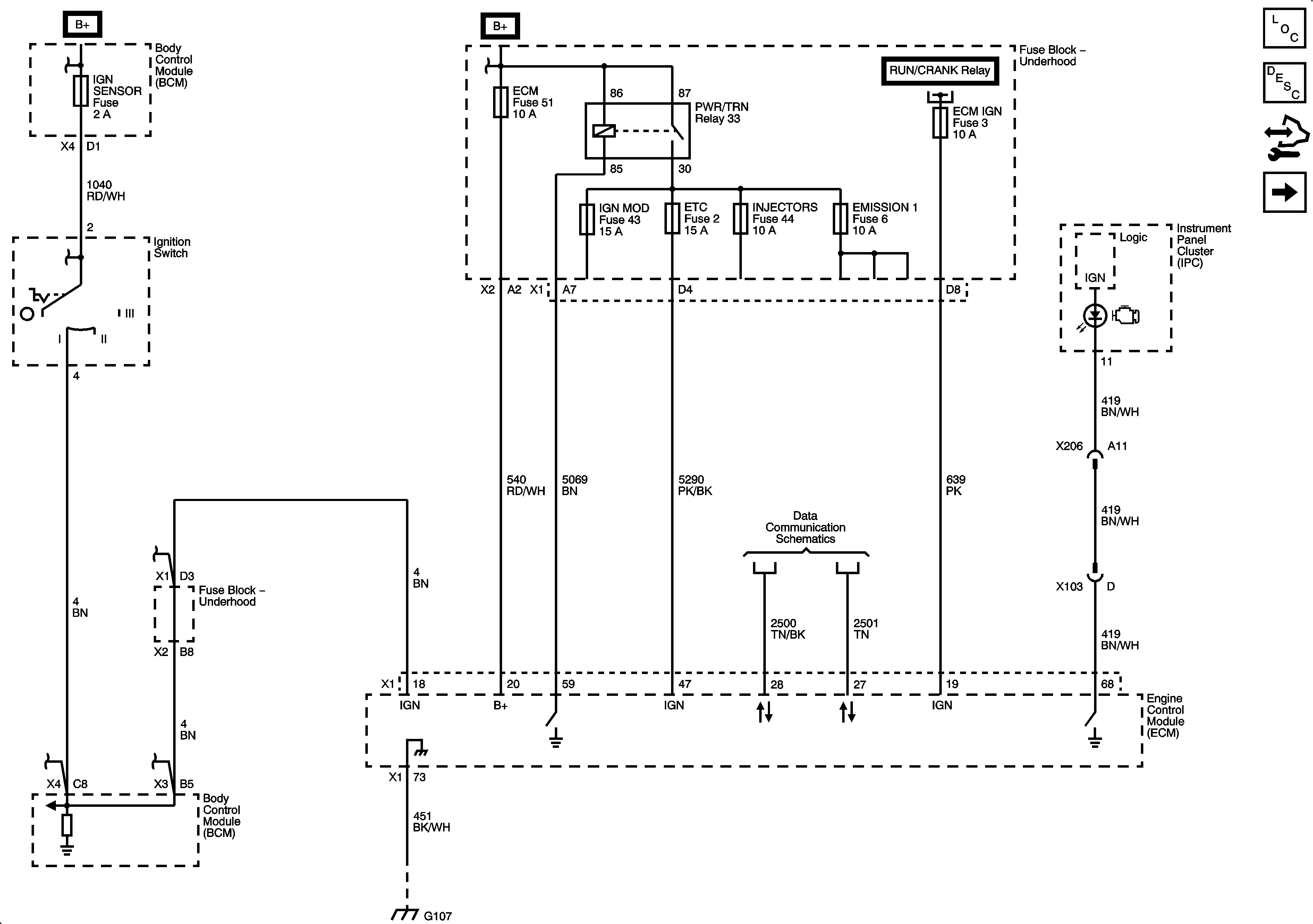
Ignition Controls - Ignition System
Engine Data Sensors - Pressure, Temperature, and Throttle Controls
Figure 5:

Ignition Controls - Ignition System


Object Number: 1979655  Size: FS
Master Electrical Component List
Electronic Ignition (EI) System Description
Ignition Controls - Sensors
Engine Data Sensors - HO2S
Figure 6:

Ignition Controls - Sensors


Object Number: 1979657  Size: FS
Master Electrical Component List
Electronic Ignition (EI) System Description
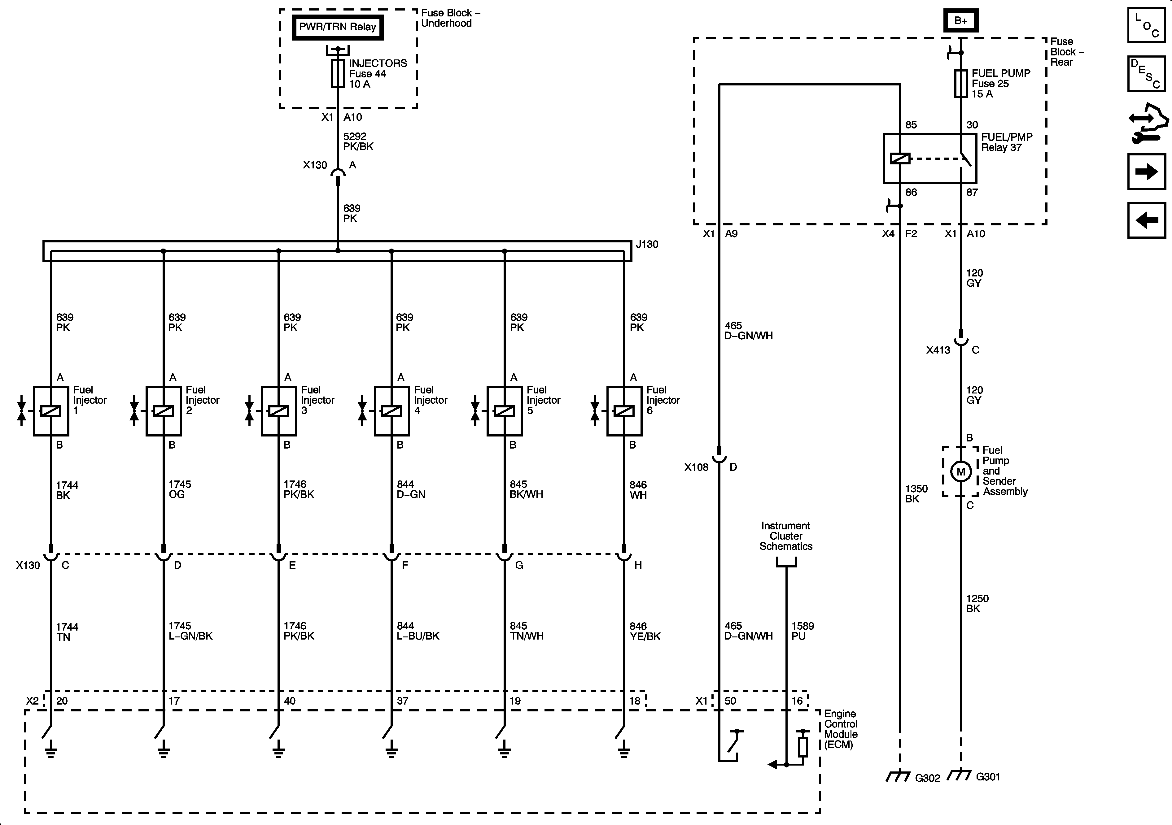
Fuel Controls - Fuel Injectors and Fuel Pump Controls
Ignition Controls - Ignition System
Figure 7:

Fuel Controls - Fuel Injectors and Fuel Pump Controls


Object Number: 1979658  Size: FS
Master Electrical Component List
Fuel System Description
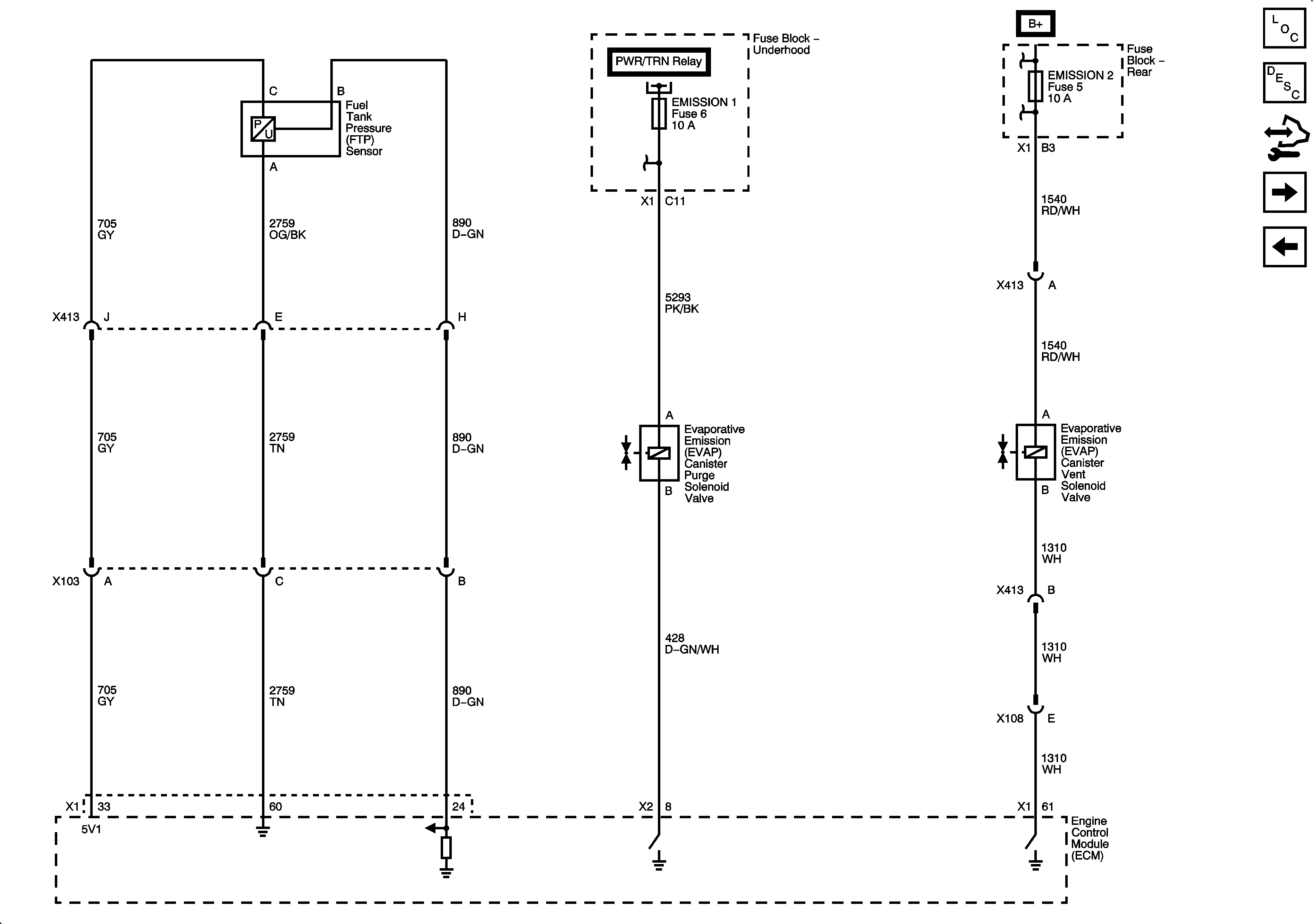
Fuel Controls - EVAP Controls
Ignition Controls - Sensors
Figure 8:

Fuel Controls - EVAP Controls


Object Number: 1979659  Size: FS
Master Electrical Component List
Fuel System Description
Monitored/Controlled Subsystem References
Fuel Controls - Fuel Injectors and Fuel Pump Controls
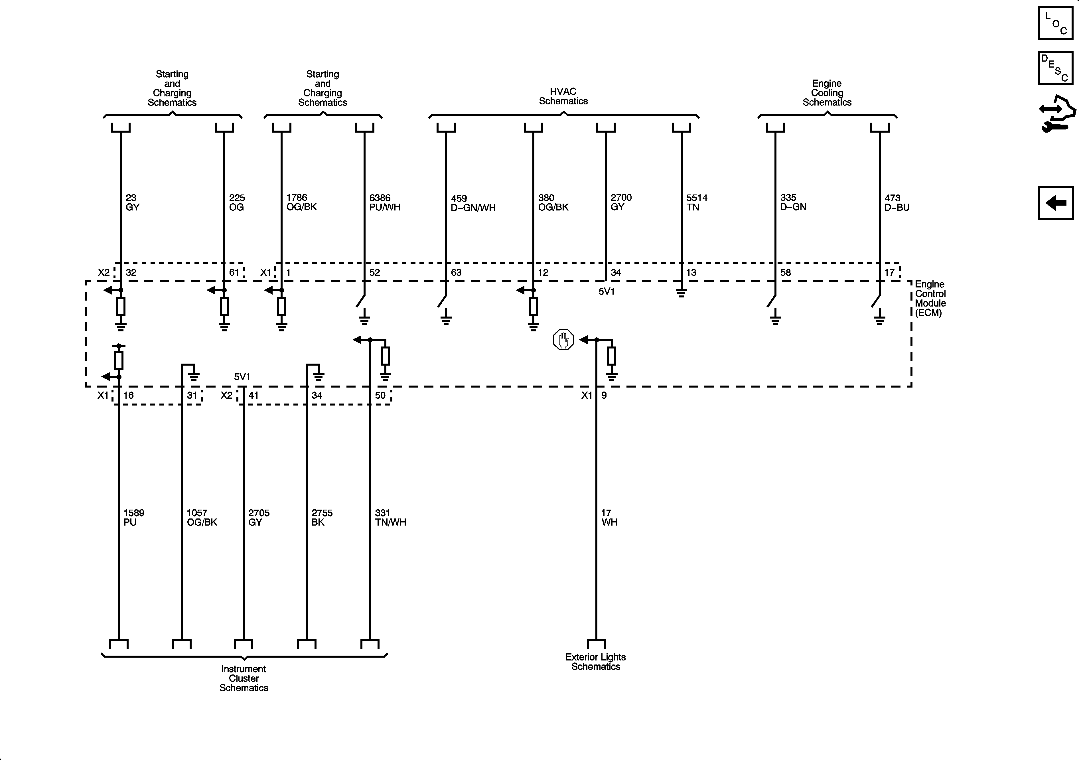
Figure 9:

Monitored/Controlled Subsystem References


Object Number: 1979660  Size: FS
Master Electrical Component List
Engine Control Module Description
Fuel Controls - EVAP Controls